ignition is trying to go off/on by itself, radio won't go off, heat is stuck blowing on high?

2012 FORD TAURUS
112,000 MILES • 6 CYL • 2WD • AUTOMATIC
Avatar
RIBERT2431
  • MEMBER
  • 3 POSTS
Where are interior grounds located, specifically? ignition is trying to go off/on by itself, radio won't go off, heat is stuck blowing on high?
Sep 10, 2023 at 2:52 PM
Advertisement
Avatar
STRAILER
  • CERTIFIED EXPERT
  • 53,854 POSTS
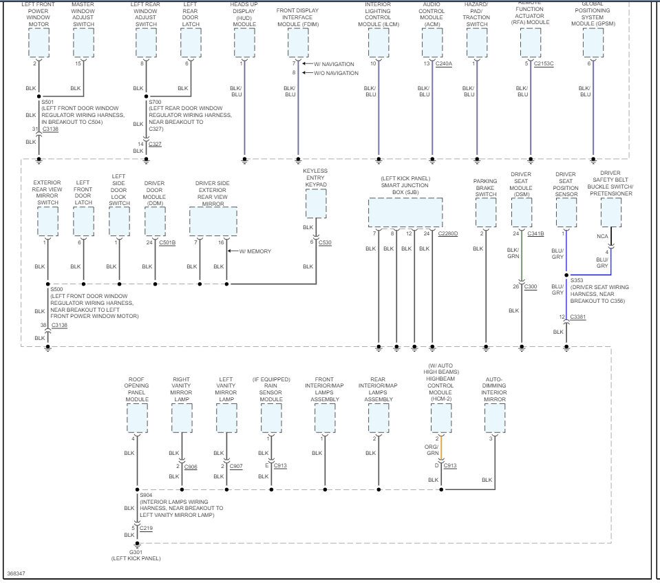
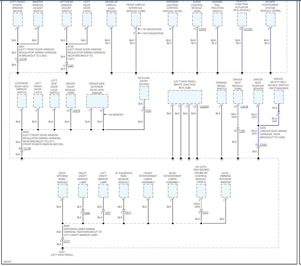
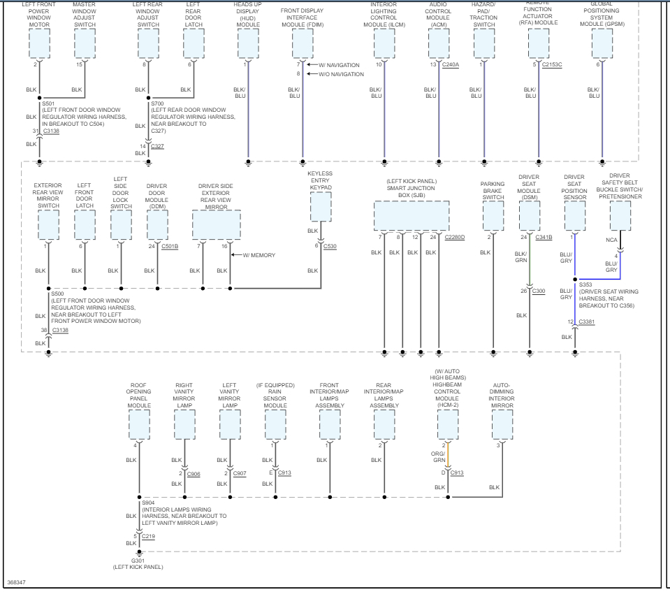
For what system do you need the ground location for? Here are the locations of the grounds for the entire car. I can narrow it down for you if you give me the system in question. Check out the images (below). Please let us know if you need anything else to get the problem fixed.
Sep 11, 2023 at 1:47 PM
Avatar
RIBERT2431
  • MEMBER
  • 3 POSTS
Looking for grounds on climate control, radio, and sync system.

The ignition is trying to go off/on by itself, radio won't go off, heat is stuck blowing on high. When I was trying to remove the center console these things were starting and stopping. I’ve tried resetting the main computer multiple times, but it didn’t help and I’m not blowing fuses. Any advice you can give is appreciated.

Thanks for your help.
Sep 12, 2023 at 9:43 AM
Advertisement
Avatar
RIBERT2431
  • MEMBER
  • 3 POSTS
Also, I cannot physically find the ground circled in the attached picture. Any guidance is greatly appreciated.
Sep 12, 2023 at 10:54 AM
Avatar
STRAILER
  • CERTIFIED EXPERT
  • 53,854 POSTS
I have seen the SJB go out causing the problem you have described, to be sure let's do a CAN scan. You can get a CAN scanner (Controller Area Network) which will work on most cars from Amazon.

Here is a video to show you how:

https://youtu.be/u-4syLc-ifQ

The C3138 ground I believe is in the door on the driver's side. Here is how to change the SJB out, you can get a preprogrammed unit by searching Google or Ebay. Check out the images (below). Please let us know what happens.
Sep 13, 2023 at 9:58 AM