Car listed above is an Le model.
i believe i have 2 different problems that simultaneously happened at the same time.
1. aftermarket stereo system put in with a review camera. which my ex wired to the break and revise together. I hit a dip going a little to fast which caused my car shake. as i applied pressure on the brake right after the stereo would dim out and then off, same with the power of my car to when i was at a complete stop i had to restart my car. after restarting it the very next time the lost off power happened again but this time i did a "California roll" without stopping completely and kept my foot on the gas. repeat of this action nor any other problems continued.
2. about 2 weeks later driving on a highway with a small incline i rapidly switched between gears D, 2,1,2, D. (about 3 seconds). my car then lost power gradually, allowing me enough time to pull over from the last track lane before losing power completely. it would not start and only cracked over 2 times before no power, during which time it started to smoke and leak fluid, after lifting the hood i noticed a spray of oil all over the place. also the metal bar that keeps the battery down was on top of the positive side, and was burnt off on the side connecting to car. there was no loss of coolant nor any oil in the coolant. the car did not run hot and all fluids were topped off right before the start of the trip including a full tank of gas.
it didn't read any codes at first.
i also cut out the alarm system which i believe to be factory installed because it was the same they used for that year, but have been told it was aftermarket.
aftermarket stereo has been removed and camera disabled.
battery and battery cables were replaced.
Alternator was tested and passed.
starter was tested and failed, has been replaced.
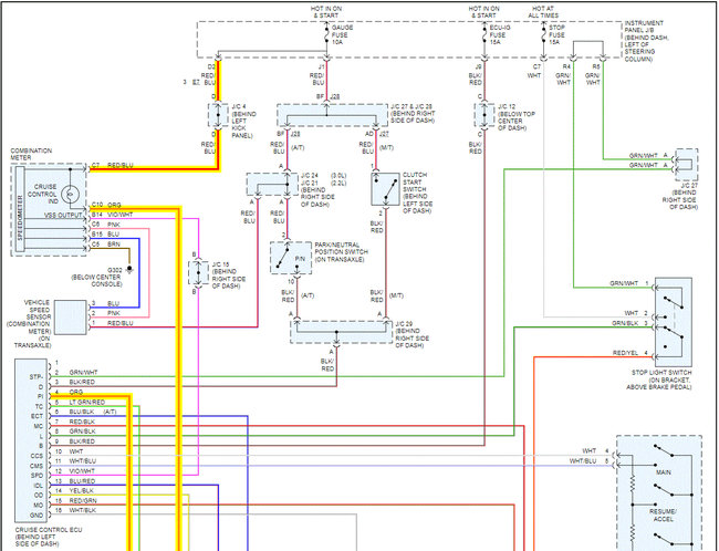
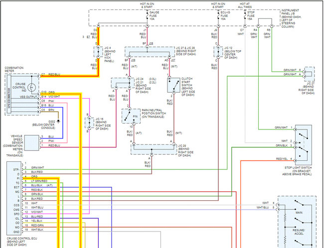
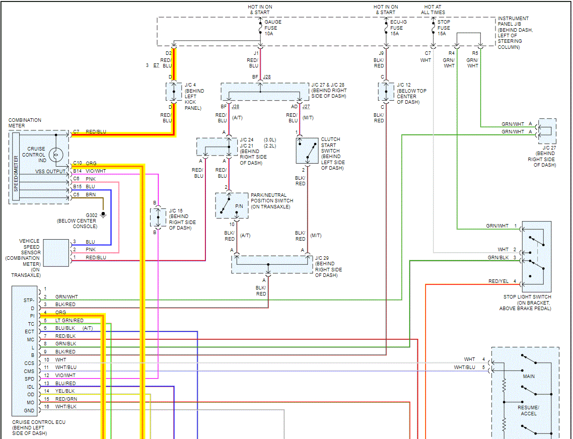
starter relay and fuse replaced, housing ports for both lost power and are now getting power directly from battery positive along with the Head fuse.
received code from obd 1 output under the hood as code 31- which manual states to be the vehicle speed sensor, which was replace and harness was tested to work.
i pulled the spark plugs and the cylinder 1 had oil in it and the plug was bad. replaced cylinder 1 and 3 spark plugs and replaced the valve cover gasket, including a oil change and new filter.
after doing more research on the internet i then found that code 31 was really for the MAP sensor. i then took a reading from obd2 port under driver kick panel which gave me P0105 code which indeed is the MAP sensor replaced and tested harness as working.
i then notice 5 fuse under the driver side kick panel wasn't receiving power. between my 15A power outlet and my 15A CIG fuses i was able to transfer over power to those fuses.
my car still will not crank or turn over i have power on dash and one headlight doesn't work (which i believe has to do with Head fuse under hood getting power directly from the battery).
as of now i have no clear what or where to look for next. any Help would be amazing.
i believe i have 2 different problems that simultaneously happened at the same time.
1. aftermarket stereo system put in with a review camera. which my ex wired to the break and revise together. I hit a dip going a little to fast which caused my car shake. as i applied pressure on the brake right after the stereo would dim out and then off, same with the power of my car to when i was at a complete stop i had to restart my car. after restarting it the very next time the lost off power happened again but this time i did a "California roll" without stopping completely and kept my foot on the gas. repeat of this action nor any other problems continued.
2. about 2 weeks later driving on a highway with a small incline i rapidly switched between gears D, 2,1,2, D. (about 3 seconds). my car then lost power gradually, allowing me enough time to pull over from the last track lane before losing power completely. it would not start and only cracked over 2 times before no power, during which time it started to smoke and leak fluid, after lifting the hood i noticed a spray of oil all over the place. also the metal bar that keeps the battery down was on top of the positive side, and was burnt off on the side connecting to car. there was no loss of coolant nor any oil in the coolant. the car did not run hot and all fluids were topped off right before the start of the trip including a full tank of gas.
it didn't read any codes at first.
i also cut out the alarm system which i believe to be factory installed because it was the same they used for that year, but have been told it was aftermarket.
aftermarket stereo has been removed and camera disabled.
battery and battery cables were replaced.
Alternator was tested and passed.
starter was tested and failed, has been replaced.
starter relay and fuse replaced, housing ports for both lost power and are now getting power directly from battery positive along with the Head fuse.
received code from obd 1 output under the hood as code 31- which manual states to be the vehicle speed sensor, which was replace and harness was tested to work.
i pulled the spark plugs and the cylinder 1 had oil in it and the plug was bad. replaced cylinder 1 and 3 spark plugs and replaced the valve cover gasket, including a oil change and new filter.
after doing more research on the internet i then found that code 31 was really for the MAP sensor. i then took a reading from obd2 port under driver kick panel which gave me P0105 code which indeed is the MAP sensor replaced and tested harness as working.
i then notice 5 fuse under the driver side kick panel wasn't receiving power. between my 15A power outlet and my 15A CIG fuses i was able to transfer over power to those fuses.
my car still will not crank or turn over i have power on dash and one headlight doesn't work (which i believe has to do with Head fuse under hood getting power directly from the battery).
as of now i have no clear what or where to look for next. any Help would be amazing.
Jul 11, 2021 at 11:42 AM




















