That's like asking "what are the symptoms that tell me I need to see a doctor?" There's hundreds of things to consider, both with your doctor and with a car's electrical wiring. Rear brake / signal / tail lights will do the wrong functions if there's a broken ground at a rear corner. A center brake light simply will not turn on if it has a broken ground. Every light bulb and every motor has to have a ground circuit. Every sensor needs a ground, but very often those circuits go through a computer module first. Most computers will have multiple ground wires. Some are for redundancy in case one develops a problem. Other grounds are meant to separate high-current circuits, such as for ignition coils and injectors so their voltage spikes don't interfere with very touchy sensor ground circuits.
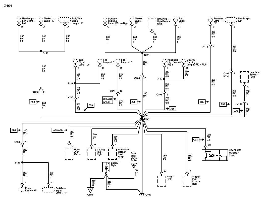
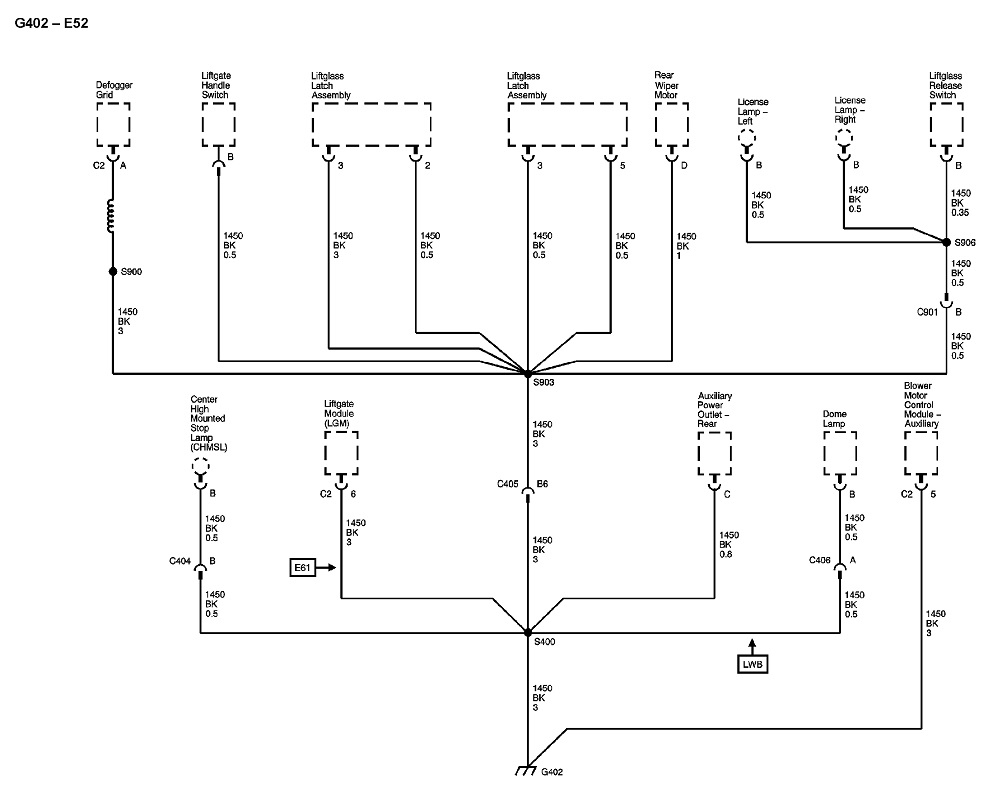
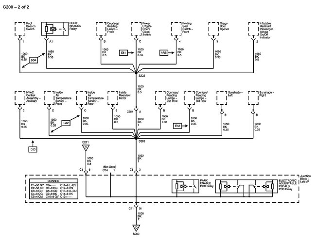
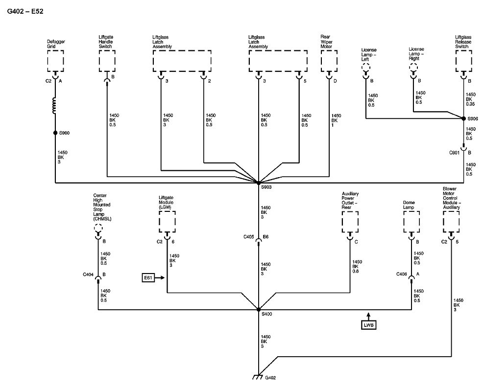
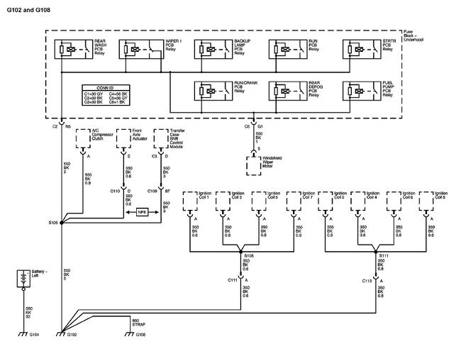
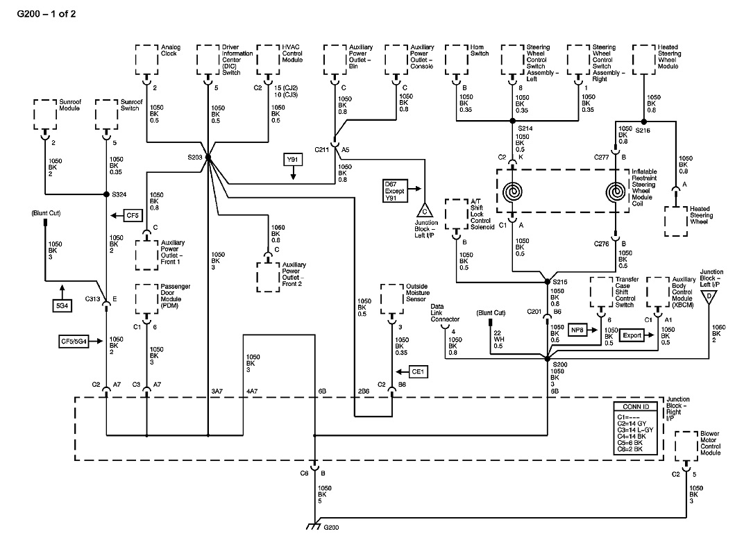
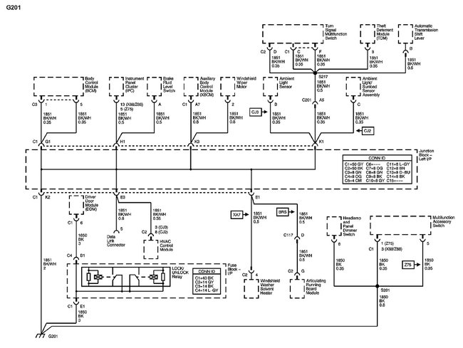
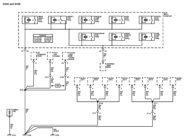
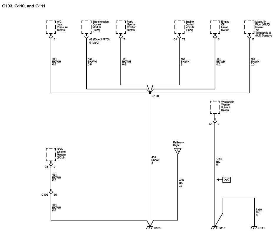
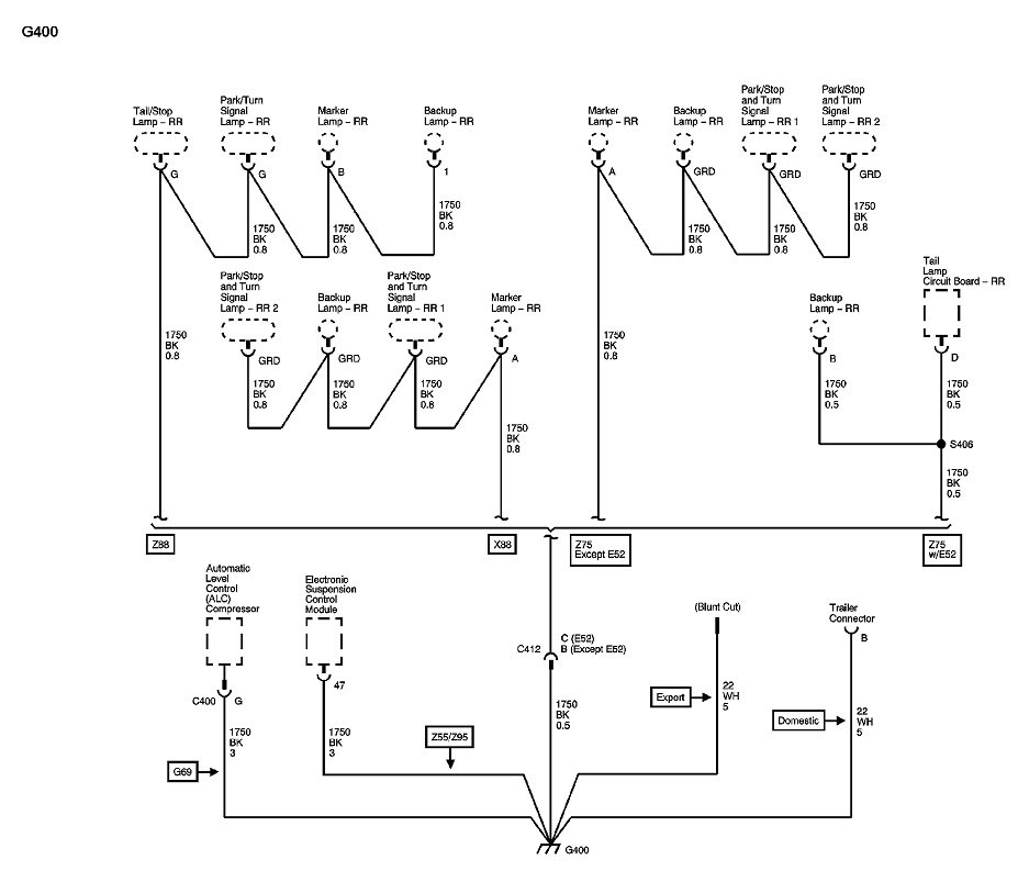
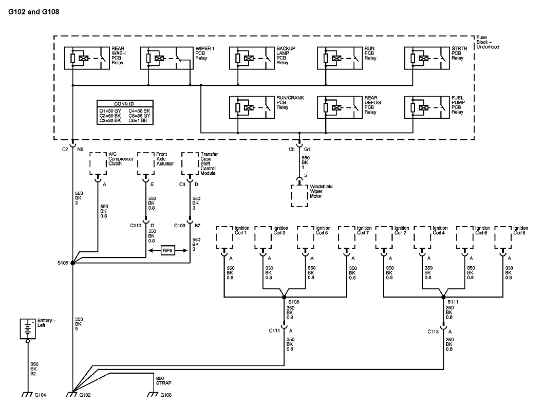
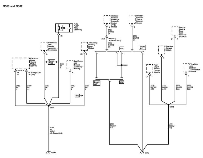
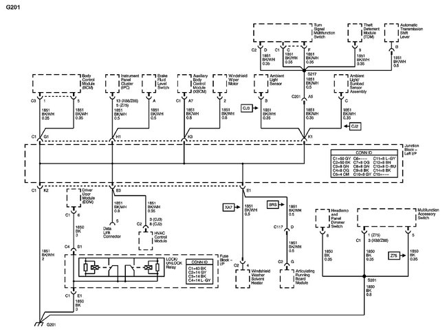
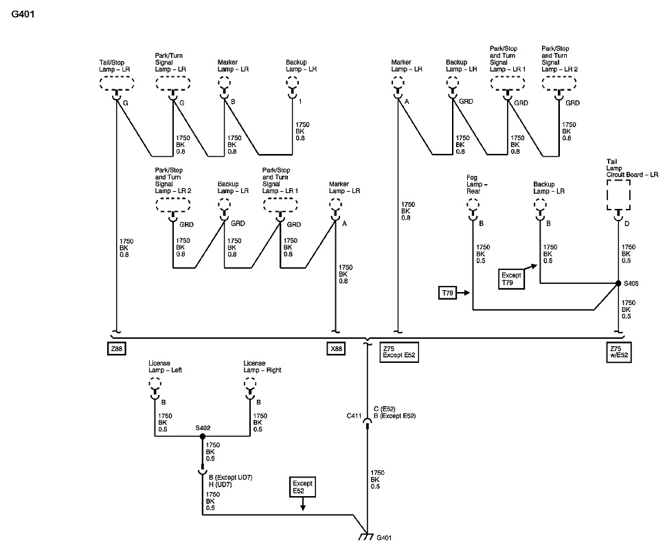
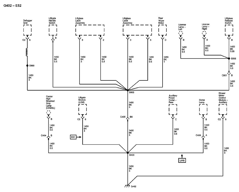
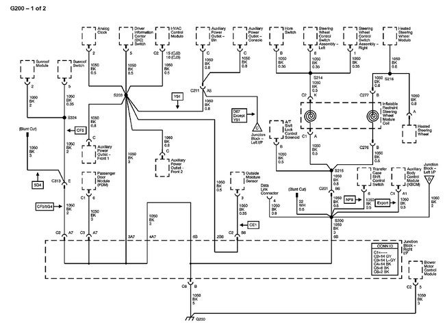
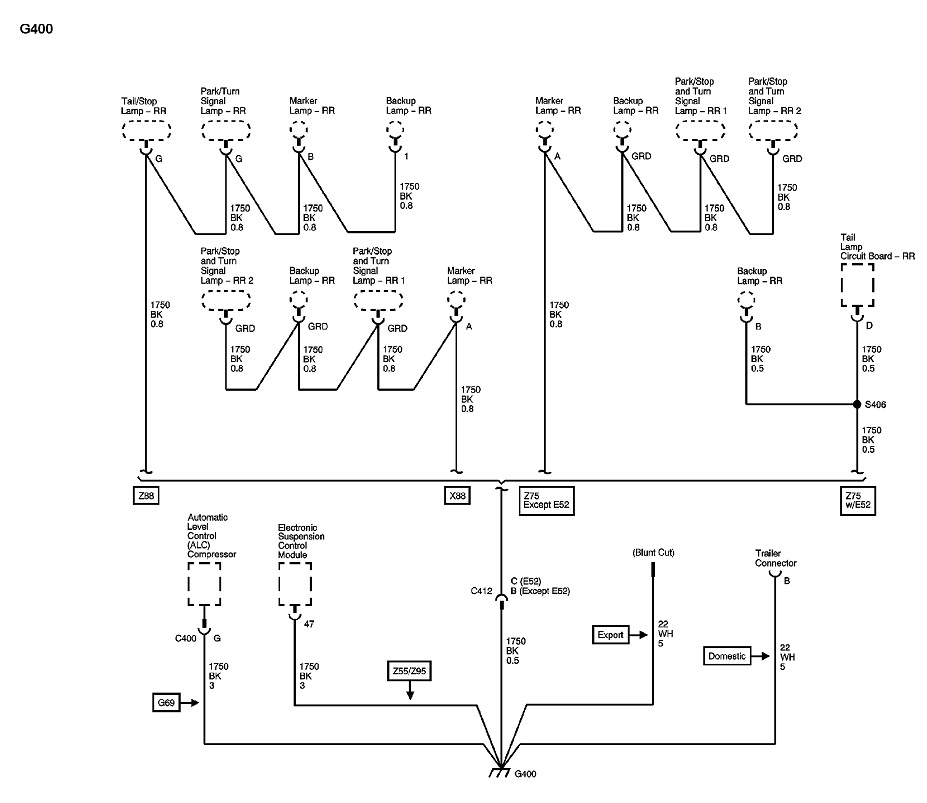
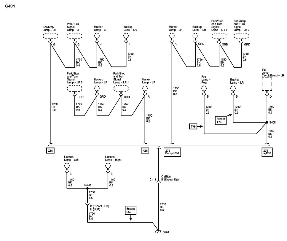
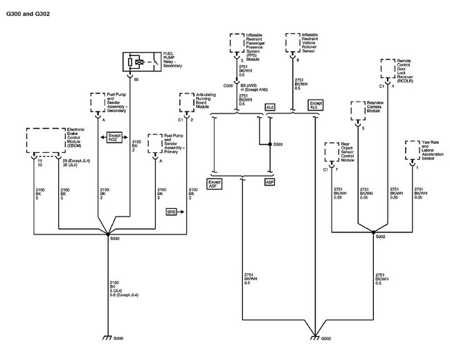
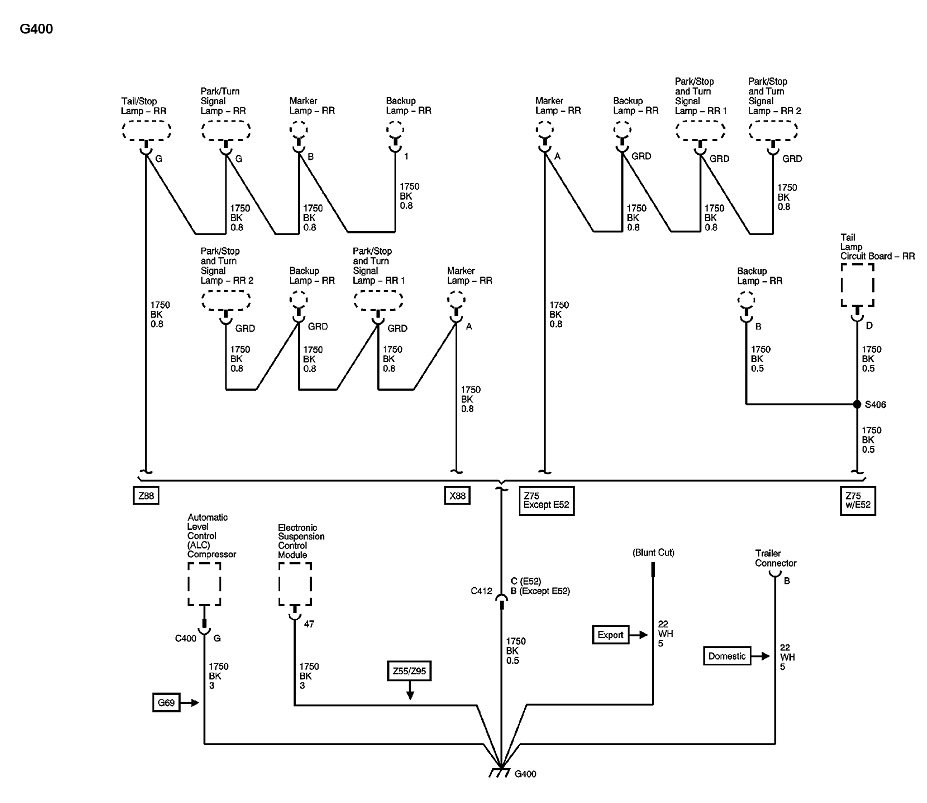
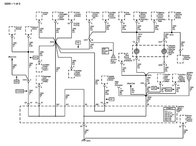
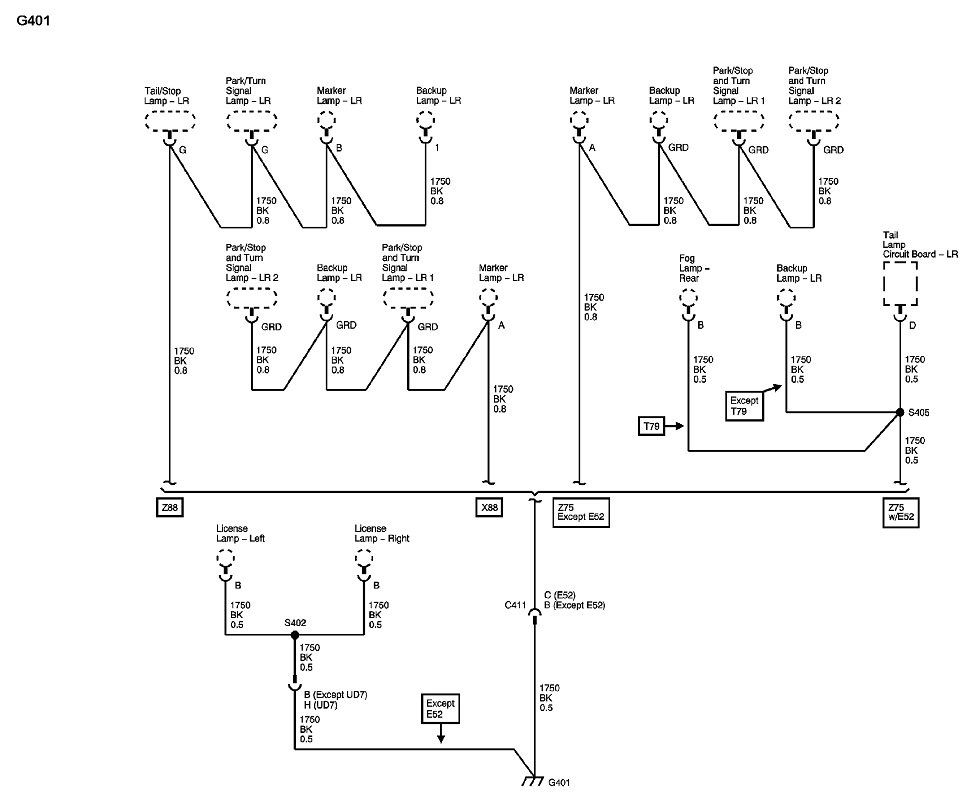
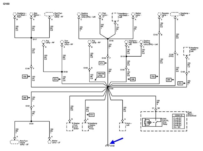
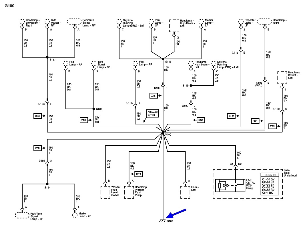
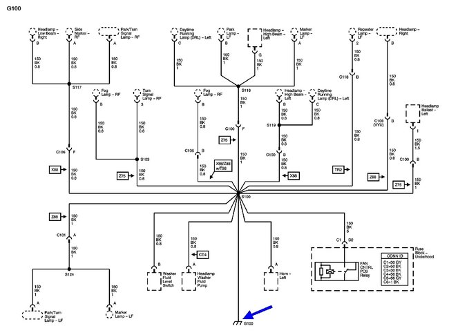
These are the diagrams that show all the ground circuits on your truck. In the first one, my blue arrow at the bottom is pointing to the symbol used to indicate the ground terminal that is bolted to the body sheet metal or frame. You'll see there are grounds for a lot of circuits that are all tied together in any one ground terminal. That means two things can happen. If a ground terminal is rusted where it bolts to the sheet metal, or the wires are corroded inside that terminal, all of those multiple circuits may be dead, or, . . . current flowing through one circuit will not be able to find its path to ground, but will "back feed" backwards through one of the other circuits, causing both circuits to try to work, but incorrectly. A real common example of this is with a bad ground at a rear light assembly, a turn signal appears to work normally until the head and tail lights are turned on, then the signal stops flashing.
What you're asking to do is look for the solution without defining the problem. That's like your doctor writing a prescription for you, then he asks why you came in to see him. We have to approach this the other way. Start with the symptom or problem, then add as much detail, observations, or seemingly unrelated clues you can find. Any history that led up to this problem is also helpful. You've already listed the mileage. We look at that, and the age of the truck, when making judgment calls as to best suspects or best places to start the diagnosis.
If you're having an engine performance or running problem, I may need to format engine sensor diagrams for us to use. Also, with running problems, the first place to start is by reading and recording any diagnostic fault codes. The people at many auto parts stores will do that for you for free, but be aware, those codes never say to replace a part or that one is bad. They only indicate the circuit or system that needs further diagnosis, or the unacceptable operating condition. There's well over 2000 potential fault codes, and only about half of them refer to things that could adversely affect emissions. Those are the codes that turn on the Check Engine light. The other half of those codes can be set, but with no Check Engine light. Many people incorrectly think the Check Engine light has to be on for there to be a code in a computer.
If you need any of these diagrams expanded for easier viewing, let me know. See how far this gets you and list any fault code numbers you come up with.
Images (Click to enlarge)
Aug 27, 2022 at 4:04 PM