Headlights not working

2000 FORD WINDSTAR
200,000 MILES • 6 CYL • 2WD
Avatar
BRYAN BRUNER
  • MEMBER
  • 1 POST
The right headlight does not turn on. found a ground wire hanging loose, need to know where it goes.
Apr 19, 2021 at 7:31 PM
Advertisement
Avatar
JACOBANDNICKOLAS
  • CERTIFIED EXPERT
  • 110,175 POSTS
Hi,

Where is the ground located? There is no ground right from the bulb. Ground is provided via the front electric module. The ground for the module is located in the vehicle, left kick panel. If it was bad, neither light would work.

I can tell you that the headlamps each have a fuse. Did you check if the fuse was bad?

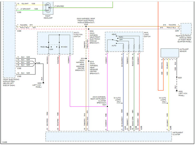
I attached the entire wiring schematic for the headlamps. I highlighted the right head lamp, the fuses, and the wires going to the module I mentioned. Check the fuse to see if it is good. In addition to checking the fuse, confirm there is power to and from it.

Here is a link you may find helpful:

https://www.2carpros.com/articles/how-to-check-a-car-fuse

Pics 1 and 2 are the schematic. I had to cut it in half to make it readable. However, I did overlap them so you can follow from one to the next.

Note: The wiring schematic shows fuse 15 is for the right front light. When I look at the battery junction box information, it shows 16. Check both to be sure.

Pics 5 and 6 are to help locate the fuses. The box is under the hood on the driver's side. Based on which v6 you have, a 3.0 or a 3.8, will determine the exact location. Pic 3 is for the 3.0L and pc 4 is for the 3.8L.

Here is another link you may find helpful if you check for power at the light:

https://www.2carpros.com/articles/how-to-check-wiring

I hope this helps. Let me know what you find or if you have other questions.

Take care,

Joe

See pics below.



Apr 19, 2021 at 8:26 PM