Grinding noise will not turn over

2005 JEEP LIBERTY
160,000 MILES • 3.7L • 6 CYL • 4WD • AUTOMATIC
Avatar
CASMIHOK
  • MEMBER
  • 205 POSTS
Hello everybody hope you're doing well,

My vehicle has been sitting for about a two weeks because it has a misfire. I put in six new spark plugs and a new ignition coil in cylinder B because it was melted and giving me an error code. I went to start it for the first time this morning and it wouldn't do anything. It just made a click sound, it isn't even turning over.
I asked my buddy to come give me a jump and even with starting cables hooked up I couldn't get it to start.
It is making an aggressive grinding sound coming from the driver side and it sounds like its coming from the back of the hood. Driver side further back if that makes sense. Let me know if you need clarification. What could be causing this and hopefully its a quick fix?
My buddy said it sounds like the solenoid is going but the starter isn't actually turning? He isn't a mechanic and he said he's not positive, he's mediocre but knowledgeable for sure. He could be wrong.
Any feedback? Would you like me to take a video of the noise?
Nov 13, 2019 at 2:44 PM
Advertisement
Avatar
ASEMASTER6371
  • CERTIFIED EXPERT
  • 52,796 POSTS
Good afternoon,

Can you upload a video of the noise for us to hear?

Roy
Nov 13, 2019 at 2:59 PM
Avatar
CASMIHOK
  • MEMBER
  • 205 POSTS
You got it.
Nov 13, 2019 at 3:29 PM
Advertisement
Avatar
CASMIHOK
  • MEMBER
  • 205 POSTS
Thank you.
Nov 13, 2019 at 3:32 PM
Avatar
ASEMASTER6371
  • CERTIFIED EXPERT
  • 52,796 POSTS
Okay, thanks. That is the ABS self-test. It is a bit loud but that is okay.

Did you check the battery voltage to be sure there is enough power for it to start?

https://www.2carpros.com/articles/car-battery-load-test

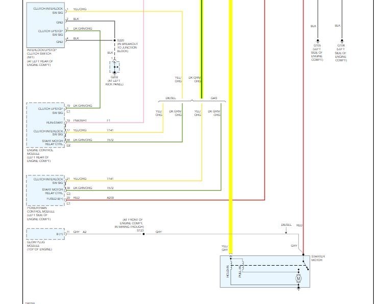
I attached a wiring diagram of the starting system. If you have a voltmeter or test light, we can do some checks.


Roy
Nov 13, 2019 at 3:36 PM
Avatar
CASMIHOK
  • MEMBER
  • 205 POSTS
Thank you Roy, I appreciate the responses greatly, and I don't have a voltmeter. My friend let me borrow his multi-meter, is that different? I am not experienced with electrical, my battery should be fine though. I have never had a problem starting it before, like I said it's been sitting for about two weeks and its been about 20 degrees for a few days now.
I also just had my friend over to jump it. It wouldn't start even with cables, so where does that leave me?
Thanks again Roy, you're the best.
Nov 13, 2019 at 4:55 PM
Avatar
ASEMASTER6371
  • CERTIFIED EXPERT
  • 52,796 POSTS
We need to do some testing with the meter you have. Verify power to the fuse in the diagram I sent you.

Roy
Nov 13, 2019 at 5:02 PM
Avatar
CASMIHOK
  • MEMBER
  • 205 POSTS
Okay will do, thank you.
Nov 14, 2019 at 10:31 AM
Avatar
ASEMASTER6371
  • CERTIFIED EXPERT
  • 52,796 POSTS
Let me know when you are ready.

Roy
Nov 14, 2019 at 10:47 AM
Avatar
CASMIHOK
  • MEMBER
  • 205 POSTS
Thank you, Roy. I can't read that very well, it's pretty blurry. Would taking my battery to get tested at Advanced Auto help?
Thank you
Cas
Nov 14, 2019 at 1:20 PM
Avatar
ASEMASTER6371
  • CERTIFIED EXPERT
  • 52,796 POSTS
Yes, it would. But beyond that, we need to do some testing. I will guide you through it.

Roy
Nov 14, 2019 at 1:27 PM
Avatar
CASMIHOK
  • MEMBER
  • 205 POSTS
Okay, I have a multimeter. Where do I start?

Thank you
Cas
Nov 14, 2019 at 1:32 PM
Avatar
ASEMASTER6371
  • CERTIFIED EXPERT
  • 52,796 POSTS
How did the battery test turn out?

Roy
Nov 14, 2019 at 1:36 PM
Avatar
CASMIHOK
  • MEMBER
  • 205 POSTS
Actually replacing the battery in my Gmas Pt cruiser so I just placed that order and am bringing my Jeep battery to test in about 20 minutes or so, I will let you know! :)
Nov 14, 2019 at 2:11 PM
Avatar
ASEMASTER6371
  • CERTIFIED EXPERT
  • 52,796 POSTS
Sounds like a plan.

Roy
Nov 14, 2019 at 2:13 PM
Avatar
CASMIHOK
  • MEMBER
  • 205 POSTS
Hi Roy,

Sorry for the late response!
Charging my battery at Advanced Auto seemed to do the trick. My cars running, had to add some transmission fluid from the leak. The only code its giving me now is P0839. This is the code I am getting when I turn my key on three times, not from a code scanner.
I was previously getting the crankshaft sensor code, is it possible that was an error code that is fixed now that I replaced an ignition coil?
I bought the crankshaft sensor so I have it new, I just don't know if I should replace it or if I could return it now that I am not getting that code. Thanks!
Have a great day.
Cas
Nov 16, 2019 at 9:20 AM
Avatar
ASEMASTER6371
  • CERTIFIED EXPERT
  • 52,796 POSTS
I would keep it and if the code returns, replace it.

The 839 is for the 4 wheel drive unit. I posted the possibilities below.

Roy

Nov 16, 2019 at 9:26 AM
Avatar
CASMIHOK
  • MEMBER
  • 205 POSTS
I appreciate it. thank you, thank you for all your help, kind Sir.
Nov 16, 2019 at 9:29 AM
Avatar
ASEMASTER6371
  • CERTIFIED EXPERT
  • 52,796 POSTS
You are welcome.

Always glad to help.

Roy
Nov 16, 2019 at 9:30 AM