Green light not turning on

2004 ACURA RL
1,200,000 MILES • 3.5L • 2WD • AUTOMATIC
Avatar
RICKVARGAS
  • MEMBER
  • 1 POST
When I put the key the green light does not turn telling me that it recognize the key. In turn the security system turn on and shuts off fuel supply to car so it will not start. Had key replaced and it seemed to work fine, but it is doing the same thing again. Can I disable the security feature that shuts fuel system off? Or what do I replace the immobilizer?
Aug 22, 2018 at 1:15 PM
Advertisement
Avatar
STRAILER
  • CERTIFIED EXPERT
  • 53,854 POSTS
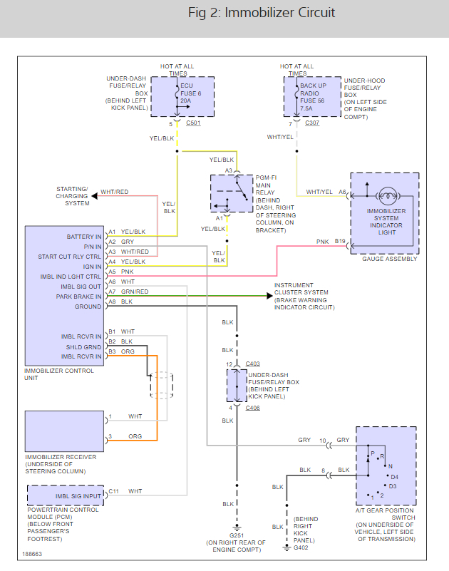
You cannot bypass the alarm it sounds like the immobilizer unit is going out here is the location and the security system wiring diagrams so you can see how the system works.

You will need to get the new unit initialized before it will work. I have also seen the alarm horn which has a battery in it cause this issue as well. Here is a video of the job being done on a different car but the procedure is the same:

https://youtu.be/3S0Ns3O3ULA

Check out the diagrams (below). Please let us know what happens.

Cheers, Ken
Aug 24, 2018 at 6:27 PM