Good diagram of HVAC system needed

1999 CHEVROLET SUBURBAN
213,000 MILES • 5.7L • V8 • 2WD • AUTOMATIC
Avatar
JNARON_NGC
  • MEMBER
  • 7 POSTS
Good drawing of HVAC system components with part numbers needed. My old reliable vehicle (listed above) had the heater control valve disintegrate. I have purchased 3 manuals so far and none have any component breakdowns with drawings of system components. Can anyone share this with me?
Jun 3, 2021 at 10:39 AM
Advertisement
Avatar
DANNY L
  • CERTIFIED EXPERT
  • 5,648 POSTS
Hello, I'm Danny.

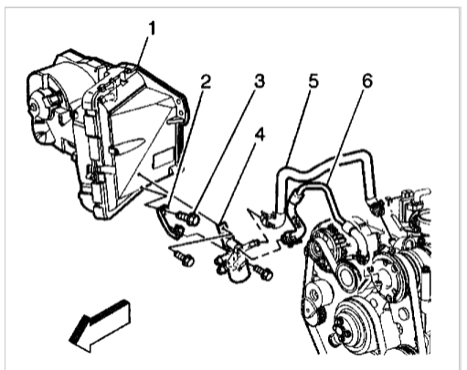
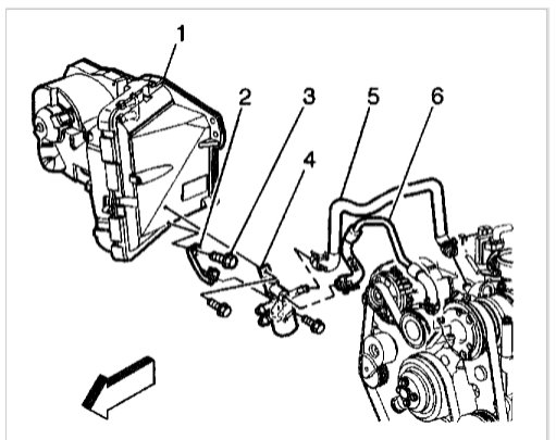
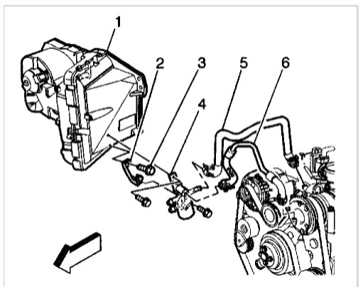
We have access to pictures but it's more of individual components. I've attached a few pictures below of some system components on your Suburban. I've also attached replacement steps for the heater control valve you mentioned that failed. I've also attached a picture of the heater control valve Chevrolet part number. Let us know if you have any further questions on this issue. Hope this helps and thanks for using 2CarPros.
Jun 3, 2021 at 11:41 AM
Avatar
JNARON_NGC
  • MEMBER
  • 7 POSTS
Thanks for the reply Danny.

The heater control valve I am replacing is located in the engine compartment next to firewall. Drawings I am looking for have indexes showing what part #_ is with part number. I have looked everywhere and have paid for 3 manuals and none of them have such drawings, detailed.
Jun 4, 2021 at 7:27 AM
Advertisement
Avatar
DANNY L
  • CERTIFIED EXPERT
  • 5,648 POSTS
Hello again.

Is the valve you mention be in the number 6 photo I attached in my prior post in location # 4 of said picture? Let us know and we'll go from there. Hope this helps and thanks again for using 2CarPros.

Danny-
Jun 4, 2021 at 8:19 PM
Avatar
JNARON_NGC
  • MEMBER
  • 7 POSTS
Part #12380318.
Jun 5, 2021 at 7:29 AM
Avatar
DANNY L
  • CERTIFIED EXPERT
  • 5,648 POSTS
Hello again.

Can you use your cell phone to take a picture of the valve and its location and upload here? Hope this helps and thanks again for using 2CarPros.

Danny-
Jun 5, 2021 at 4:52 PM