You will have to use the lift-gate trim panel plug to open it and then remove the lift-gate trim panel to inspect the latching mechanism. Try lubricating the latch with WD40 and see if that helps the issue.
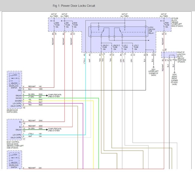
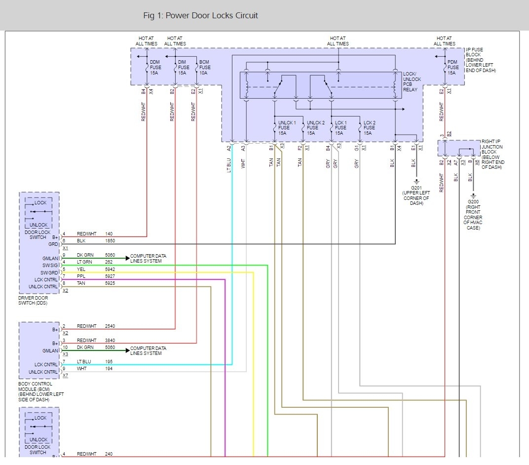
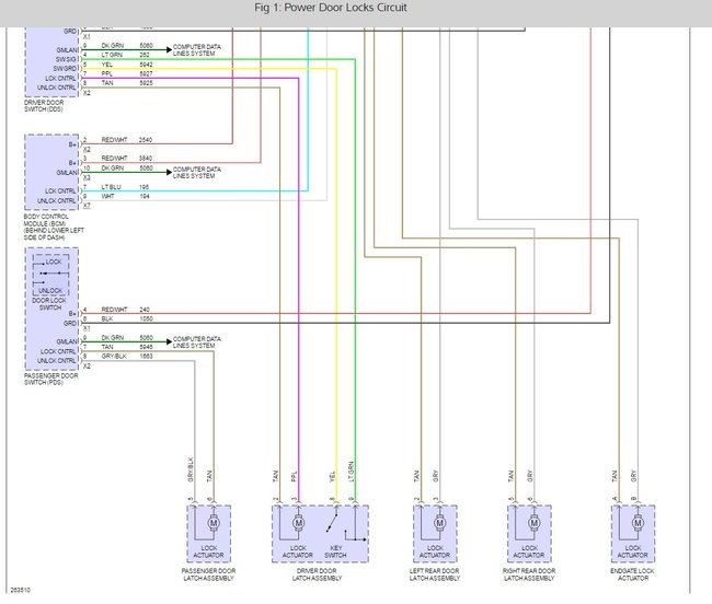
Since the gate is opening manually you can easily remove the trim panel to access the motor. Before doing this though, you can check the fuse labeled LCK2 (15 amp) , OBS DET (10 amp) and UNLCK2 (15 amp) all in the instrument panel fuse block located at the left side of the instrument panel behind the access panel.
If these fuses are good then the lift-gate release relay may be bad, unfortunately this is a printed circuit board (PCB) relay which means it is built into the fuse block, so if it is bad the entire block must be replaced. You said you hear a noise when pushing the button though, so I would assume that is the relay clicking. You can test the motor by supplying twelve volts direct power to it from a twelve volts source (i.e. spare car battery). With twelve volts direct power and a ground, the motor should run without using a switch. If it does not run this way the motor is bad, if it does run then power is not getting to it.
If the lift-gate is not opening manually you will have to locate the dimple on the trim panel. Use a 1 1/16" drill bit to drill a hole through the trim panel in the dimple area. Use a flat blade tool (i.e. screwdriver) to push down on the black bell-crank lever through the plug hole to unlock the lift-gate. Push open the lift-gate from the inside.
Nov 8, 2010 at 11:04 PM