starter removal

2001 GMC YUKON
Avatar
BIGJIM7070
  • MEMBER
  • 1 POST
Electrical problem V8 All Wheel Drive Automatic 54000 miles

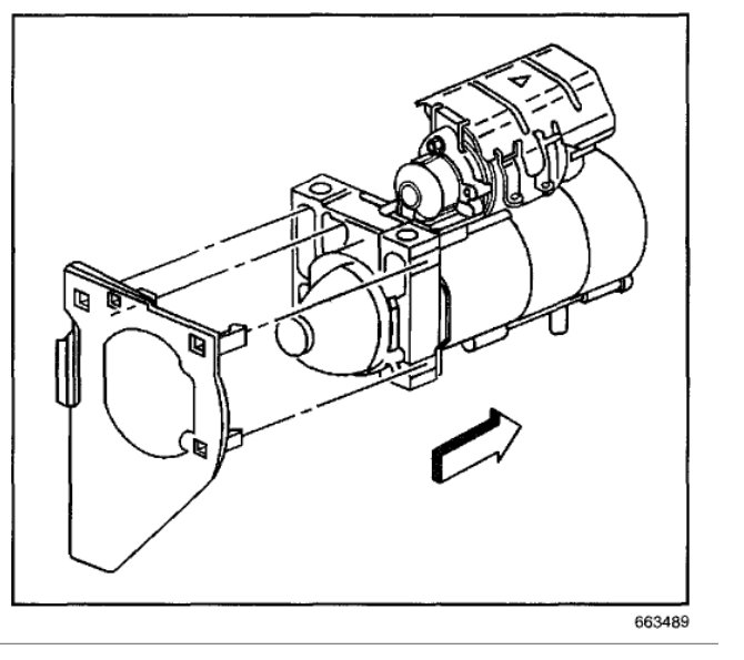
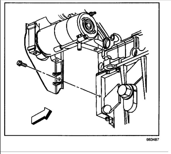
Cannot remove starter after removing starter bolts, oil sensor connector and trans housing bolt. Starter will not clear transmission. It must go forward about (1) inch more. Any Ideas?
Nov 13, 2008 at 4:08 PM
Advertisement
Avatar
STRAILER
  • CERTIFIED EXPERT
  • 53,854 POSTS
It should come out but if not remove the through bolt from the right side motor mount and jack the engine up a couple of inches.

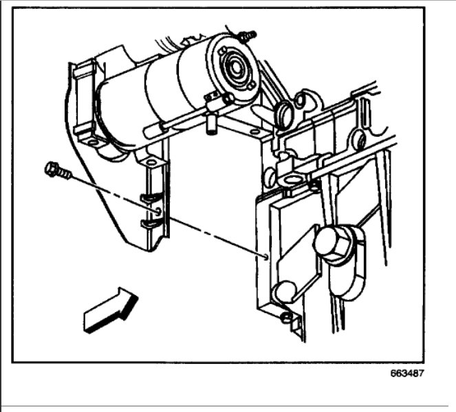
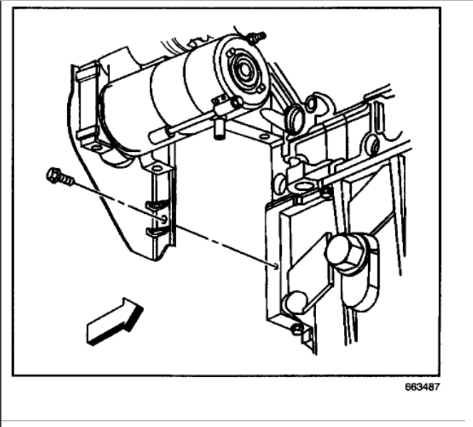
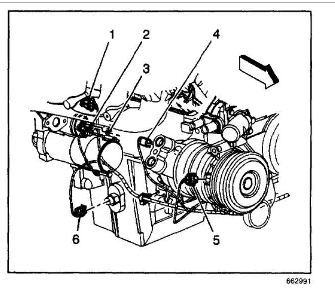
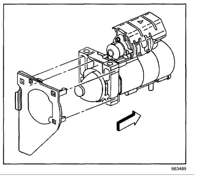
Here is guide to help you see what you are in for when doing the job.

https://www.2carpros.com/articles/how-to-replace-a-starter-motor

Here are some diagrams of what it is like on your car (below)

You will need to raise the car as well

https://www.2carpros.com/articles/jack-up-and-lift-your-car-safely

Please let us know if you need anything else to get the problem fixed.

Cheers, Ken
Oct 17, 2017 at 6:24 PM
Avatar
VALERIEH
  • MEMBER
  • 1 POST
Electrical problem
1994 GMC Yukon V8 Four Wheel Drive Automatic

i'm a 53 yr old female that has a need to accomplish replacing my own dead starter. i have the new part, underneath my truck and can't find the 2 bolts that need to be removed. please help
Oct 17, 2017 at 6:25 PM (Merged)
Advertisement
Avatar
HANDSHAKE
  • MEMBER
  • 13 POSTS
Electrical problem
2006 GMC Yukon V8 Two Wheel Drive Automatic 75000 miles

Sometimes during cranking a grinding/clanking noise comes from the starter. Is the battery not strong enough and the starter having trouble turning? or does the starter need replacing? Any pictures or replacement tips would be helpful. You guys really helped me with a back latch issue and I hope I donated enough, this is an awesome website.
Oct 17, 2017 at 6:25 PM (Merged)
Avatar
JAMES W.
  • CERTIFIED EXPERT
  • 2,394 POSTS
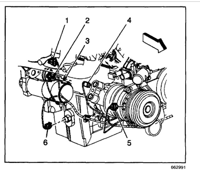
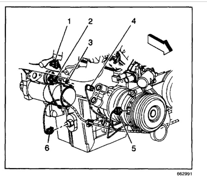
Sounds like the starter solenoid or solenoid linkage is worn. Your best bet is to change the entire starter and solenoid as a unit. You could just change one or the other but, it'll come back to haunt you if you do. Disconnect the neg term on the battery, then it's just 2 bolts (15mm) that hold it in place. NOTE; If there are any metal shims between the old starter and the engine block, be sure you reuse them on the new one. Hope this helps.
Oct 17, 2017 at 6:25 PM (Merged)
Avatar
HANDSHAKE
  • MEMBER
  • 13 POSTS
[quote:2adccb3219="James R. Weizel"]Sounds like the starter solenoid or solenoid linkage is worn. Your best bet is to change the entire starter and solenoid as a unit. You could just change one or the other but, it'll come back to haunt you if you do. Disconnect the neg term on the battery, then it's just 2 bolts (15mm) that hold it in place. NOTE; If there are any metal shims between the old starter and the engine block, be sure you reuse them on the new one. Hope this helps.[/quote:2adccb3219]

Awesome... and the problem is solved...Thanks James
Oct 17, 2017 at 6:25 PM (Merged)
Avatar
WRENCHTECH
  • CERTIFIED EXPERT
  • 20,761 POSTS
Is it staying engaged after the engine starts?
Oct 17, 2017 at 6:25 PM (Merged)
Avatar
CORYJTREPANIER
  • MEMBER
  • 1 POST
We are having a problem with a 2000 Yukon Denali starter. We replaced it twice since the original drive gear went out. The housing on the replacement starters keeps shattering after about 10 times of starting the vehicle. There were no shims on the original starter so I did not put any on the new ones. Any ideas as to why they keep shattering? There is 81,543 miles on vehicle
Oct 17, 2017 at 6:25 PM (Merged)
Avatar
SERVICE WRITER
  • CERTIFIED EXPERT
  • 9,123 POSTS
Each casting is not 100% identicle. Sounds like a shimming problem, but I would expect the starter to be screaming when you crank it. Is the mounting surface clean or surface corrosion present? Did the gear loked lined up well? Is there damage on the flywheel teeth? The flywheel may have had a weld let go from the original drive gear problem if it went out of aline. Try to get a real good look at the flywheel if possible.
Oct 17, 2017 at 6:25 PM (Merged)
Avatar
SERVICE WRITER
  • CERTIFIED EXPERT
  • 9,123 POSTS
Check for DTC po 338 in the computer first.

Replace the crankshaft position sensor if this codes is present. Check engine block at starter boss, the starter drive housing, and the engine flywheel starter ring gear for damage from this condition as well.
Oct 17, 2017 at 6:25 PM (Merged)
Avatar
TERATAZZ
  • MEMBER
  • 1 POST
How do I install a push button starter switch? There are two wires from switch. Which wires go where? The box that's under my ignition is broken so I'm trying to bypass that box to be able to start my truck and I'm not sure how to do it. Please help me!!
Oct 17, 2017 at 6:25 PM (Merged)
Avatar
WRENCHTECH
  • CERTIFIED EXPERT
  • 20,761 POSTS
I don't know what it is that you think you're bypassing by you can't use a push button. The vehicle has an immobilizer.
Oct 17, 2017 at 6:26 PM (Merged)