wiring diagram for firing order

1998 GMC SIERRA
218,000 MILES • V8 • 4WD • AUTOMATIC
Avatar
BOB IZUMI
  • MEMBER
  • 1 POST
I just changed the cap, rotor, plugs and wires and can't get it to fire, i'm looking for the diagram for the firing order?
Feb 26, 2009 at 9:12 PM
Advertisement
Avatar
RASMATAZ
  • CERTIFIED EXPERT
  • 75,992 POSTS
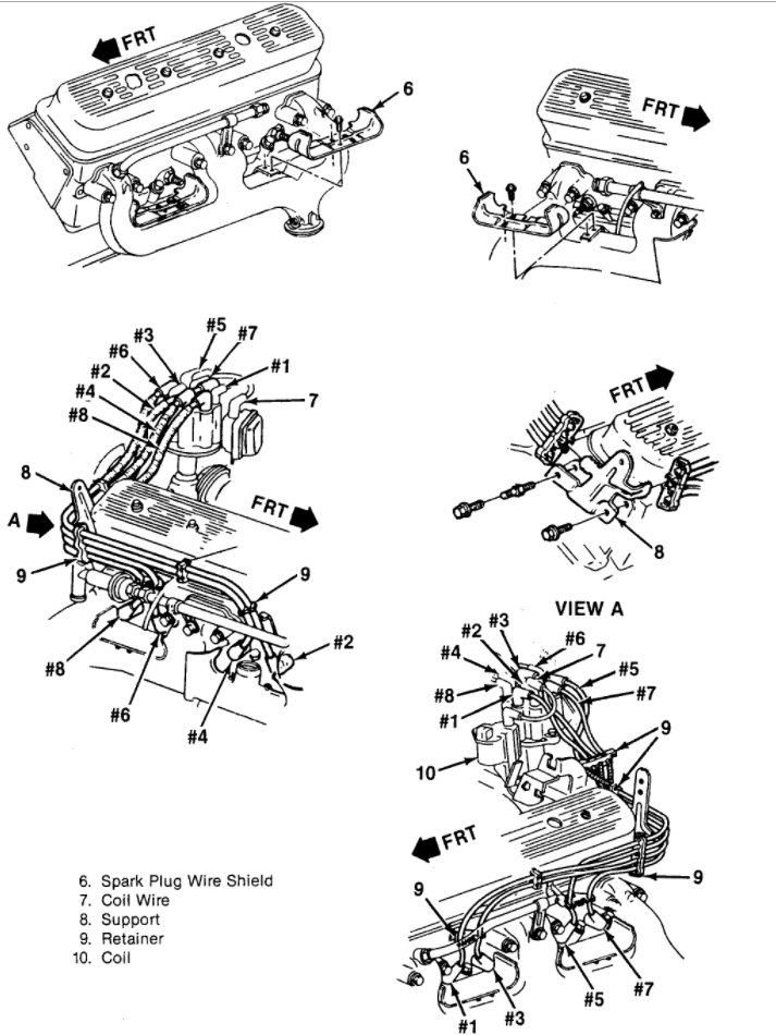
Check out the diagrams (Below). Please let us know if you need anything else to get the problem fixed.


https://www.2carpros.com/forum/automotive_pictures/12900_fo_39.jpg

Feb 26, 2009 at 9:23 PM
Avatar
KORTEGA
  • MEMBER
  • 1 POST
i need the firing order for my truck it has a 5.0 vortec engine
May 23, 2019 at 2:52 PM (Merged)
Advertisement
Avatar
BLUELIGHTNIN6
  • CERTIFIED EXPERT
  • 16,542 POSTS
Firing order 1-8-4-3-6-5-7-2

--------------- | 2 4 6 8 1 3 5 7 | --------------- Distributor rotates clockwise .
May 23, 2019 at 2:52 PM (Merged)
Avatar
NEWAVDAVE1
  • MEMBER
  • 1 POST
Electrical problem V8 Four Wheel Drive Automatic 100000 miles

need firing order & diagram please I love this site.
Jan 21, 2021 at 9:04 AM (Merged)
Avatar
STRAILER
  • CERTIFIED EXPERT
  • 53,854 POSTS
The firing order is V8 18436572 here is both the v6 and v8 engine (below).

v6 - Firing Order1-6-5-4-3-2

Here is a guide to show you how to tune up your car

https://www.2carpros.com/articles/how-to-tune-up-a-car-engine


Spark plug wire stats.


0-15 inch cable 3,000 - 10,000 ohms.
15-25 inch cable 4,000 - 15,000 ohms.
25-35 inch cable 6,000 - 20,000 ohms.
NOTE: Longer wires should measure about 5,000 to 10,000 ohms per foot.

Please let us know if you need anything else to get the problem fixed.

Cheers, Ken
Jan 21, 2021 at 9:04 AM (Merged)
Avatar
32RENZ
  • MEMBER
  • 1 POST
Engine Performance problem
1986 GMC Sierra V8 Two Wheel Drive Automatic

I need the firing order on gmc suburban
Jan 21, 2021 at 9:04 AM (Merged)
Avatar
MHPAUTOS
  • CERTIFIED EXPERT
  • 31,937 POSTS
The firing order is 1 8 4 3 6 5 7 2 driverside head 1357 passenger 2468
get #1 cylinder up on compression stroke and see where the rotor is pointing this will be the start of your firing order goes clockwise

Mark (mhpautos)
Jan 21, 2021 at 9:04 AM (Merged)