Replacing Motor Mounts?

2004 CHEVROLET S-10
Avatar
MOJO NASSAU
  • MEMBER
  • 1 POST
2.2 s10 truck - I need to replace the motor mounts. What is the procedure to do this please? I am handy with DYI automotive jobs but I have never attempted to do this procedure before.
FYI; I have replaced half shafts w/CV Joints, removed and reset a head, replaced radiators. I have ramps and the normal set of hand tools.
Some guidance please.
Mar 19, 2006 at 6:33 PM
Advertisement
Avatar
STRAILER
  • CERTIFIED EXPERT
  • 53,854 POSTS
Hello,

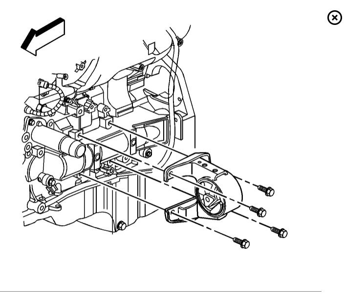
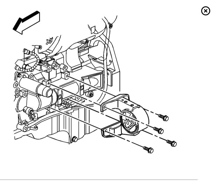
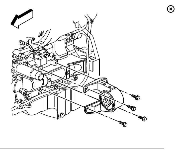
Here is the instructions from the manual with diagrams (BELOW).

Remove the wheel and tire assembly. Refer to Tire and Wheel Removal and Installation (See: MaintenanceWheels and TiresService and Repair).
Remove the engine shield, if equipped. Refer to Engine Protection Shield Replacement (See: Body and FrameFrameSkid PlateService and Repair).
Remove the lower intermediate steering shaft. Refer to Lower Intermediate Steering Shaft Replacement (See: Steering and SuspensionSteeringSteering ColumnService and RepairLower Intermediate Steering Shaft Replacement).

Support the engine using a jack stand and a block of wood.
Remove the engine mount-to-frame bracket through bolt for the mount being replaced.
Loosen the right side through bolt.
Remove the heater pipe bracket bolt from the engine mount. Refer to Heater Outlet Hose Replacement (See: Cooling SystemHeater HoseService and RepairHeater Outlet Hose Replacement).
Raise the engine using the jack stand; the engine will tilt to one side.

Remove the engine mount bolts.
Remove the engine mount. You will need to articulate the mount in order to remove the mount.
Installation Procedure Note: You will need to articulate the mount in order to install the mount.

Install the engine mount.

Install the engine mount bolts.

Caution: Refer to Fastener Caution (See: Service PrecautionsVehicle Damage WarningsFastener Caution).

To aid in the installation of the bolts, start a bolt in position (1) first. Tighten the bolts to 50 Nm (37 lb ft) .
Lower the engine.

Install the engine mount-to-frame bracket through bolt and tighten to 85 Nm (63 lb ft) .
Install the engine coolant pipe bracket bolt from the engine mount. Refer to Heater Outlet Hose Replacement (See: Cooling SystemHeater HoseService and RepairHeater Outlet Hose Replacement).
Remove the jack stand.
Install the lower intermediate steering shaft.
Install the engine shield, if equipped.
Install the wheel and tire assembly.

Check out the diagrams (Below). Please let us know if you need anything else to get the problem fixed.
May 18, 2017 at 11:42 AM
Avatar
JBORDEN5
  • MEMBER
  • 3 POSTS
how do i replace my driverside motor mount on a 1998 s-10 4 cyl?
Oct 3, 2020 at 10:16 AM (Merged)
Advertisement
Avatar
HMAC300
  • CERTIFIED EXPERT
  • 48,601 POSTS
pretty much you will need to unbotl it fromt the frame, jack the engine up andunbolt it from the engine and reverse to install
Oct 3, 2020 at 10:16 AM (Merged)
Avatar
TONYCAM
  • MEMBER
  • 8 POSTS
yea raise the engine and remove it it will be in two peices if it is broke so un bolt the engine side and the frame side and when you put the new one in you will have only one piece
Oct 3, 2020 at 10:16 AM (Merged)
Avatar
2CP-ARCHIVES
  • MEMBER
  • 4,540 POSTS
How can I tell if motor mounts are broken. What are the signs.

Oct 3, 2020 at 10:17 AM (Merged)
Avatar
HMAC300
  • CERTIFIED EXPERT
  • 48,601 POSTS
have an assistant stand to the side and nothing in front of you or behind you. appy brake put in drive and brake torque truck. if engine lifts up on lh side alot the lh one is broken. do the same in reverse and rh is broken make sure your hood is up so assistant can see engine move
Oct 3, 2020 at 10:17 AM (Merged)
Avatar
SHUA1180
  • MEMBER
  • 4 POSTS
I have a bad vibration in my truck that occurs throughout all speeds. It can be felt through the whole truck which makes it difficult to pinpoint it to the front or back. There is no significant shimmy in the steering wheel. The vibration feels consistent through the entire cab. I've already eliminated the possibility out of balance tires, bent rims, checked all u-joints,
replaced carrier bearing, and replaced trans mount. I've ran it up on stands and can't find any noticeable movement or wobble in the drive shaft, pinion flange, or the axles but can still feel the vibration.
I've just found that the motor mounts need replaced. The rubber has compressed and deteriorated and there is a lot of shaking at idle but not to the point of the engine contacting the frame. I am wondering if the two issues are connected. I only hear stories about mounts causing vibration at idle, but will it also cause it through all speeds?
I also noticed the vibration seems to have a consistent repeating pattern to it when driving and I sometimes feel the same pattern when the truck is stopped and in drive, which leads me to believe the mounts may be the cause. Its the first time I've had to deal with motor mounts, so I am not familiar with all the symptoms. The truck is an 89 s10 standard cab/long bed with a 4.3L and auto transmission. Thanks for any help or opinions.
Oct 3, 2020 at 10:17 AM (Merged)
Avatar
ASEMASTER6371
  • CERTIFIED EXPERT
  • 52,796 POSTS
did you remove the driveshaft to see if the joints are free?? if they are seized up, it will do this exact thing.
Roy
Oct 3, 2020 at 10:17 AM (Merged)
Avatar
SHUA1180
  • MEMBER
  • 4 POSTS
Yeah, I pulled the driveshaft and checked everything from the trans output back.
Oct 3, 2020 at 10:17 AM (Merged)
Avatar
ASEMASTER6371
  • CERTIFIED EXPERT
  • 52,796 POSTS
the other thing i can think of is the flywheel. if it is cracked, it can cause the vibration in the power train.

does it vibrate when it is in park??

Roy
Oct 3, 2020 at 10:17 AM (Merged)
Avatar
SHUA1180
  • MEMBER
  • 4 POSTS
Yes, it does vibrate in park. I am positive the mounts need replaced but I just don't know if it is possible to cause the issue or if they are two separate things. Like I said the vibration has a pattern to it that could be similar to the firing order of the engine.
Oct 3, 2020 at 10:17 AM (Merged)
Avatar
MHPAUTOS
  • CERTIFIED EXPERT
  • 31,937 POSTS
I would be checking the engine mounts for softness and if they have collapsed i would replace them.
Oct 3, 2020 at 10:17 AM (Merged)