Just bought this truck (k2500, gas) few days ago and something looks weird in my EGR system.
The EGR Valve is disconnected and I am missing the solenoid as well. But looking at the TBI am missing the vacuum pipe and the harness that I have does not fit any of the solenoid I found.
Adding some pictures here maybe someone can shed some light here ...
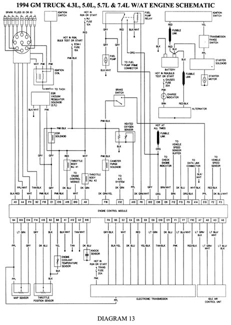
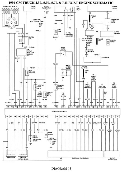
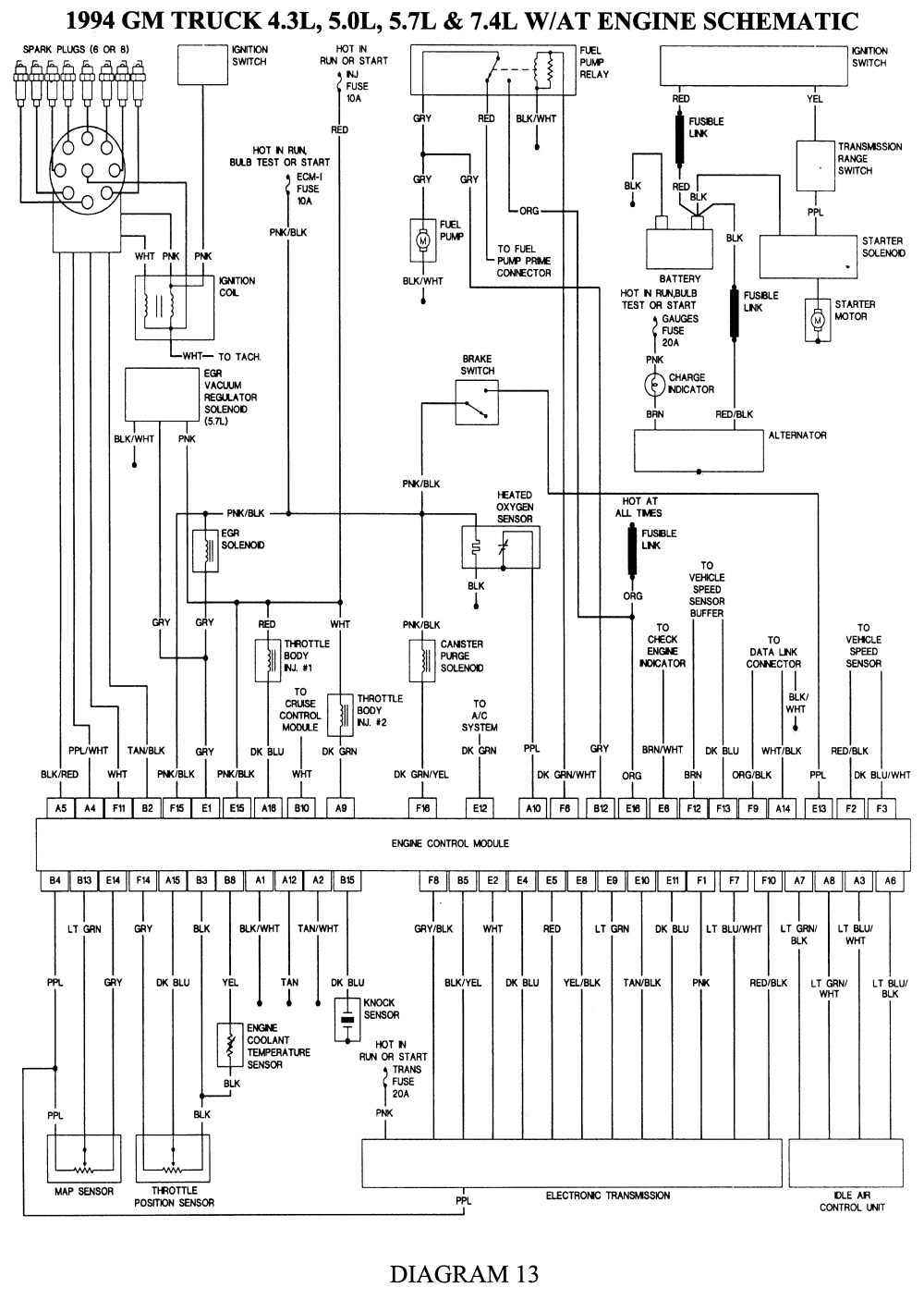
On the other hand the wiring diagram that I have specifying a EGR regulator that am missing on my block as well.
Thanks in advance.
Tal
The EGR Valve is disconnected and I am missing the solenoid as well. But looking at the TBI am missing the vacuum pipe and the harness that I have does not fit any of the solenoid I found.
Adding some pictures here maybe someone can shed some light here ...
On the other hand the wiring diagram that I have specifying a EGR regulator that am missing on my block as well.
Thanks in advance.
Tal
Apr 20, 2021 at 4:40 AM














