☰
Login
Join
×
Home
Answered Questions
Repair Topics
Repair & Service Guides
Popular Questions
Warning Lights
Trouble Codes
How It Works
Testing / Diagnostics
Symptoms
Videos
Login
Become a Member
Home
GMC
Jimmy
Trouble Codes
P Codes (Powertrain)
P0100 - P0199
P0174
Codes po171 and po174 what are these codes for?
1996 GMC JIMMY
10,030 MILES • 4 CYL • 2WD • AUTOMATIC
BBARRETO
MEMBER
1 POST
FOLLOW
Please tell me what these codes stand for and the diagnosis.
Apr 15, 2010 at 11:08 AM
Advertisement
SQM
CERTIFIED EXPERT
6,383 POSTS
Hello,
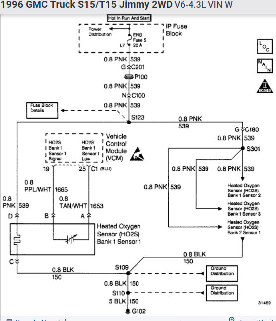
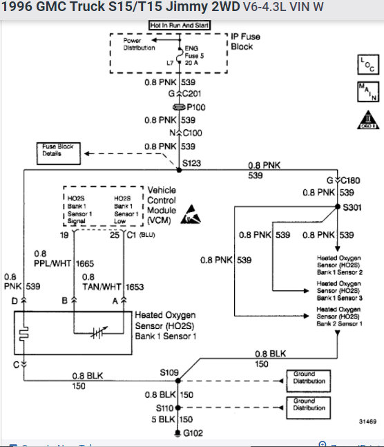
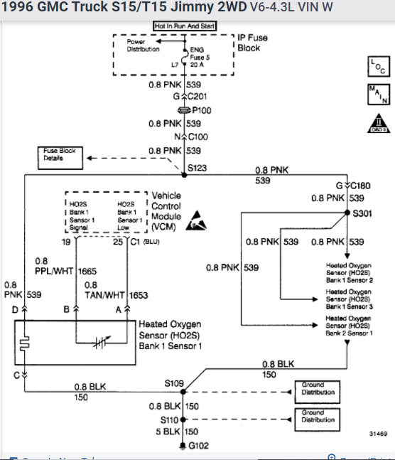
Here are the codes:
P0171 Fuel Trim System Lean Bank 1
P0174 Fuel Trim System Lean Bank 2
https://www.2carpros.com/articles/check-engine-light-clear-codes
See attached for the diagnostics.
Thank you.
Images (Click to enlarge)
Jul 15, 2021 at 8:43 PM