should not fail that quickly but if it is faulty again then it's simple to replace. just disconnect battery, disconnect switch, unbolt from mounting bracket and replace.
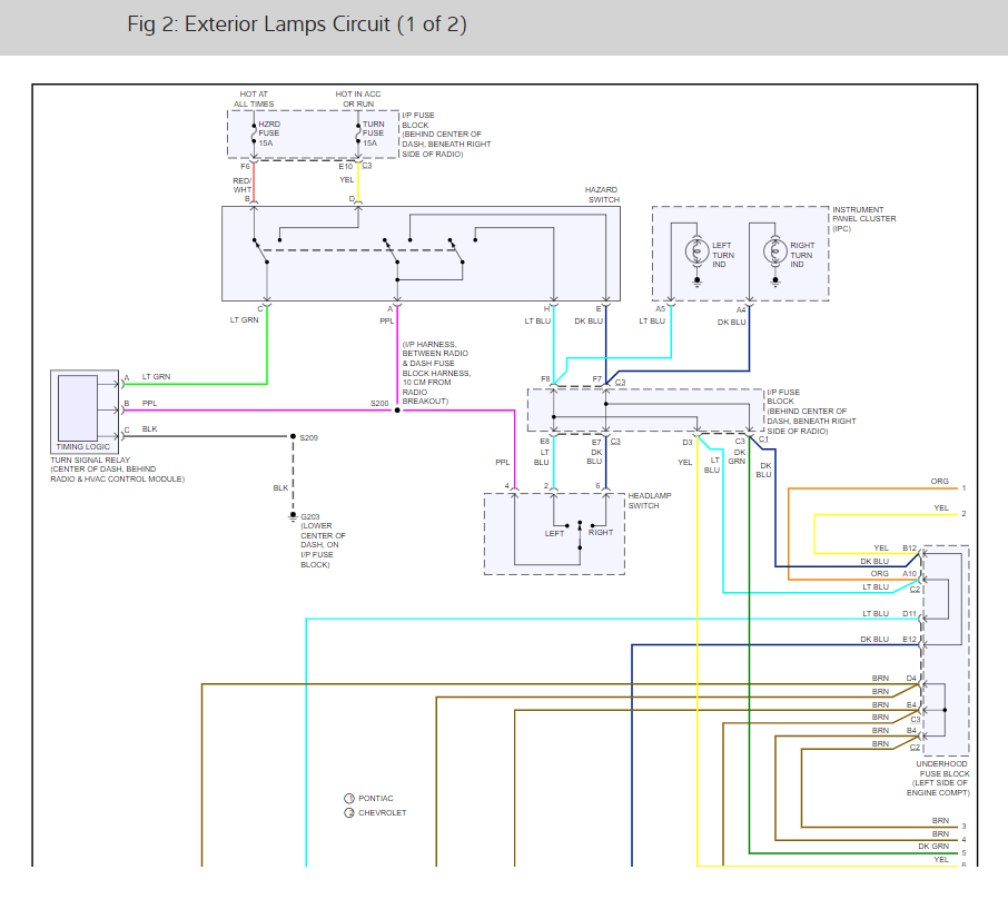
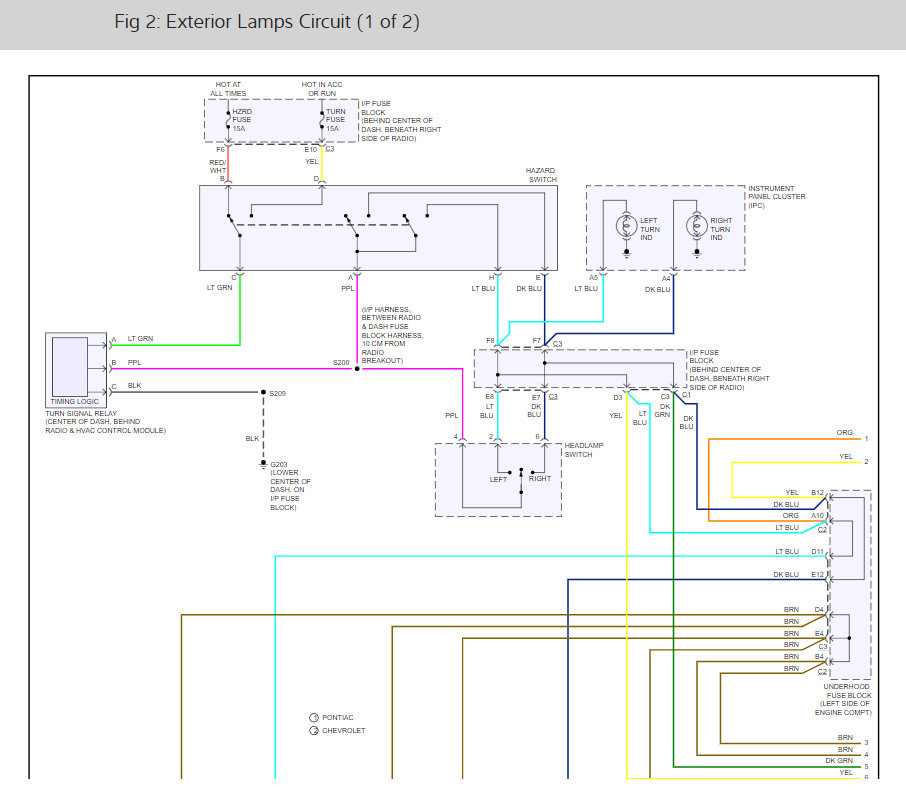
This guide can help you fix brake light problems also I have included the brake light wiring diagrams so you can see how the system works.
https://www.2carpros.com/articles/brake-lights-not-working
Check out the diagrams (Below). Let us know what happens and please upload pictures or videos of the problem.
Images (Click to enlarge)
Aug 23, 2010 at 9:48 PM