adjustable pedals won't work

2006 GMC ENVOY
42,900 MILES • 6 CYL • 4WD • AUTOMATIC
Avatar
123MIKEYD
  • MEMBER
  • 1 POST
My adjustable pedals wont work what is wrong?
Oct 24, 2009 at 8:58 AM
Advertisement
Avatar
SQM
  • CERTIFIED EXPERT
  • 6,383 POSTS
Hello,

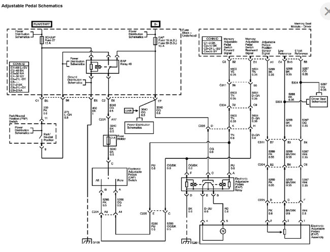
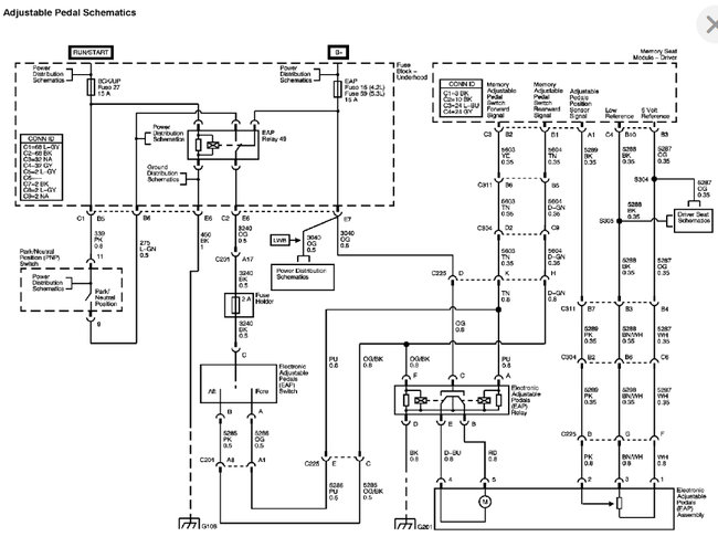
There could be few different reasons why the adjustable pedal is not operating.
First check the fuse for that module. It is located in under the hood fuse box. It should be number 15 and a 15A fuse (see diagram).

https://www.2carpros.com/articles/how-to-check-a-car-fuse

It can also be due to a bad relay. That relay is located next to the pedal assembly (see diagram).
Inspect the relay for any corrosion or burnt pin(s).
You can also test the relay:

https://www.2carpros.com/articles/how-to-check-an-electrical-relay-and-wiring-control-circuit

It can also be due to a bad module that is located under the pedal.

Please let me know of any questions.
Thank you.
Oct 7, 2021 at 9:22 AM