Other Category problem 6 cyl Four Wheel Drive 49,000 miles
----------------------------------------------------------------
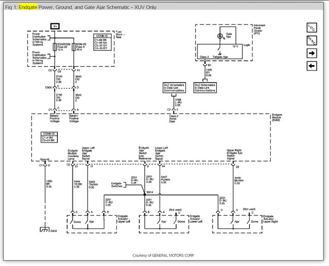
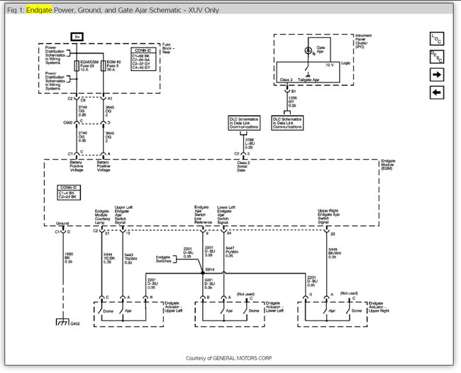
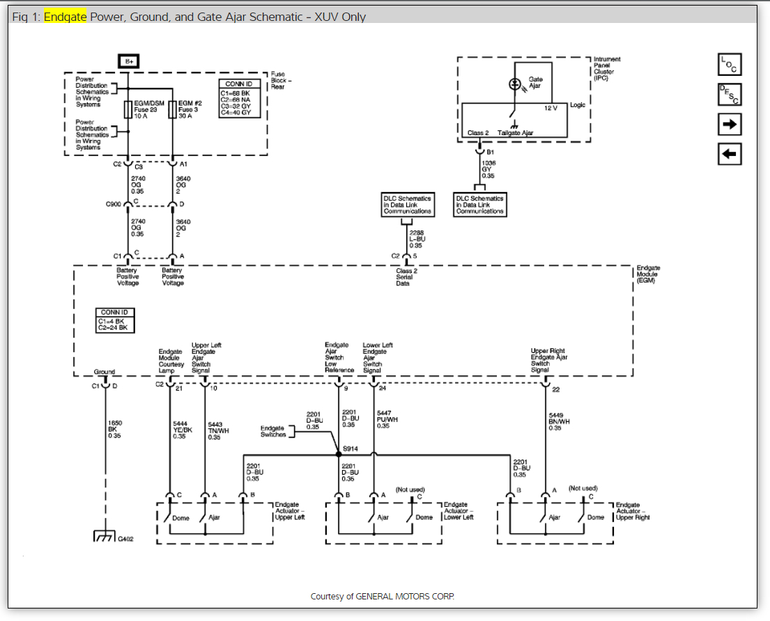
The tailgate will not open. When I sqeeze the pressure switch that releases the tailgate, nothing happens. Both of the pressure switches for the tailgate are not working. What would cause both of them not to work. Is there a way to manually open the tailgate?
----------------------------------------------------------------
The tailgate will not open. When I sqeeze the pressure switch that releases the tailgate, nothing happens. Both of the pressure switches for the tailgate are not working. What would cause both of them not to work. Is there a way to manually open the tailgate?
Jan 8, 2008 at 12:53 PM














