It sounds like the lock tumbler is bad and need to be replaced. This job will cost about $400.00 at the dealer. If you do it yourself you need to get the key and tumbler from the dealer so they can code it for you.
Here are the instruction on how to get it done. (below)
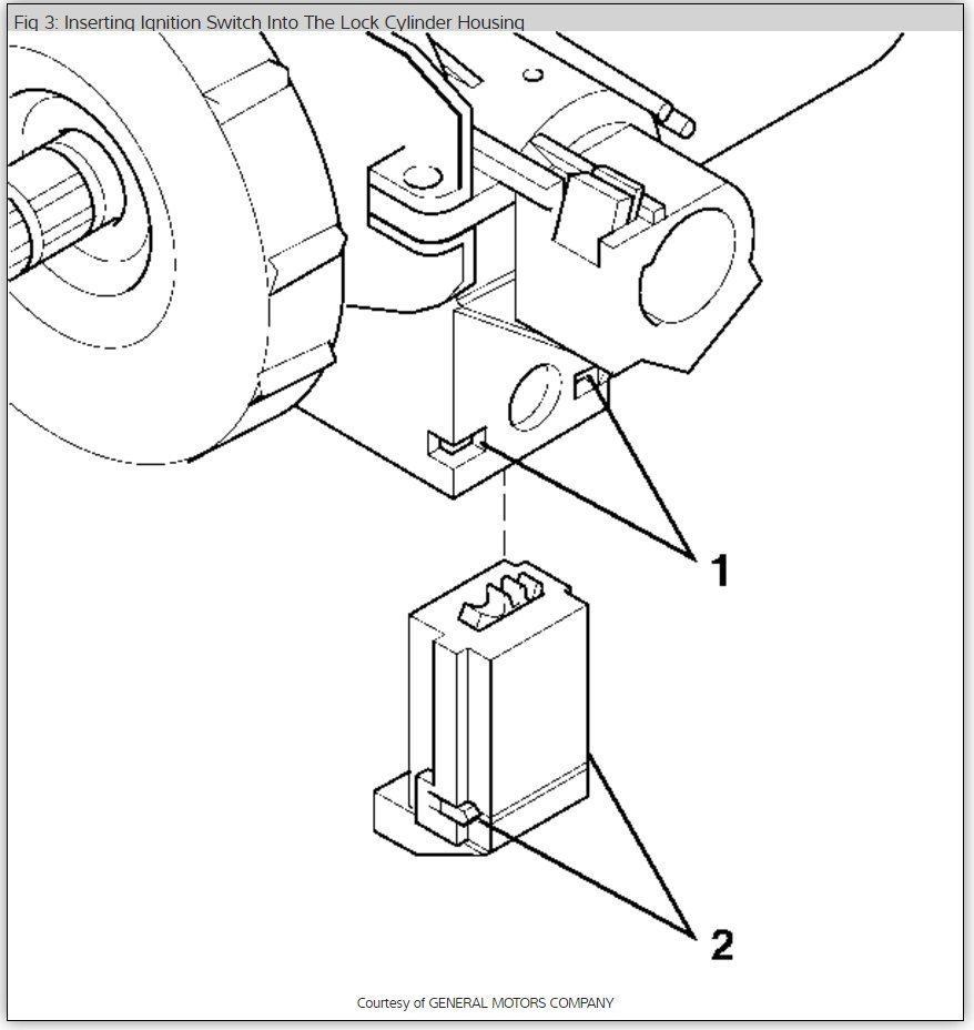
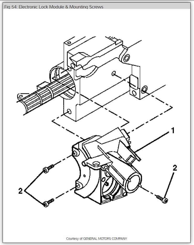
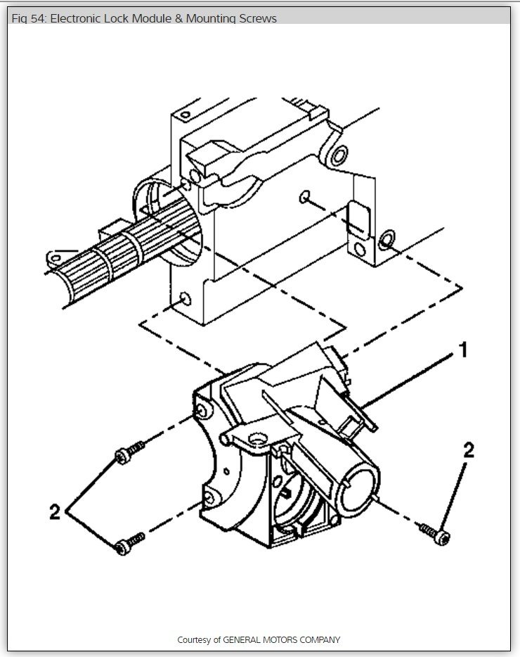
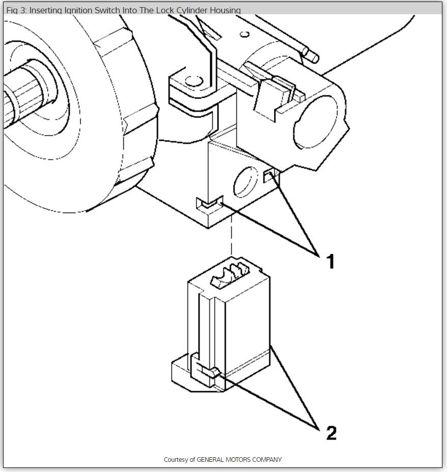
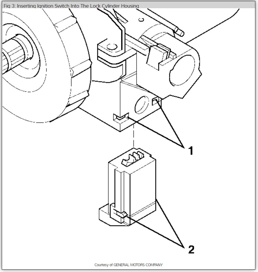
If you can turn the key, here is what you can do to remove the Ignition Lock Cylinder. Of course, the problem is likely in the column itself, you can take the Cylinder to a locksmith once you have it out if the cylinder itself is the problem:
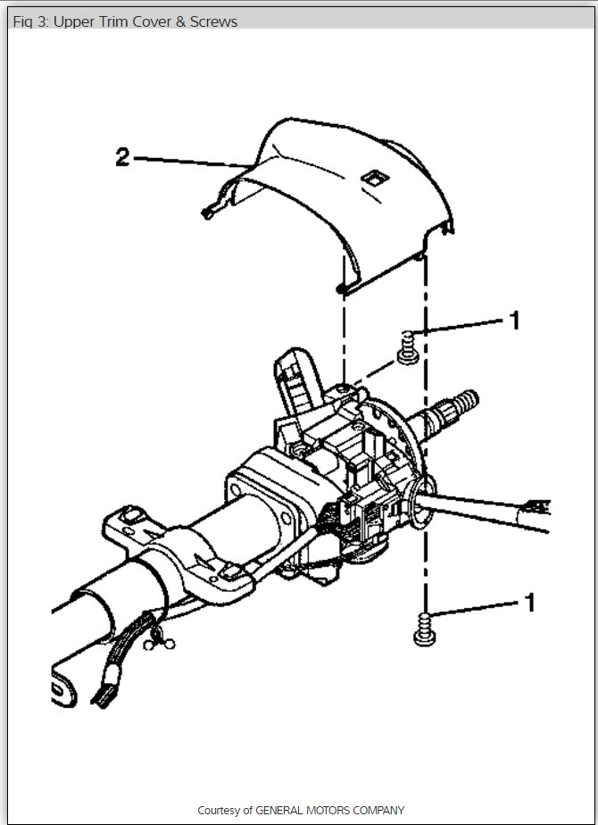
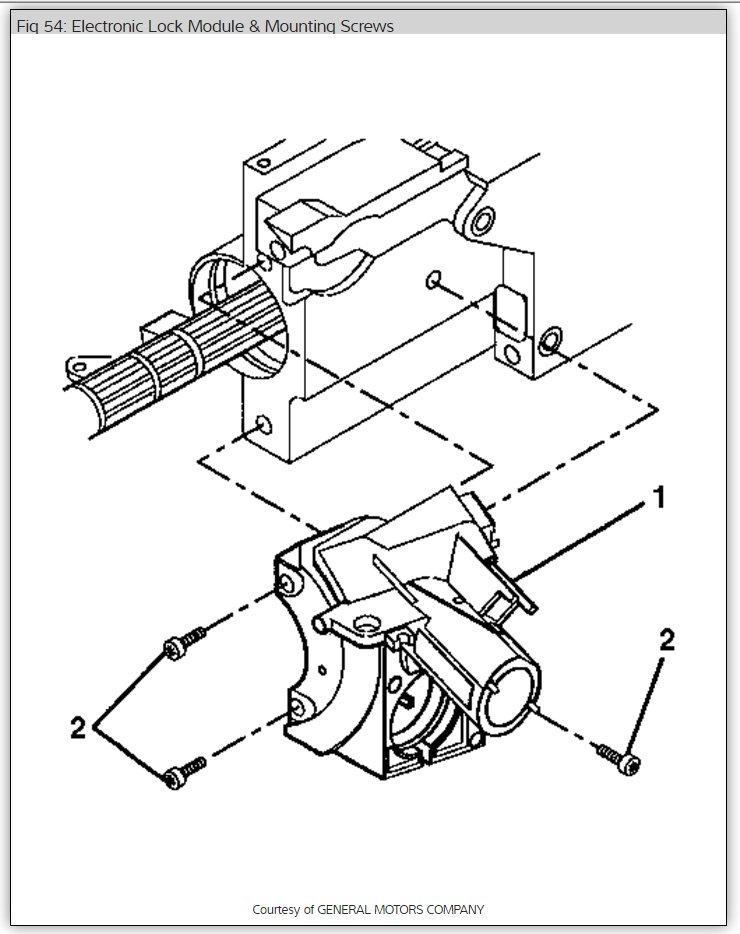
1. Loosen the Steering Column plastic (you will not be able to remove it with the key in) with 4mm sockets and torque-drivers (15-20 can't remember which).
2. Locate a small hole (about 1/8 inch size) on the Cylinder Lock housing. This is called the Active Retainer.
3. Turn the key all the way to START and hold it. If your battery has a charge, set the parking brake and put the vehicle in reverse. The starter will not engage in reverse.
4. While holding the key in START, depress the Active Retainer with a hook pick or dental tool and pull the Ignition Lock Cylinder out.
Sometimes, when a wafer-tumbler in an ignition gets bent, the side bar will hang up in the ignition and cause problems.
Please let us know what happens so it will help others.
Cheers, Ken
Images (Click to enlarge)
Aug 24, 2017 at 4:12 PM