Battery not charging

2002 GMC ENVOY
Avatar
DBIBBINS
  • MEMBER
  • 1 POST
Battery was not charging and we were told we needed a new alternator too. Had both replaced. When driving and accelerating, the lights dim and the battery gauge drops, some times the "battery not charging" message appears. When we ease up on the accelerator the gauge goes back up and the lights get brighter. We had the battery and alternator both tested and were said to be good. What should we look for now? Any ideas?
Jan 4, 2010 at 8:47 AM
Advertisement
Avatar
JDL
  • CERTIFIED EXPERT
  • 16,098 POSTS
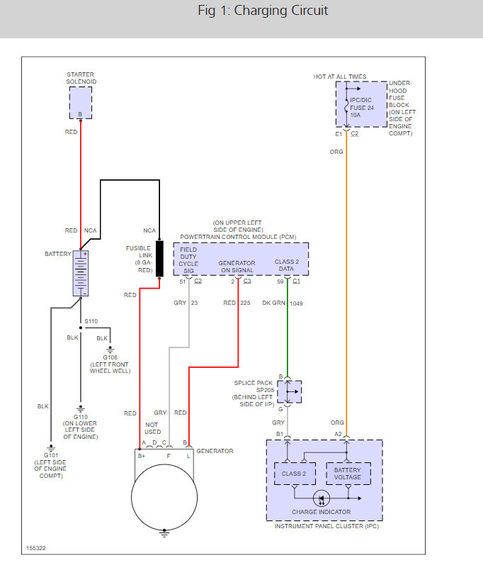
Was the charging system checked, on the vehicle? It is possible that the alternator is fine, but, could have issue with wiring circuit to or from alternator. There is a fuse #24 that needs to be checked for power here is a guide to help and the wiring diagrams so you can see how the system works.

https://www.2carpros.com/articles/how-to-check-a-car-fuse

Check out the diagrams (Below). Please let us know what happens.
Jan 4, 2010 at 12:39 PM
Avatar
DON SCAFIDI
  • MEMBER
  • 1 POST
I am having the same problem with my 2002 Envoy. A new battery was installed and the alternator tested okay, yet while returning from a trip one evening, the alternator stopped charging the battery, the headlamps began to flicker and the battery indicator started dropping. When we got off the interstate, the "battery not charging" light came on and I instructed my wife to put the car in neutral and rev the engine to 2500 rpm's to see if it would charge. However, when the traffic signal turned green, she put it back in drive before the rpm's dropped to idle, causing the vehicle to lurch ahead. Strangely, the jolt caused the battery indicator on the dash to go from 9 volts to 14.5 volts. It remained there until we arrived home, but the problem returned the next day. I have checked the connections and they all seem to be tight. I could use some guidance on what to check next.
Jan 5, 2013 at 11:12 PM
Advertisement
Avatar
JDL
  • CERTIFIED EXPERT
  • 16,098 POSTS
Use a digital multimeter across battery post when problem is ongoing. Check for applicable trouble codes. Check the wiring circuits for the charging system. This guide will help

https://www.2carpros.com/articles/how-to-check-a-car-alternator

Please go over this guide and get back to us.

Jan 8, 2013 at 7:06 PM
Avatar
PETERK727
  • MEMBER
  • 2 POSTS
Just had this same issue. Started the car voltage read charging at 14.9 volts. When the light came on it was reading 11.5 volts. Battery is new and reads 12.4 volts without cables attached. The alternator tested okay at the auto parts store. However, this was a false reading. We replaced the alternator, which also has a built-in voltage regulator, and all is working. Charging at 14.85 volts and all is perfect. Replace the alternator with an AC delco unit here is a link


https://www.amazon.com/gp/product/B002QVQOEM/ref=as_li_qf_asin_il_tl?ie=UTF8&tag=2carprcom-20&creative=9325&linkCode=as2&creativeASIN=B002QVQOEM&linkId=0f1873029f07c3427f37a9fa00520725

These work good
Jan 17, 2017 at 6:59 AM
Avatar
CARADIODOC
  • CERTIFIED EXPERT
  • 34,306 POSTS
Thanks for adding this fix, but there is more to the story. GM has had a real big problem with their generators starting with the 1987 models when they were redesigned. They develop huge voltage spikes that can damage the internal diodes and voltage regulator, and interfere with computer sensor signals. It is real common to go through four to six replacement generators in the life of the vehicle.

The solution is what you already did; replace the battery. The battery is the key component in damping and absorbing those harmful voltage spikes, but as they age and the lead flakes off the plates, they lose their ability to do that. Any time a generator is replaced on a GM product, replace the battery at the same time, unless it is less than about two years old.

I must add to some of your comments too. 12.4 volts means the battery is good but partially-discharged. A fully-charged battery will read 12.6 volts after any surface charge is removed. A totally drained, good battery will read near 12.2 volts.

Next, you only said the generator tested "okay" and it was a false reading, but you did not include any numbers. Testing off the engine is almost worthless. A good AC generator can easily require over five horsepower to develop its full output current. In-shop bench testers rarely even have a one horsepower motor to run the generator, so there is no way they can run it to its full potential. That full potential is the "full-load output current" test, and is critical in evaluating the performance. The only thing bench testers are good for is to verify the voltage regulator is working properly, and the generator is capable of developing some output.

Of concern in this case is that full-load output current. Every AC generator has at least six diodes, which are one-way valves for electrical current flow. As I mentioned, it is real common for them to be damaged in these generators. With one failed diode of the six, you will lose exactly two thirds of the generator's capacity. 30 amps from the common 90 amp generator is not sufficient to run the entire electrical system under all conditions. The battery will have to make up the difference until it slowly runs down over days or weeks. Most bench testers do not test for a failed diode. You need a professional on-car load tester. Some actually print out the "ripple" voltage, which will be high with a failed diode. Most just show a relative reading from "low" to "high" on a digital bar graph.

A lot of people falsely blame the quality of their replacement generator when they fail in a few days and/or multiple times. You said the charging voltage dropped from 14.9 volts to 11.5 volts, but you did not say how long it took for that to occur. The 11.5 volts indicates the battery was badly discharged, and there was a high load on it to run the electrical system. Testing the generator on the test bench only lasts a fraction of a minute. How does that compare with how long it took to fail on the vehicle? Diodes are almost always good, shorted, or open, with no in between. When they fail, they do so instantly and permanently. The method of failure you observed is typical of how a voltage regulator can act as it gets hot. On any other generator with a built-in regulator, they are fairly easy to replace separately. On 1990's Ford products, for example, they can be unbolted and replaced within a minute or two. With GM's miserable design, it is not practical to try to repair anything because they were not designed to be taken apart. Repair parts are available now from aftermarket sources, but the diode block is almost always damaged in the process, and there is no way to test the voltage regulator. Given the high difficulty, you do not want to do this a second time, so you must replace any parts that could cause the problem. You are better off just replacing the assembly with a rebuilt unit.

Also, be aware that for many GM vehicles, it is common to find quality rebuilt replacement generators with a one or two-year warranty, for a very high price, and one with a lifetime warranty at a much lower cost. That would have been a good deal for my friend if he would have found it at the time. He is on his third replacement generator on his 1999 Suburban.
Jan 17, 2017 at 2:22 PM
Avatar
PETERK727
  • MEMBER
  • 2 POSTS
The battery was somewhat discharged. So it was 11.5 volts but it was while running with a bad alternator. When the light appeared showing battery not charging we did not turn off the engine. I read the voltage while the engine was running. The 12.4 volts was after the car made it home and battery completely disconnected. So again somewhat discharged. Battery was replaced two months back. Only this last week did this incident occur. Being an EE I fully understand the electrical stuff. So all I can say is we did used a GM Alternator. Worked like a champ. The whole point to my note was simply not to trust the testing of the alternator at the auto store. It is not always valid. I understand you mentioned generator, but that term is older. I know, because I remember those too. :-)
Jan 17, 2017 at 5:04 PM
Avatar
CARADIODOC
  • CERTIFIED EXPERT
  • 34,306 POSTS
Nice work, we are here to help, please use 2CarPros anytime.
Jan 17, 2017 at 5:15 PM
Avatar
JINXER
  • MEMBER
  • 1 POST
When driving my envoy I noticed he message telling me my battery was not charging I have switched batterys and disconnected possitive terminal which caused it to die so is it altenator or another issue please help only vehicles

Feb 28, 2019 at 1:26 PM (Merged)
Avatar
JOHNNYT73
  • CERTIFIED EXPERT
  • 924 POSTS
Go to local parts store to have them do a battery/charging test to check out your alternator.
Feb 28, 2019 at 1:26 PM (Merged)
Avatar
JROCHELLE
  • MEMBER
  • 1 POST
Other Category problem
2003 GMC Envoy 4 cyl Wheel Drive Type unknown Automatic 110000 miles
----------------------------------------------------------------
Thanks for your help!

A few days ago, my suv began showing a light that read "battery not charging". I Immediately replaced the battery which was still under waranty. The light continued to show intermidiantly, but when "stay" on car would just die, everything would shut down. I had the alternator checked, certain that was the problem. It "passed" with flying colors, no problem there. SO WHAT COULD IT BE? At times the battery shows it's putting out 14amps, but sporatically it drops and the car dies again. PLEASE HELP!
Perplexed female
Feb 28, 2019 at 1:26 PM (Merged)
Avatar
MASTERTECHTIM
  • CERTIFIED EXPERT
  • 4,750 POSTS
more than likely you have a alternator that is intermittently failing. try waiting to the battery light comes on then check the charging system. hope this helps
Feb 28, 2019 at 1:26 PM (Merged)