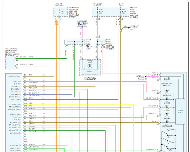
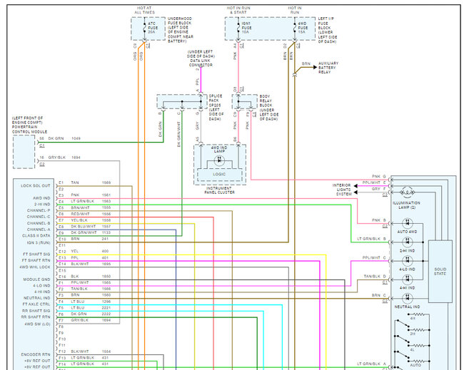
I have a 2001 GMC 2500 with the 6.0 motor, Auto Transmission and push button 4wd. The truck has about 75000 miles on it. That is the problem the 4wd, The Service 4wd light came on and this disabled my 4wd completely. If I shut the truck off and restart it again I can usually get in four wheel drive again. Previousely it had stuck in 4low once and after disconnecting the battery and reconnecting it, the system started working again. I have not put it in 4low since, just in case. I have been told a common cause is the transfer case servo motor. How many hours of labor and about what is the cost of a part like that? Also what would be the easiest way of testing that motor without tearing apart the T case? thankyou
Sep 17, 2007 at 7:05 PM

