Anti-skid light comes on and the truck power steering system stops working?

2014 FORD F-150
100,000 MILES • 5.0L • V8 • 4WD • AUTOMATIC
Avatar
RONALDG
  • MEMBER
  • 1 POST
Ghost in the system. Restart the engine and everything is working properly and there is no anti-skid light. Had the truck verI scan done at auto parts store and no diagnostic trouble codes are present. This has happened twice. No other dashboard lights come on.
Jun 15, 2025 at 3:18 PM
Advertisement
Avatar
STRAILER
  • CERTIFIED EXPERT
  • 53,855 POSTS
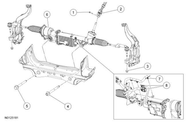
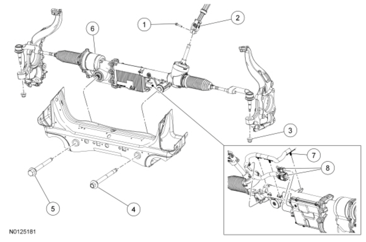
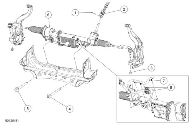
No Ghost, it is your electric power steering rack that is going out. You reboot it when the truck is turned off and then back on again, it will start happening more and more until you replace the rack. When installing a new steering gear, it must be configured (using vehicle as-built data or module configuration information retrieved earlier in this procedure).

Check out the images (below). Please let us know what happens.
Jun 16, 2025 at 10:51 AM