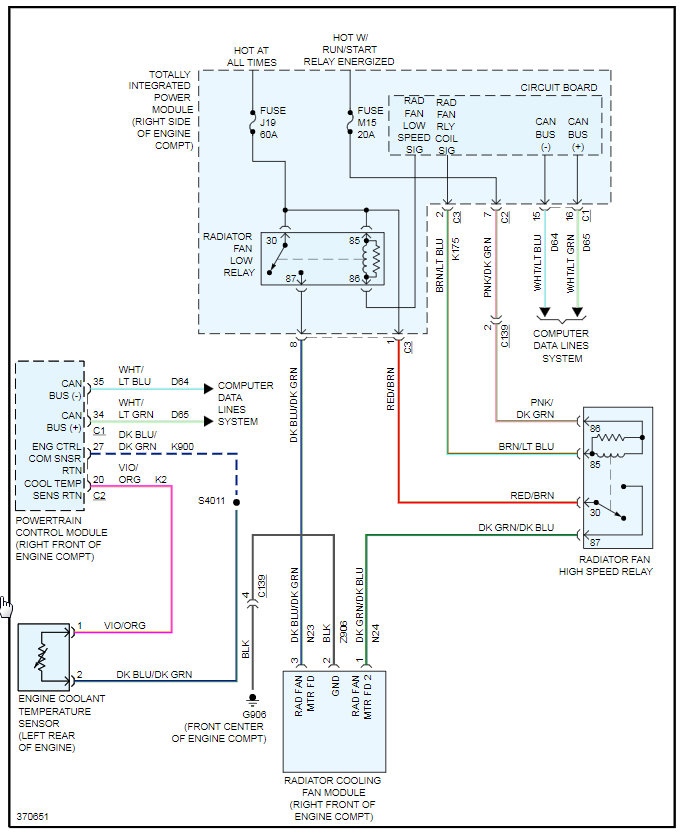
My vehicle will heat up to 246-253 degrees before it starts to cool, but then it will cool to its normal run temperature and will be fine the remainder of the trip.
It has a new water pump and cross over tube.
New oil pan.
New oil filter housing unit.
New thermostat.
It’s like whatever is supposed to kick in to cool the engine is taking extra long to kick on, but once it does it’s fine.
It has a new water pump and cross over tube.
New oil pan.
New oil filter housing unit.
New thermostat.
It’s like whatever is supposed to kick in to cool the engine is taking extra long to kick on, but once it does it’s fine.
Feb 20, 2021 at 4:04 PM


