1990 Geo Metro starter/alternator wiring?

1990 GEO METRO
Avatar
DEWING12000
  • MEMBER
  • 1 POST
I changed engine and cant get starter and alternator wires in the right places, need help
Feb 24, 2010 at 8:20 PM
Advertisement
Avatar
BLUELIGHTNIN6
  • CERTIFIED EXPERT
  • 16,542 POSTS
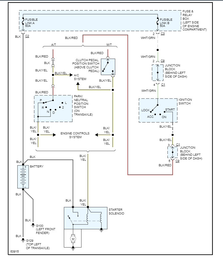
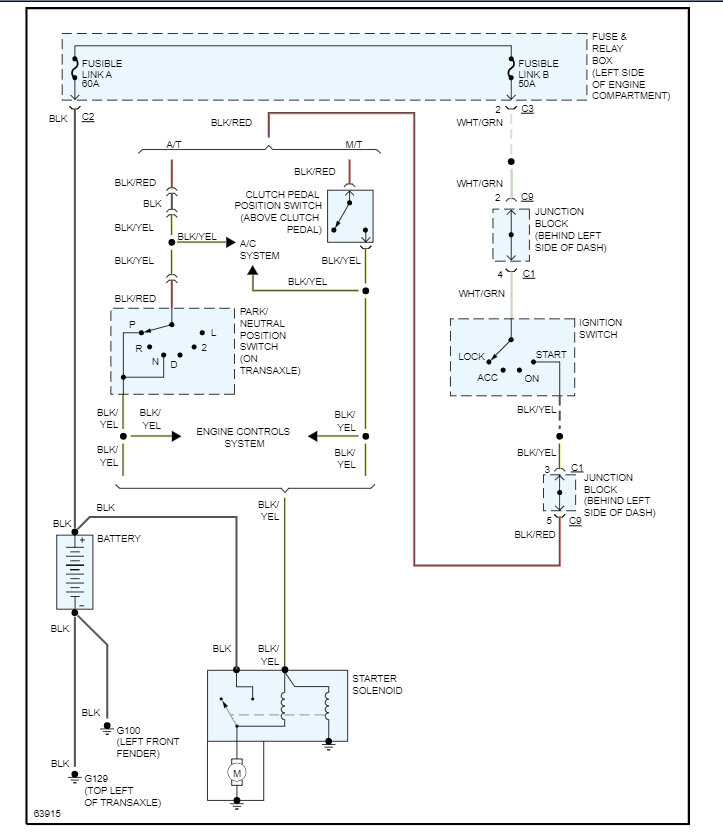
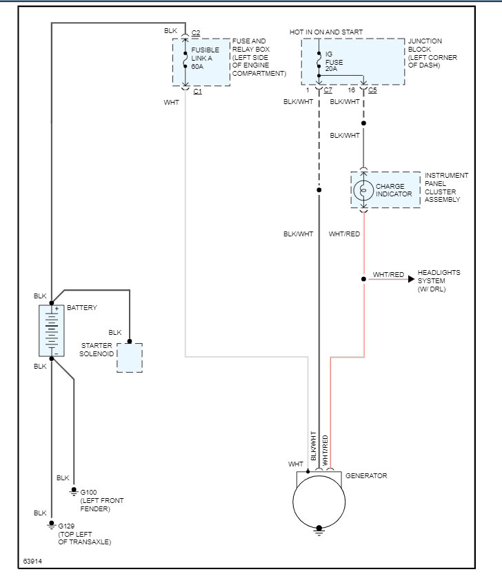
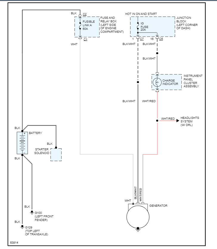
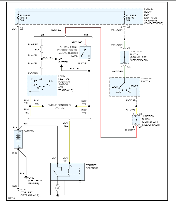
Here is the wiring diagrams for the starter and alternator please let me know if you need anything else. Check out the images (Below). Please let us know what happens.
Apr 22, 2010 at 8:53 PM