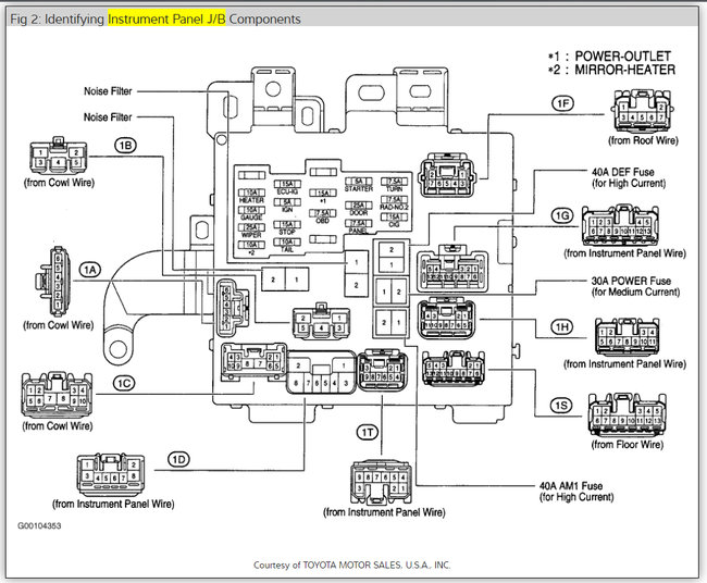
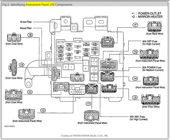
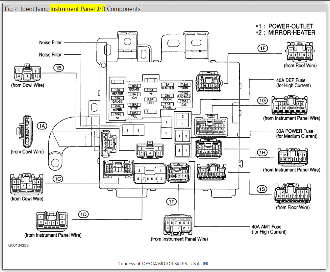
I have 1G FE engine Automatic transmission the gear won't shift into the fourth gear the overdrive button hasn't got any Voltage.
How can I rewire It and where?
How can I rewire It and where?
Jul 23, 2022 at 1:57 PM








