Gear sometimes engages throughout driving but other times disengages?

2005 CHRYSLER 300
150,728 MILES • 3.7L • V6 • TURBO • AUTOMATIC
Avatar
DAVID DAVO ESSIEN
  • MEMBER
  • 152 POSTS
Whenever I click on read codes, I've tried it for 4 different consecutive times the car instrument cluster rpm clock would spontaneously surge high to about 2.5 RPMs and drops with a great speed to 0 within a twinkle of an eye and engine would stall immediately.
The symptoms of the car were a gear that wouldn't select and a hard start. p0700 and p0888 codes are more common even after succeeding to clear the codes. The stalling stopped when I did all system scan and I also noticed that when it was processing, at about 98% for the all system scan, the was an actuation at the throttle body, and PCM? Please, what could be responsible for that cars problem and how can I fix it?
https://drive.google.com/file/d/1D_iPR4nKEoF-mg73Q8jDNKFrn0qnbRpb/view?usp=drivesdk
Jan 23, 2024 at 8:25 PM
Advertisement
Avatar
STRAILER
  • CERTIFIED EXPERT
  • 53,855 POSTS
The code says there is a transmission control relay that is not working, let's swap it out and clear the codes to see if that fixes it.

The P0888 code in a 2005 Chrysler 300 is a diagnostic trouble code (DTC) related to the Transmission Control Module (TCM) Power Relay Sense Circuit.

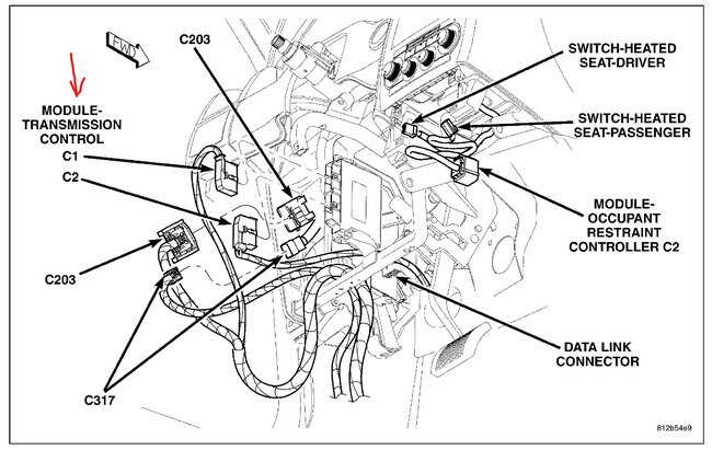
Here is the relay location, also let's check all of the fuses with the key on:

https://www.2carpros.com/articles/how-to-check-a-car-fuse

Check out the images (below). Please let us know what happens.
Jan 24, 2024 at 11:13 AM
Avatar
ZZDCARCOM
  • MEMBER
  • 2 POSTS
Based on the symptoms you described, it seems there may be an issue with the transmission and/or the electronic control system of your vehicle. The P0700 code indicates a general transmission problem, while the P0888 code is related to the transmission control module (TCM) power relay sense circuit.

The sudden surge in RPM and stalling could be caused by a malfunctioning TCM or a problem with the throttle body. When you perform the all system scan and observe the actuation at the throttle body and PCM (powertrain control module), it suggests that there may be a communication issue between these components or a fault in their operation.

To diagnose and fix this problem, I recommend taking the following steps:

Check for any loose or damaged wiring connections related to the TCM and throttle body. Ensure that all connectors are securely attached and free from corrosion or damage.

Perform a thorough inspection of the throttle body, looking for any signs of wear, carbon buildup, or sticking components. Clean the throttle body if necessary.

Check the transmission fluid level and condition. Low fluid levels or dirty/fluid can cause transmission problems. If needed, top up or replace the fluid according to the manufacturer's recommendations.

Consider taking your vehicle to a qualified mechanic or dealership that specializes in transmission diagnostics. They will have the necessary tools and expertise to perform a detailed diagnosis, including scanning for specific transmission fault codes and analyzing live data from the TCM.

By following these steps, you should be able to identify the underlying cause of the problem and proceed with the appropriate repairs. Remember, it's always recommended to consult with a professional mechanic for an accurate diagnosis and solution to your vehicle's specific issues.
Jan 24, 2024 at 6:05 PM
Advertisement
Avatar
ZZDCARCOM
  • MEMBER
  • 2 POSTS
Based on the symptoms you described, it seems there may be an issue with the transmission and/or the electronic control system of your vehicle. The P0700 code indicates a general transmission problem, while the P0888 code is related to the transmission control module (TCM) power relay sense circuit.

The sudden surge in RPM and stalling could be caused by a malfunctioning TCM or a problem with the throttle body. When you perform the all system scan and observe the actuation at the throttle body and PCM (powertrain control module), it suggests that there may be a communication issue between these components or a fault in their operation.

To diagnose and fix this problem, I recommend taking the following steps:

Check for any loose or damaged wiring connections related to the TCM and throttle body. Ensure that all connectors are securely attached and free from corrosion or damage.

Perform a thorough inspection of the throttle body, looking for any signs of wear, carbon buildup, or sticking components. Clean the throttle body if necessary.

Check the transmission fluid level and condition. Low fluid levels or dirty/fluid can cause transmission problems. If needed, top up or replace the fluid according to the manufacturer's recommendations.

Consider taking your vehicle to a qualified mechanic or dealership that specializes in transmission diagnostics. They will have the necessary tools and expertise to perform a detailed diagnosis, including scanning for specific transmission fault codes and analyzing live data from the TCM.

By following these steps, you should be able to identify the underlying cause of the problem and proceed with the appropriate repairs. Remember, it's always recommended to consult with a professional mechanic for an accurate diagnosis and solution to your vehicle's specific issues.
You can refer to the following content
https://www.zzdcar.com/how-to-check-for-tcm-failure-or-throttle-body-problem-19558.htm
Jan 24, 2024 at 6:11 PM
Avatar
DAVID DAVO ESSIEN
  • MEMBER
  • 152 POSTS
Where is the TCM located in that particular brand and how can the connector be tested to verify that it is faulty or not? Client complained that sometimes if that occurs and he swaps a particular relay from engine bay TIPM, it sometimes engages. How can that TIPM issue be solved? Please upload the photo of the location and repair guide for TCM to me from either mitchell1 or Alldata, voltage values, resistance values, etc.
Jan 25, 2024 at 12:15 PM
Avatar
STRAILER
  • CERTIFIED EXPERT
  • 53,855 POSTS
They don't give us that, plus most of them will change when in operation, to test the TIPM or the TCM you need specialized equipment. You can test the power and ground or do a CAN scan which will point to any problem the system may have.
You can get a CAN scanner (Controller Area Network) which will work on most cars from Amazon.

Here is a video to show you how:


https://youtu.be/u-4syLc-ifQ

Here is a CAN scanner on Amazon for about $134.00 if you need it. They have cheaper and more professional units as well; this one is the middle of the road.

https://amzn.to/3ZYCA1P

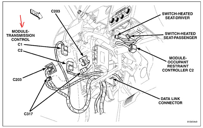
Here is the location of the TCM and how to change out the IPM which is easy because it is plug and play. Check out the images (below). Please upload pictures or videos in your response of the problem so we can see what's going on.
Jan 26, 2024 at 11:05 AM