gear shifter is stuck in reverse

2006 CHEVROLET TRAILBLAZER
153,000 MILES
Avatar
DAVIDEISEN
  • MEMBER
  • 1 POST
gear shift is stuck in reverse, car wont start, the knob to move shifter will not depress. all the lights come on in the car, the gear shift is stuck in the reverse position. what can i do to try and fix it? How do I remove the gear shift? What else could it be. The car was running great earlier today, then tonight this happened out of the blue.
Sep 13, 2013 at 9:34 PM
Advertisement
Avatar
STRAILER
  • CERTIFIED EXPERT
  • 53,854 POSTS
This can be one of two things. Either the interlock solenoid is not working or the shift cable is broken or seized down at the transmission which is common. Get under the car by the selector shaft at the transmission and have someone move the shift lever back and fourth you will see the cable is separated from the mount.

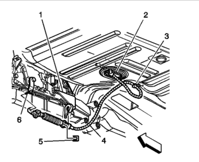
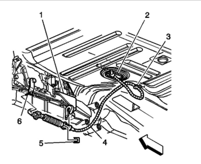
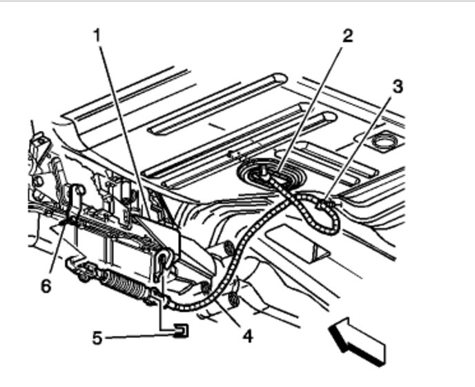
Here is a guide so you can jack up the car safely and some diagram (below) to show you the repair

https://www.2carpros.com/articles/jack-up-and-lift-your-car-safely

I would also check the fuses to make sure the solenoid is getting power.

https://www.2carpros.com/articles/how-to-check-a-car-fuse

Here is the shift cable for $47.00 on Amazon.

https://www.amazon.com/gp/product/B0013FW68K/ref=as_li_qf_sp_asin_il_tl?ie=UTF8&tag=2carprcom-20&camp=1789&creative=9325&linkCode=as2&creativeASIN=B0013FW68K&linkId=fb75f5b4c858cb6c29ac94c0eb061d89

Check out the diagrams (Below)

Let us know how it goes, we are here to help at 2CarPros

Best, Ken
Aug 11, 2016 at 10:51 AM
Avatar
ALBERTO TORRES DROZ
  • MEMBER
  • 1 POST
I had the same problem with my trailblazer I check the shifter cable and it was the shifter cable bushing that's that small rubber piece on the shifter
Jul 11, 2017 at 10:04 AM
Advertisement
Avatar
STRAILER
  • CERTIFIED EXPERT
  • 53,854 POSTS
Great addition to this thread! Please feel free to help out whenever you are on the site :)

Cheers, Ken
Jul 11, 2017 at 4:24 PM
Avatar
RICK EOBINSON
  • MEMBER
  • 1 POST
My wife backed in the garage and when she tried to put it in park it was stuck in reverse. We tried gently rocking in but still could not move the shifter. Of course we cannot start the car. How can I fix the problem or am I going to call a tow truck?
Jan 22, 2019 at 2:01 PM (Merged)
Avatar
STRAILER
  • CERTIFIED EXPERT
  • 53,854 POSTS
It sounds like the shifter cable or the mount has lets go or come loose, look underneath the car while she moves the shifter back and fourth too see what is going on, please let me know what you find.

Best, Ken
Jan 22, 2019 at 2:01 PM (Merged)
Avatar
MERRILL10096212
  • MEMBER
  • 0 POST
You are correct. It is a broken cable. Cost to repair - $404. Thanks for the help!

Rick Eobinson.
Jan 22, 2019 at 2:01 PM (Merged)
Avatar
STRAILER
  • CERTIFIED EXPERT
  • 53,854 POSTS
Good to know, Please use 2Carpros anytime.
Jan 22, 2019 at 2:01 PM (Merged)
Avatar
BIGMIKE7580
  • MEMBER
  • 1 POST
My wife has a 2005 Trailblazer with a I6.  She backed out of the garage ~ 20 ft before trying to shift into drive.  However the vehicle wouldn't shift out of reverse.  She killed the engine, but only to lock the vehicle in reverse and now unable to start it.  The key was also stuck in the ignition in the run position.  Check engine light now on.

1. First I checked the shifter linkage.  GOOD at Trans.
2. Read that not enough volts would cause the shifter lockout solenoid to activate.  
3. Hooked up my vehicle by booster cables.   (quick attempt to move vehicle out of the alley we were blocking). NOTHING
4. Removed top of center console to access the shifter lockout solenoid. Manual shifted into neutral to push the vehicle out of the alley.  WORKED - linkage is GOOD.
5. Shifted into park, but indicator stayed in Reverse.
6. Next day, I borrowed a Scan Tool, but battery was dead now.
7. Charged battery overnight and ran scan tool, but no codes registered on the tool.

I'm thinking the neutral park module on the Trans but why no Code?  Any other
suggestions?
Jan 22, 2019 at 2:01 PM (Merged)
Avatar
MADMIKE1735
  • CERTIFIED EXPERT
  • 951 POSTS
It sounds like the cable fell apart at the steering column, can you see if the the calve housing has come undone? Please let us know want happens so it will help others,

Best, Mike
Jan 22, 2019 at 2:01 PM (Merged)
Avatar
TWINDRAGON73
  • MEMBER
  • 3 POSTS
When the battery went dead overnight that cleared the code(s).
If you have a good scan tool use it to activate and deactivate the parts you suspect. If you have access to a lab scope this will help you a lot in finding out if you have a bad sensor or module
Jan 22, 2019 at 2:01 PM (Merged)
Avatar
STRAILER
  • CERTIFIED EXPERT
  • 53,854 POSTS
How did things turn out? I was thinking it could be inside the transmission, the selector shaft is broken or jammed?

Best, Ken
Jan 22, 2019 at 2:01 PM (Merged)
Avatar
YOHANCAR
  • MEMBER
  • 1 POST
when I was reversing the car it will not come out reverse and I can not start the engine
Jan 22, 2019 at 2:01 PM (Merged)
Avatar
JACOBANDNICKOLAS
  • CERTIFIED EXPERT
  • 110,175 POSTS
Have you checked the linkage to the transmission to make sure nothing is damaged or disconnected?
Jan 22, 2019 at 2:01 PM (Merged)
Avatar
DAN47CT
  • MEMBER
  • 1 POST
2007 Chevy Trailblazer gear lever is stuck between reverse & park. I can't start the car but can remove keys. What can I do to free up gear shift?
Jan 22, 2019 at 2:01 PM (Merged)
Avatar
JACOBANDNICKOLAS
  • CERTIFIED EXPERT
  • 110,175 POSTS
Check the linkage under the vehicle where it attaches to the transmission.
Jan 22, 2019 at 2:01 PM (Merged)
Avatar
RAFI2466
  • MEMBER
  • 2 POSTS
I drove my 2002 trailblazer LTZ home. When I parked and put the car in park, the shifter moved but the car remained in drive. I can not get the shifter to move or the car started now because it is in drive. What can I do?
Aug 8, 2019 at 6:35 PM (Merged)
Avatar
HMAC300
  • CERTIFIED EXPERT
  • 48,601 POSTS
you'll hav eto check and see if hte cable is broken. crawl under neath and have someone move the selector, if the lever on trans doesn't move then the cable broke an dneeds replacing. you can manually move the lever to get in park or neutral but it will stay there then. make sure to turn the key on to get the shift lever out of park.
Aug 8, 2019 at 6:35 PM (Merged)
Avatar
RAFI2466
  • MEMBER
  • 2 POSTS
I can't move the selector, it's in park and the dash indicates its in drive.
Aug 8, 2019 at 6:35 PM (Merged)
Avatar
HMAC300
  • CERTIFIED EXPERT
  • 48,601 POSTS
the cable or shift lock has to be broken then you have to take teh console off to change the cable an di really think that is your problem. crawl under the truck and move the lever on the trans all the way forward. if it won't move tehn disconnect the cable and it will then. then have a pro fix this for you.
Aug 8, 2019 at 6:35 PM (Merged)
Avatar
KMELQUIST
  • MEMBER
  • 23 POSTS
have a 2005 chevy trailblazer that will not shift out of park. the display on the instrument cluster reads that the vehicle is in reverse or switches to 3 gear spot when the vehicle is clearly in park. it also will not let me start it but i have full power to everything Already Tried:
stepping on the brake turning the key until all the lights on the dash went on and then start engine and tried to shift out of park. disconnecting the battery and then reconnecting, trying to start and shift. Rocking car back and forth.
Aug 8, 2019 at 6:35 PM (Merged)
Avatar
HMAC300
  • CERTIFIED EXPERT
  • 48,601 POSTS
seeif your shift interlock is not working, it should be on the bottom of the steering column. then check to see if the cable is broken. have a helper shift and crawl under turck to see if lever on trans is moving. if the lever moves then it's an internal problem on the trans.
Aug 8, 2019 at 6:35 PM (Merged)