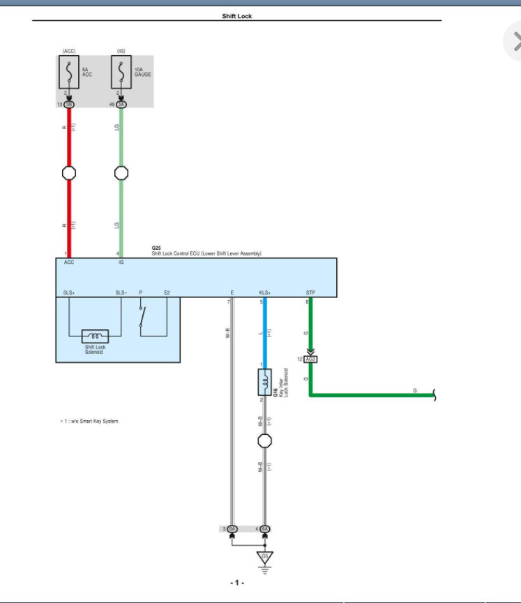
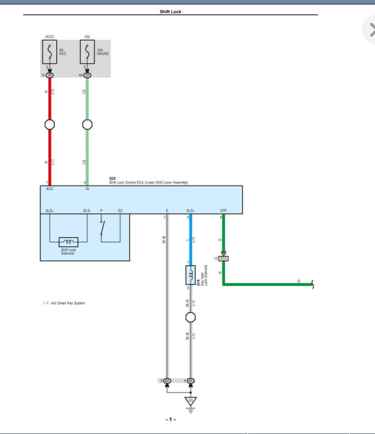
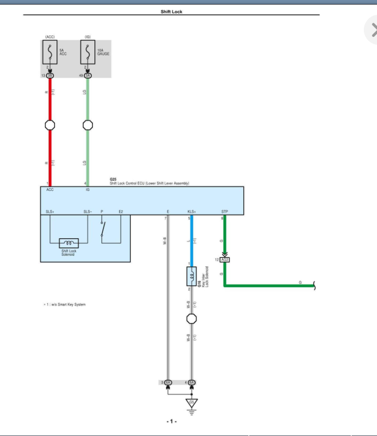
Good morning, the vehicle's gear lever stuck in park with the Engine running, I was able to pull it from Park position by pressing one button close to the gear selector, once the button is released, it won't move any more.
What could be the cause and how can it be fixed?
What could be the cause and how can it be fixed?
Oct 26, 2020 at 8:42 PM




