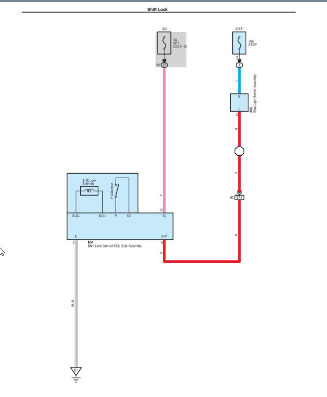
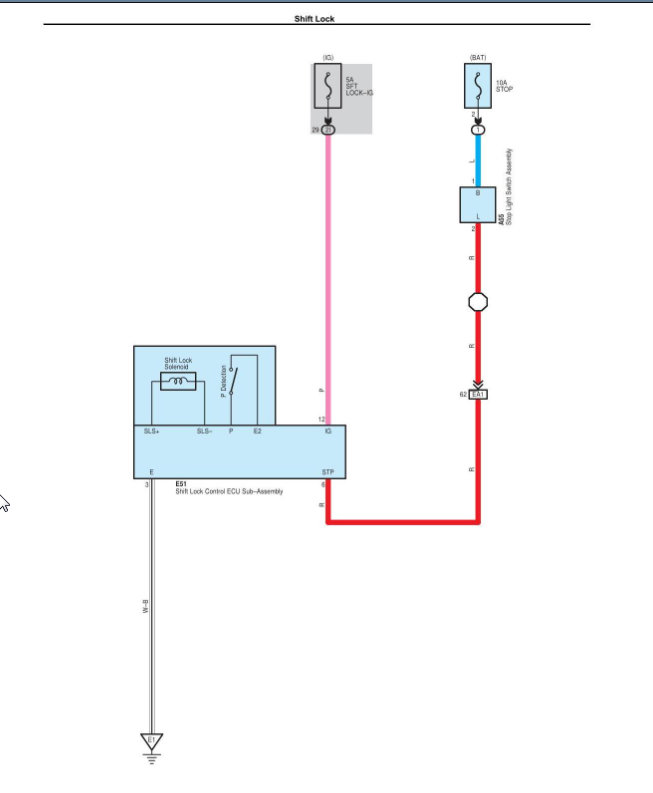
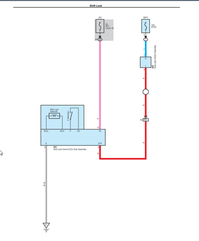
Hi, i noticed the car could not go out from Park, unless you press down the release button. It normally uses a smart key and a push button to start the car when you press down the brakes. At one point, i press down the brakes it does not leave the P position. What should i do? i have controlled all fuses in the engine compartment is all good.
Nov 16, 2020 at 10:48 AM



