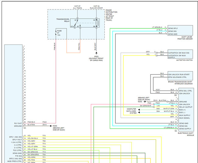
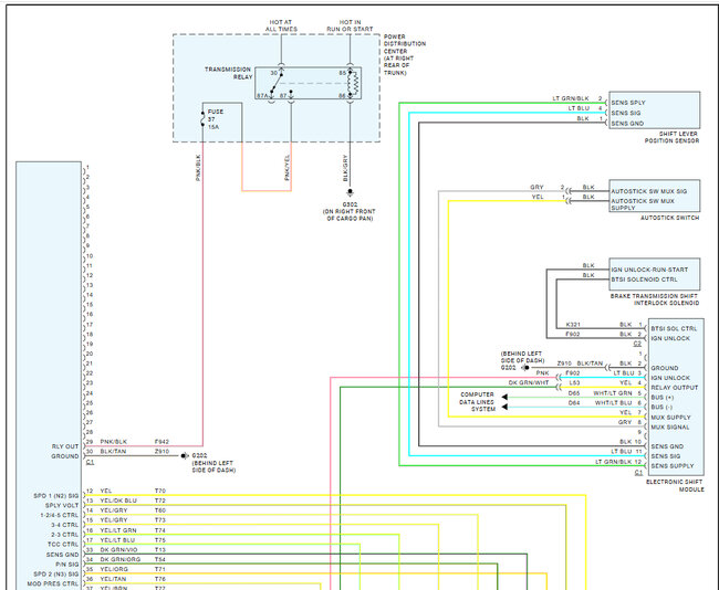
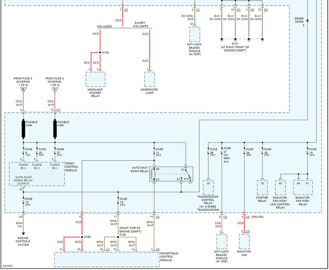
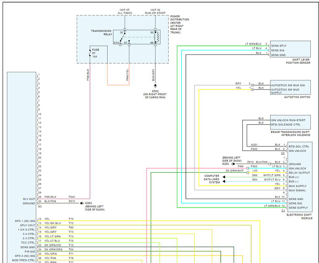
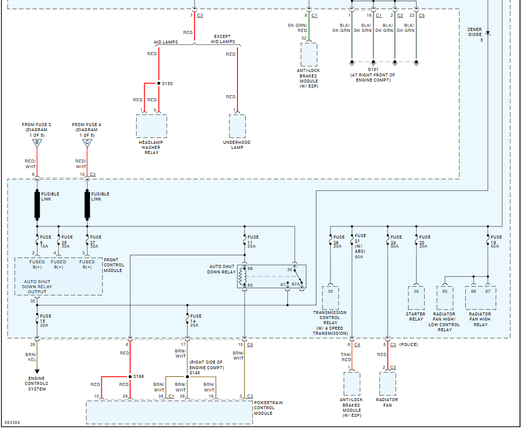
Hi Ken, please can I get the power ground and signals wiring from the fuse box to the transmission, and from the transmission module to the transmission.
Mar 26, 2025 at 10:53 AM















