Gauges, windows, wipers not working

2000 JEEP GRAND CHEROKEE
205,000 MILES • 4.0L • 6 CYL • 2WD • AUTOMATIC
Avatar
CKING882007
  • MEMBER
  • 2 POSTS
I bought the vehicle with these problems, hoping to be a cheap fix. Repair shop I bought the vehicle from replaced PCM and BCM. I also have access to shop manual.

Symptoms:

Gauges not working but very rarely work on start up for a few seconds, then drop to zero.

All warning lights on.

Wipers will not work.

Driver lock only unlocks driver door. Key fob only unlocks other three doors.

Throws p1687 code for cluster.

Checked or replaced:

PCM and BCM by repair shop.

Checked all ground points minus ones near motor mounts.

Checked continuity from connectors to ground for door modules, BCM, cluster, and airbag module.

Checked continuity for BUS wires to diagnostic junction port for door modules, BCM, airbag module, and cluster.

Actuator test on cluster.

BUS wire from data link connector shows 0 volts with battery connected and key "on".

BUS wire from data link connector shows infinite resistance with battery disconnected.
May 29, 2018 at 5:06 PM
Advertisement
Avatar
STRAILER
  • CERTIFIED EXPERT
  • 53,854 POSTS
Hello,

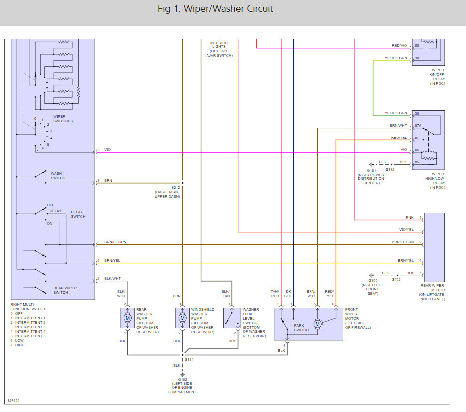
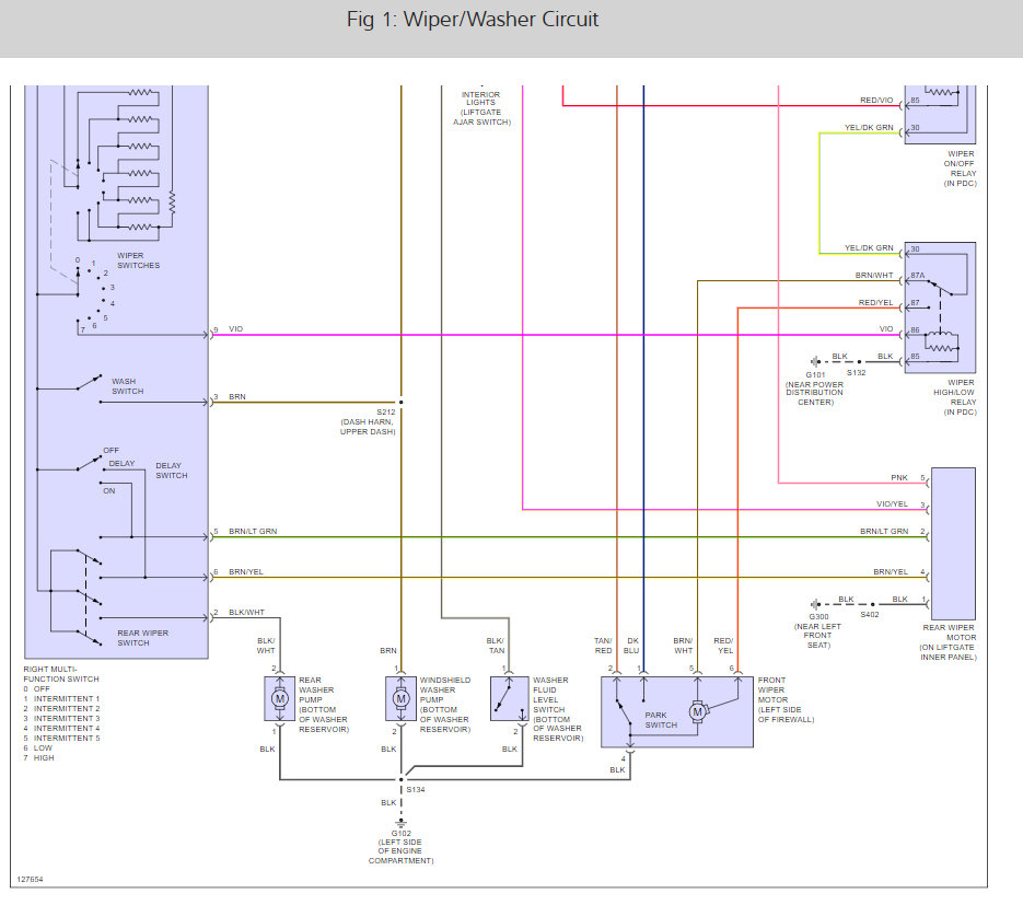
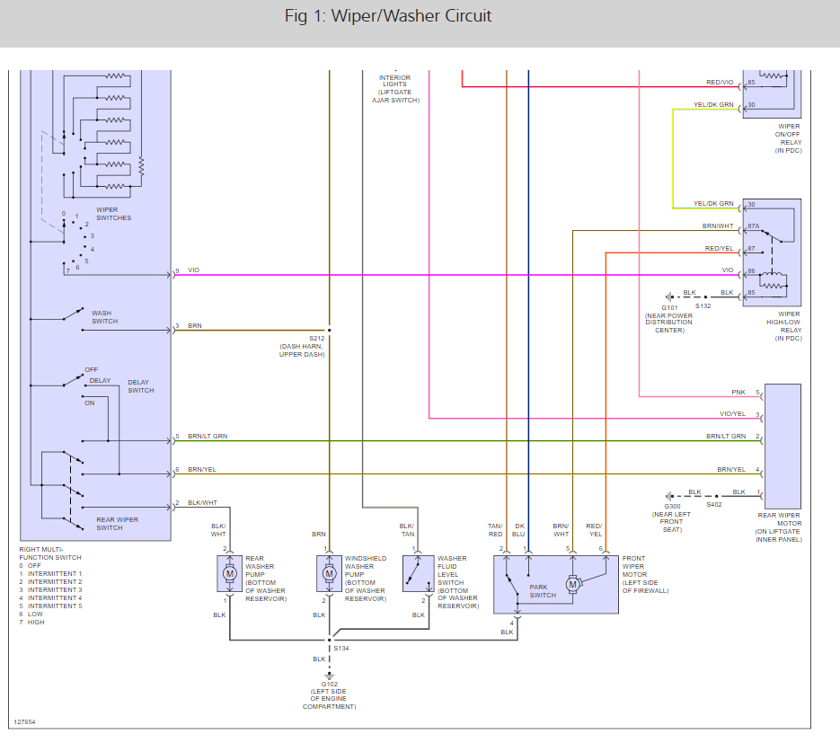
The cluster sounds like it is bad which is where I would start since clusters are like small computers and run more than just the gauges. The door lock issue will be something else you should start a new thread for that problem. For the wiper issue lets test to see where we are losing power. Here is a guide to help you with that and the wiper wiring diagrams so you can see how the wipers work:

https://www.2carpros.com/articles/how-to-use-a-test-light-circuit-tester

Check out the diagrams (below). Please run some tests and get back to us.

Cheers, Ken
May 31, 2018 at 10:51 AM