Gauges not working (fuel, speedometer, etc.)

2001 FORD RANGER
152,000 MILES • 4.0L • V6 • 4WD • MANUAL
Avatar
RBUTLER33
  • MEMBER
  • 1 POST
The speedometer, fuel gauge, and other gauges aren’t working. I may have mixed up a fuse when checking for another problem I was having.

Anyone know what fuse number I should check for the gauges going out?
Jan 2, 2020 at 10:58 PM
Advertisement
Avatar
KASEKENNY
  • CERTIFIED EXPERT
  • 18,907 POSTS
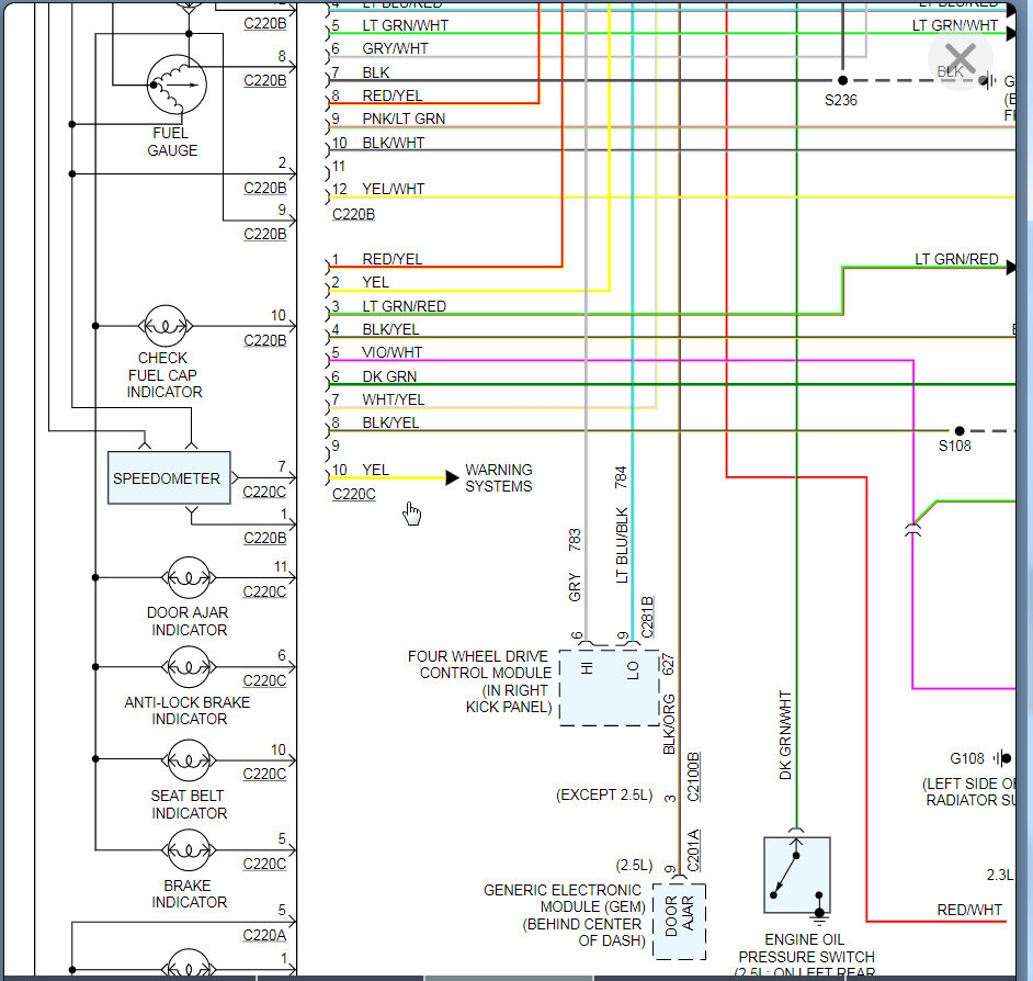
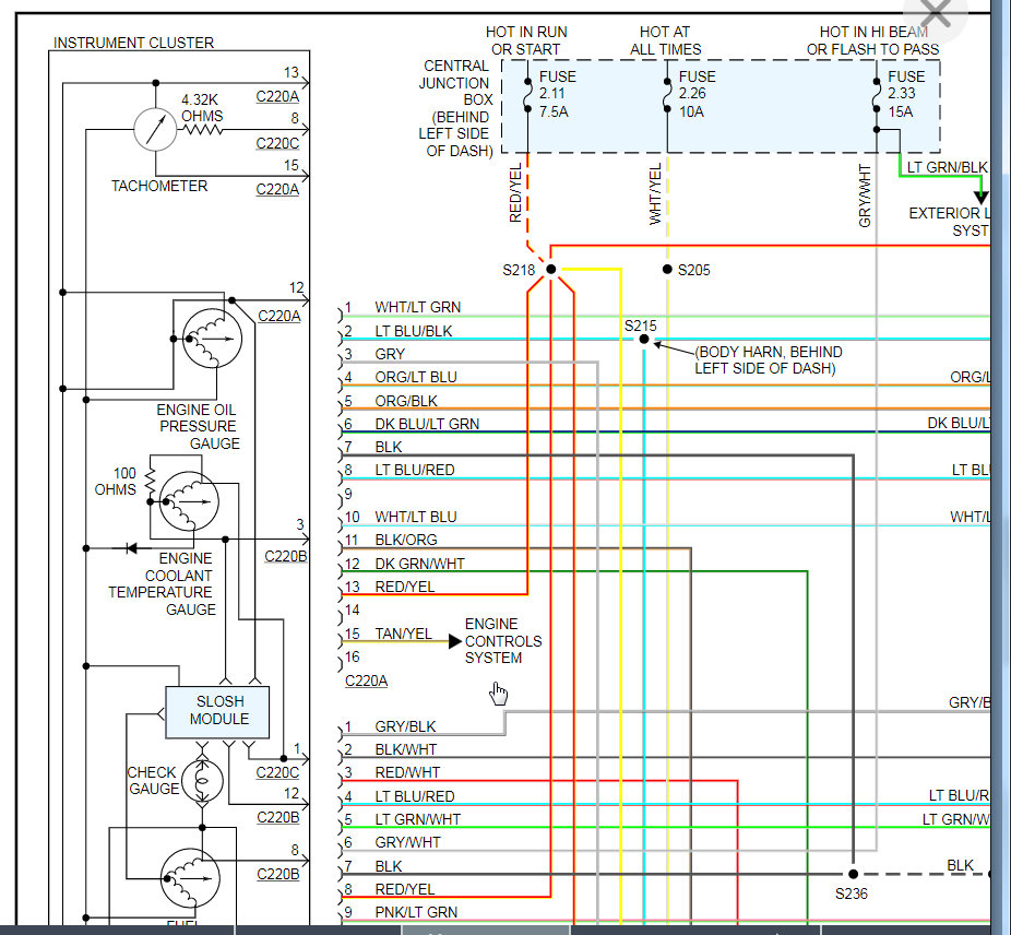
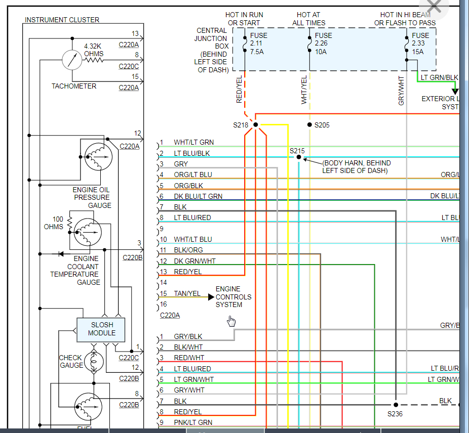
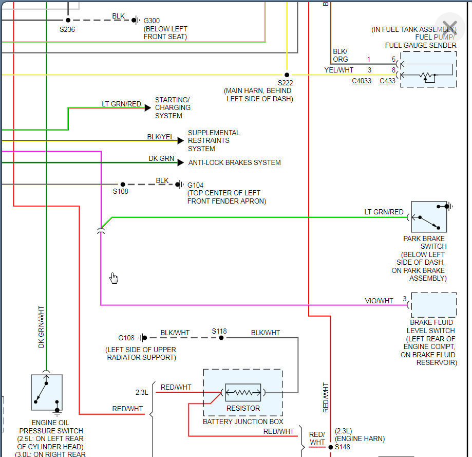
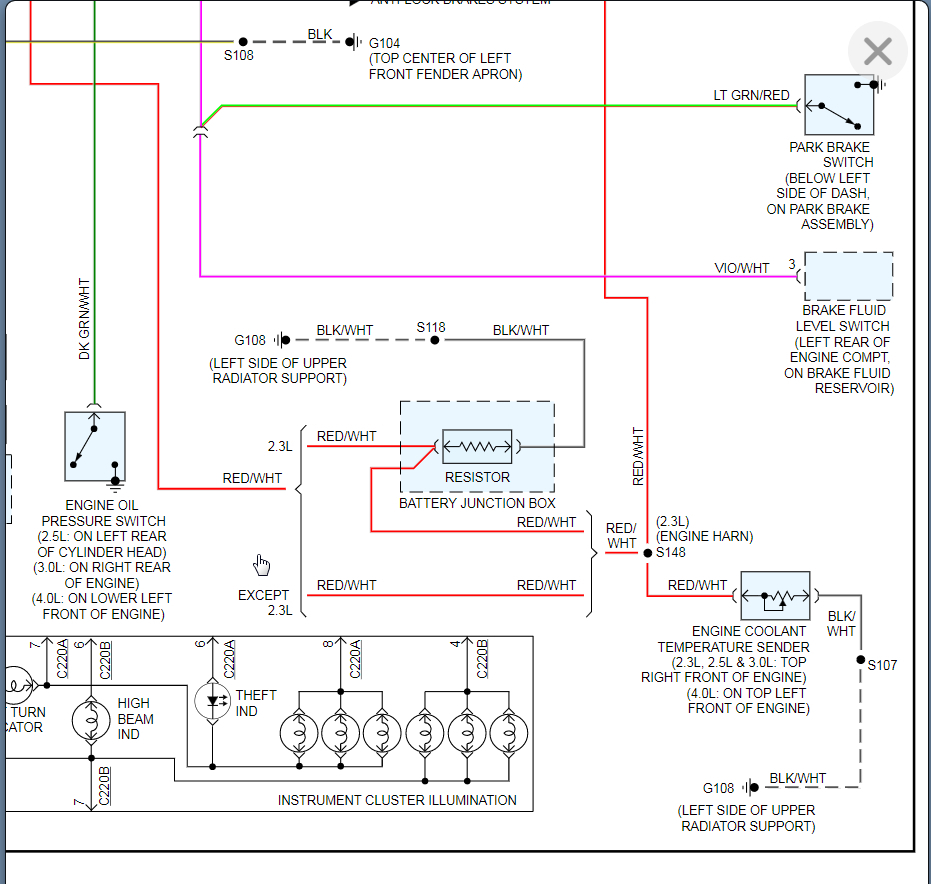
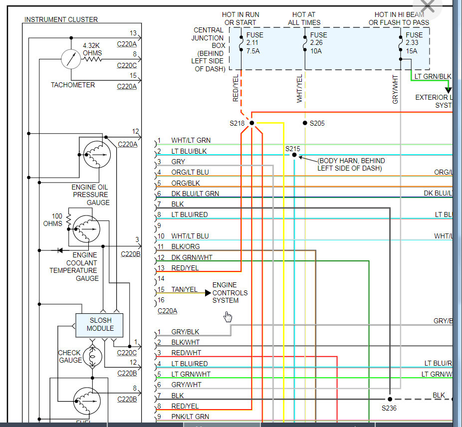
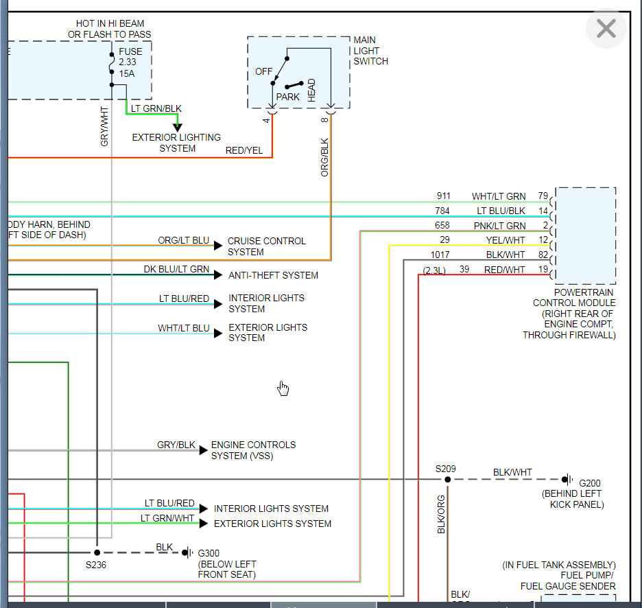
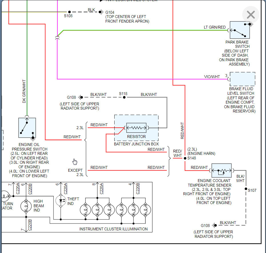
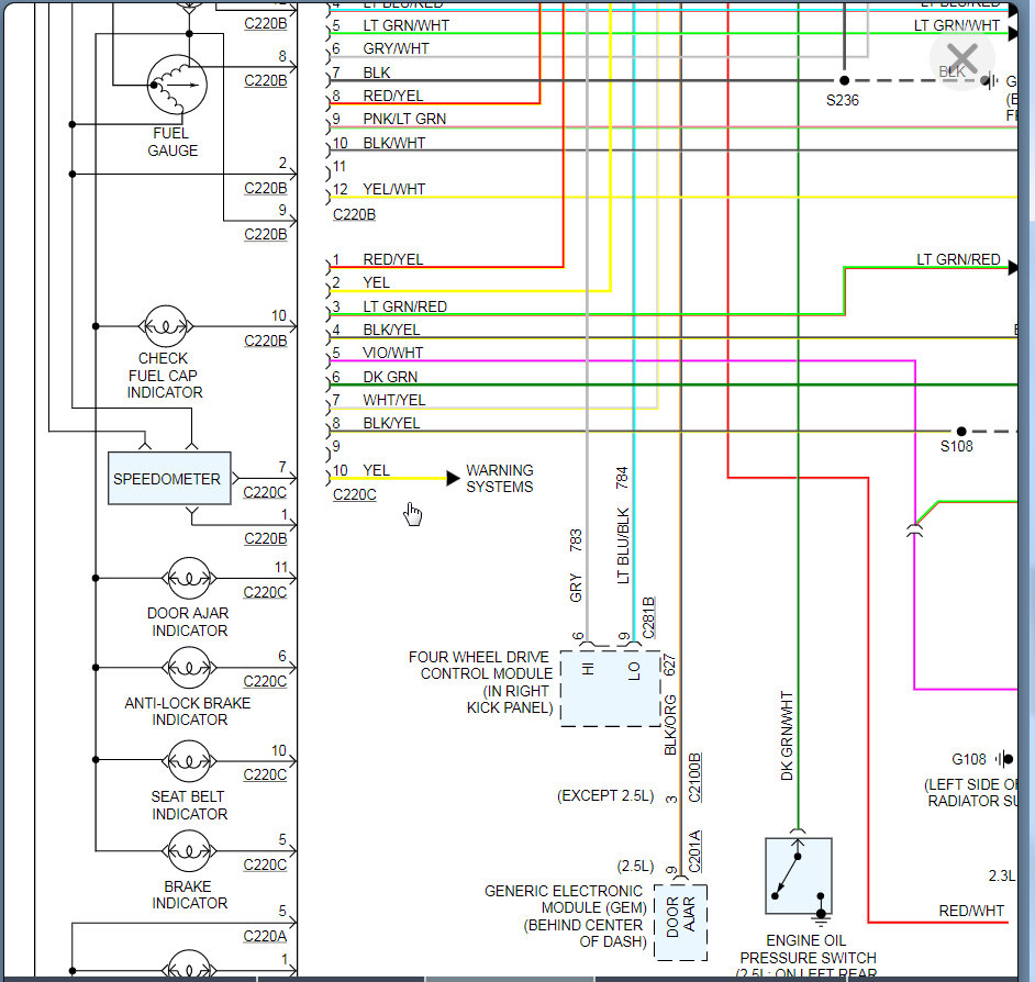
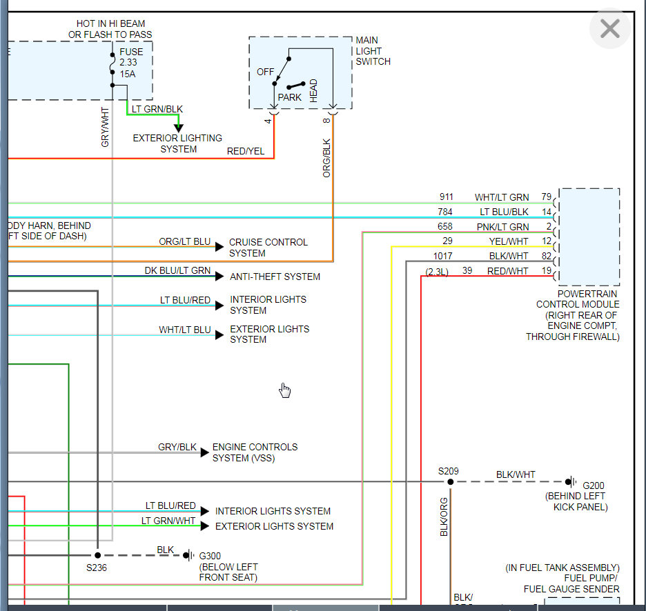
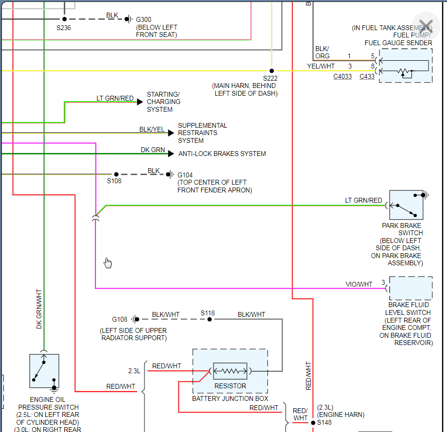
I attached the wiring diagram. Unfortunately there isn't one fuse for all the gauges however, part of the diagram are the fuses related to the cluster.

I suspect that the cluster is the main issue. If you mixed up fuses then it is possible that you put a smaller fuse in and it blew.

So I would check these fuses and if they are ok then I suspect the cluster has failed.

Let me know what you find and we can go from there. Thanks
Jan 3, 2020 at 4:44 PM
Avatar
ALBERT CHIU
  • MEMBER
  • 3 POSTS
Hi folks,

I just got the truck listed above. The instrument cluster dash light not working and everything else is good.
No blown fuses ,then I took out the 4 pin instrument cluster dimmer switch and directly use a jumper wire to test the pins in the connector to dashboard. It works when I put the jumper wire between power wire pin and ground wire pin.
My conclusion is instrument cluster cluster dimmer switch is bad, but is it fixable? I got 11.7 ohm between this resistor, anyone knows what’s the standard spec of this resistor?
Thanks for any help!

Albert
Dec 15, 2020 at 7:12 PM (Merged)
Advertisement
Avatar
ALBERT CHIU
  • MEMBER
  • 3 POSTS
Here’s the one I took out. Thanks!
Dec 15, 2020 at 7:12 PM (Merged)
Avatar
STRAILER
  • CERTIFIED EXPERT
  • 53,855 POSTS
Sorry we don't what makes you think the resistor is bad? It looks like you have heat damage to most of the unit? I would just replace it.
Dec 15, 2020 at 7:12 PM (Merged)
Avatar
KASEKENNY
  • CERTIFIED EXPERT
  • 18,907 POSTS
Hi,

Here is the test for the dimmer. Unfortunately we don't have a spec for this resistor so the only way to know that is to check another one that works. They don't provide it because they don't expect people to rebuild them.

Clearly anything is possible but they are cheap enough that if it fails this test, it is better to just replace it.

Let me know if you have questions. Thanks
Dec 15, 2020 at 7:12 PM (Merged)
Avatar
ALBERT CHIU
  • MEMBER
  • 3 POSTS
Thank you Ken and KASEKENNY1,
My first thought was wrong.
Finally got some time working on it today, the test was 50-50 situation. Then I figured out there’s some loosing connection problem and fixed it. I’ll keep it in service until it fails again.
Thank you very much guys!!

Best,
Albert
Dec 15, 2020 at 7:12 PM (Merged)
Avatar
SB11469
  • MEMBER
  • 1 POST
1996 Ford Ranger, 90K miles. The gauges in the instrument panel do not work,
( speedo/Tach/Temp/Fuel ) including the odometer. I have checked the fuses in both the interior fuse panel and under the hood. They all are intact. Where should I look next to diagnose the problem?
Dec 15, 2020 at 7:12 PM (Merged)
Avatar
2CARPRO JACK
  • CERTIFIED EXPERT
  • 11,533 POSTS
in the fuse panel under the dash- fuses 11, 25, 15, 30 all power the dash. Try the underhood power center, there are several fuses there too
Dec 15, 2020 at 7:12 PM (Merged)
Avatar
KASEKENNY
  • CERTIFIED EXPERT
  • 18,907 POSTS
Sounds great. Thanks for the information. I am sure others can benefit from it. Which connection was it that was loose?
Dec 15, 2020 at 7:12 PM (Merged)