The fuel gauge is not working after replacing the fuel pump and steering column?

1993 CHEVROLET SILVERADO
300,000 MILES • 5.7L • V8 • 2WD • AUTOMATIC
Avatar
ANGI ALLARD
  • MEMBER
  • 3 POSTS
Changed fuel pump and steering column and now fuel gauge not working.
Jun 3, 2023 at 7:38 PM
Advertisement
Avatar
STRAILER
  • CERTIFIED EXPERT
  • 53,854 POSTS
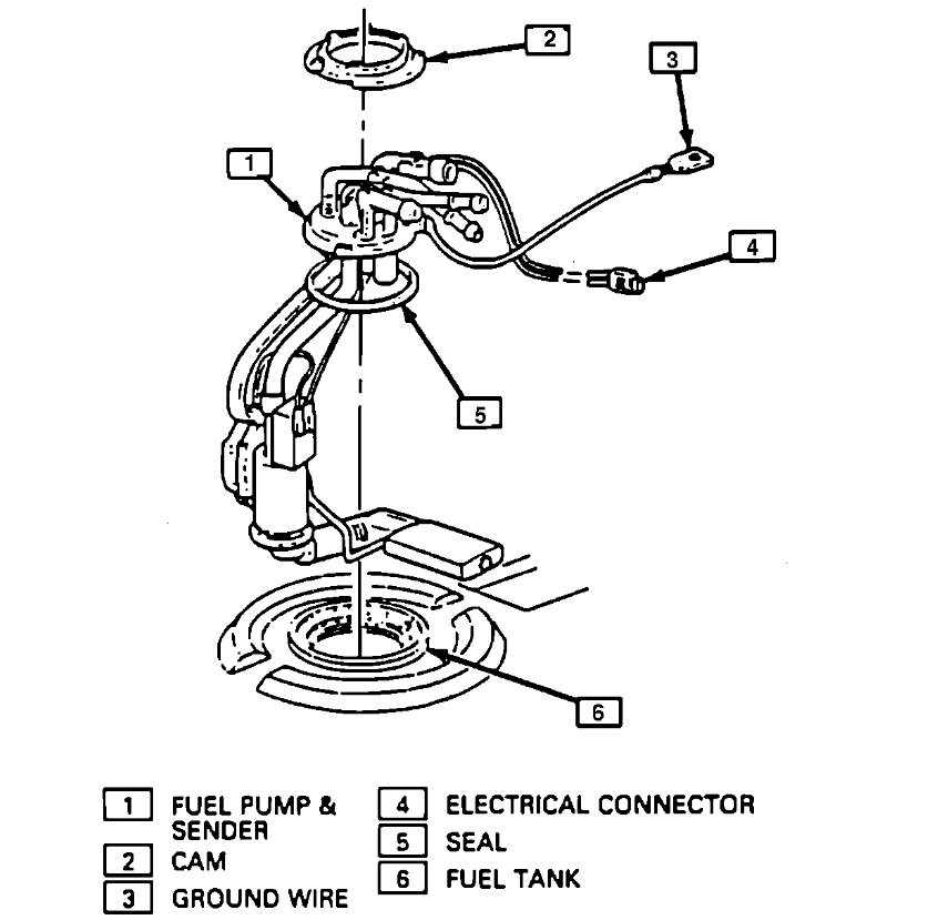
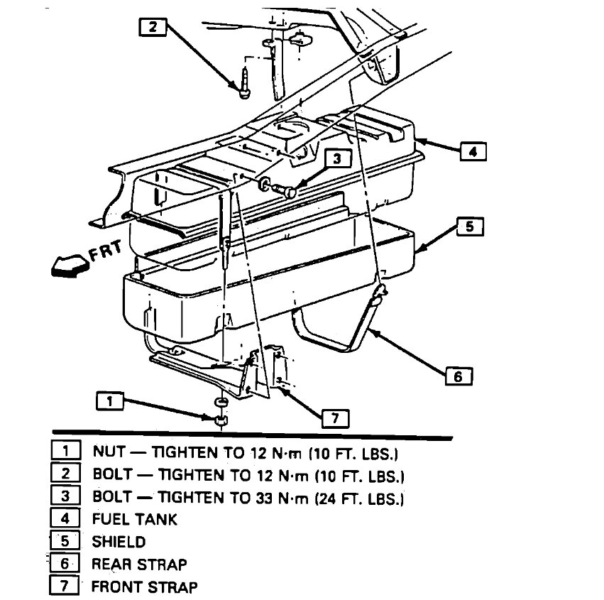
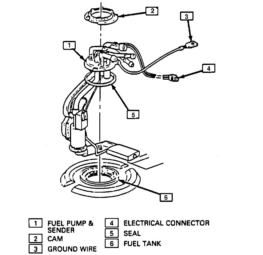
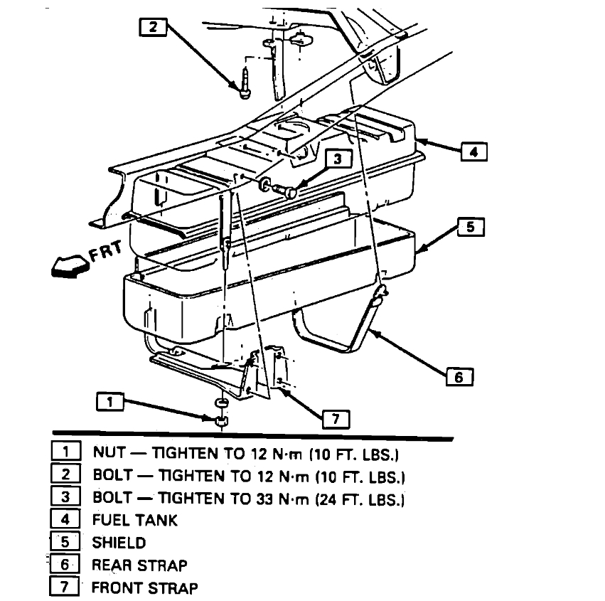
Changing the fuel pump is probably the problem, the gauge float mechanism is attached to the fuel pump and if the wires are not connected correctly the fuel gauge will not work. Here are instructions on how to do the job correctly in case you need them. Check out the images (below). Let us know what happens and please upload pictures or videos of the problem so we can see what's going on.
Jun 5, 2023 at 9:59 AM