While parked gas leaked out of the tank

1986 MERCEDES BENZ 560SEL
200,000 MILES • 4WD • AUTOMATIC
Avatar
MO5204
  • MEMBER
  • 1 POST
All gasoline came out of tank suddenly while parked. need someone to fix it.

Thanks
Apr 14, 2019 at 12:58 AM
Advertisement
Avatar
SCGRANTURISMO
  • CERTIFIED EXPERT
  • 4,897 POSTS
Hello,

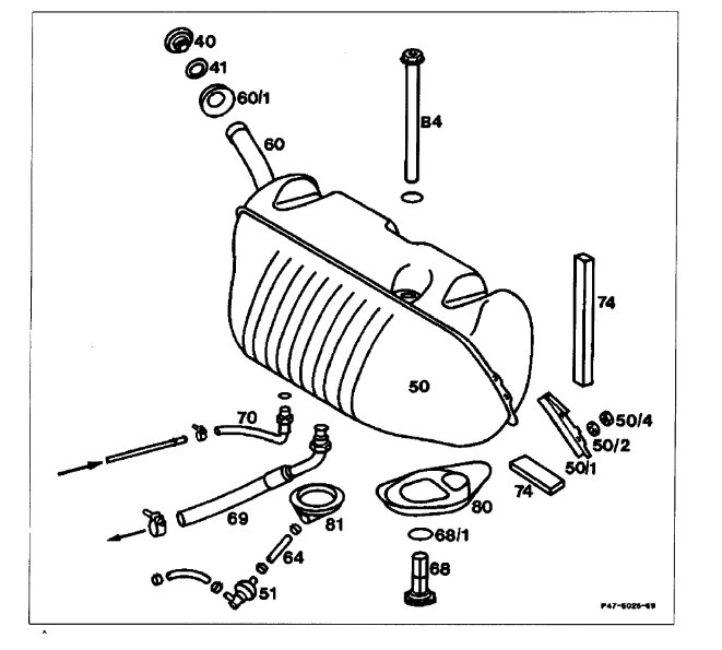
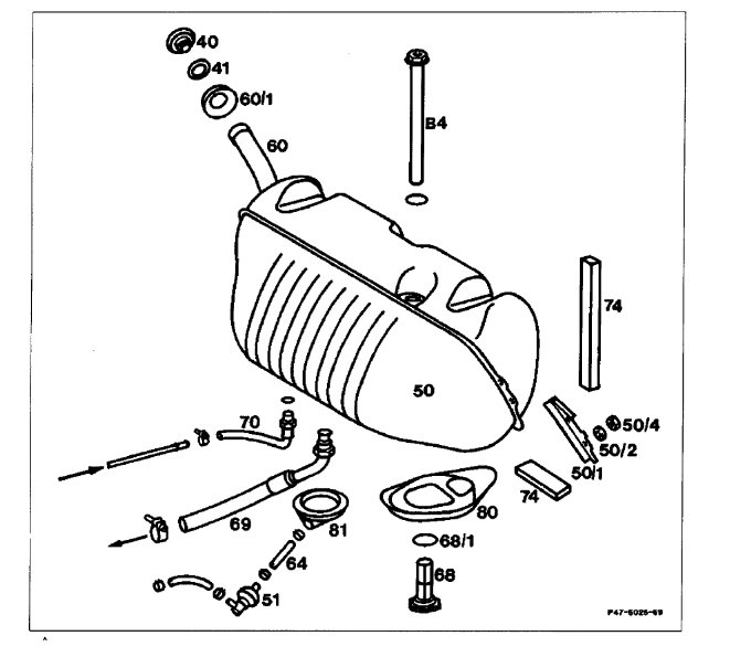
There are some gas tank patch kits out there and you should be able to find one at your local auto parts store for a reasonable price. I would consider this a temporary fix though and look into getting a new gas tank. Gas is extremely flammable and a patch like this is something that I personally would not trust for long. I have included in the diagrams down below a step by step guide for the removal and installation of the fuel tank in your vehicle. Please get back to us with what happens.

Thanks,
Alex
2CarPros
Apr 14, 2019 at 2:14 AM