Gas smell after fuel pump replacement

2004 CHEVROLET TAHOE
202,000 MILES • 5.3L • V8 • 2WD • AUTOMATIC
Avatar
KIERSTON KRISTEL RENO
  • MEMBER
  • 2 POSTS
The vehicle listed above is a FlexFuel model. I had my fuel pump and filter changed last week. I filled up the tank and could smell some gas near the back end of the truck, assumed it was some spilled gas from replacement. Twice, while driving, I got a warning to tighten the gas cap. Stopped both times and made sure gas cap was tight. I filled back up today and drove about 8-10 miles from the gas station to pick up my kids and the gas smell was very bad near rear of vehicle. I tightened the gas cap warning again, so I stopped and bought a new gas cap. Got home and truck has sat about an hour and gas smell is still there. It’s much less when truck is shut off, but I can only smell it near the back of the truck. Not inside anywhere else around the truck.
May 1, 2022 at 1:16 PM
Advertisement
Avatar
STRAILER
  • CERTIFIED EXPERT
  • 53,855 POSTS
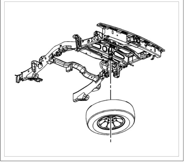
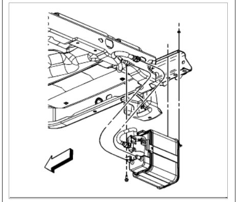
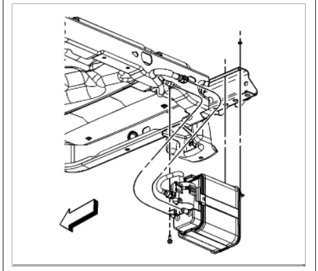
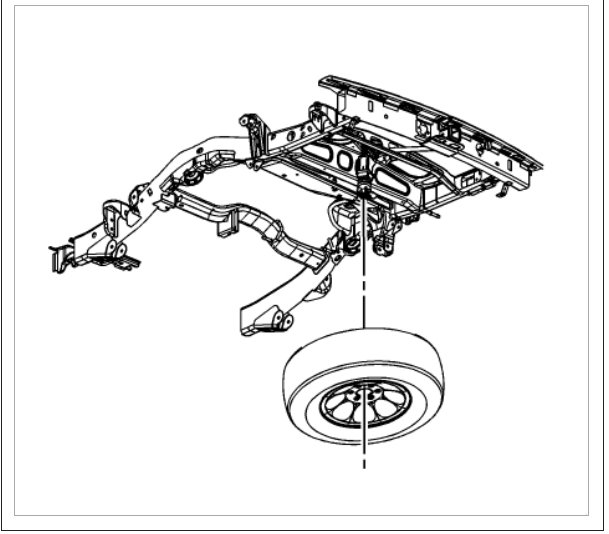
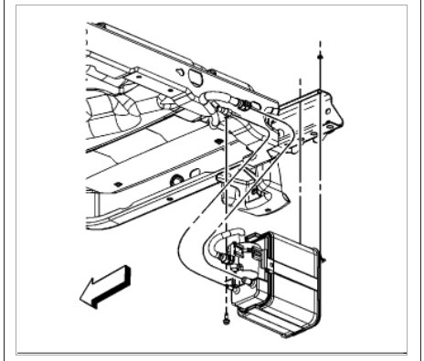
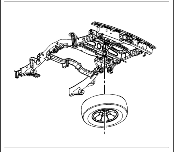
It sounds like the fuel pump has not installed correctly and is leaking from the main seal, this is common, here are the instructions in the diagrams below to show you the correct way to change the fuel pump. Check out the diagrams (below). Let us know what happens and please upload pictures or videos of the problem.
May 2, 2022 at 2:09 PM
Avatar
KIERSTON KRISTEL RENO
  • MEMBER
  • 2 POSTS
I won’t be able to do anything with it again until this weekend. I will update when I can. The diagrams were extremely helpful. I appreciate your input.
May 2, 2022 at 5:18 PM
Advertisement
Avatar
STRAILER
  • CERTIFIED EXPERT
  • 53,855 POSTS
Okay, please let us know.
May 2, 2022 at 6:20 PM