No power to fuel pump

2009 TOYOTA YARIS
110,000 MILES • 4 CYL • 2WD • AUTOMATIC
Avatar
SAUL PULIDO
  • MEMBER
  • 1 POST
Electric gas pump, no power.
Jun 4, 2019 at 2:31 PM
Advertisement
Avatar
ASEMASTER6371
  • CERTIFIED EXPERT
  • 52,796 POSTS
Good afternoon,

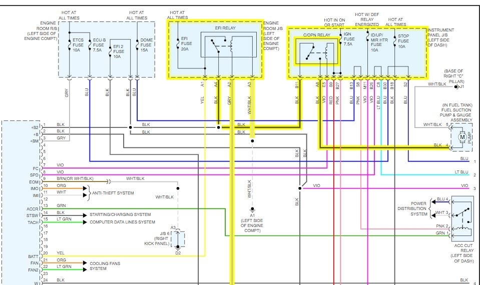
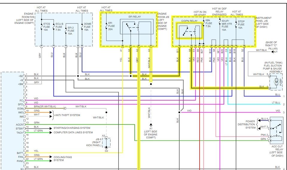
I attached a wiring diagram for you to view.

Check both fuses listed for power on both sides.

Do you have a voltmeter or test light to do some checks for power at the fuel pump?

Roy
Jun 4, 2019 at 2:47 PM
Avatar
SAUL PULIDO
  • MEMBER
  • 1 POST
All the fuses are good. I need to know where the power relay is located.
Jun 4, 2019 at 4:54 PM
Advertisement
Avatar
ASEMASTER6371
  • CERTIFIED EXPERT
  • 52,796 POSTS
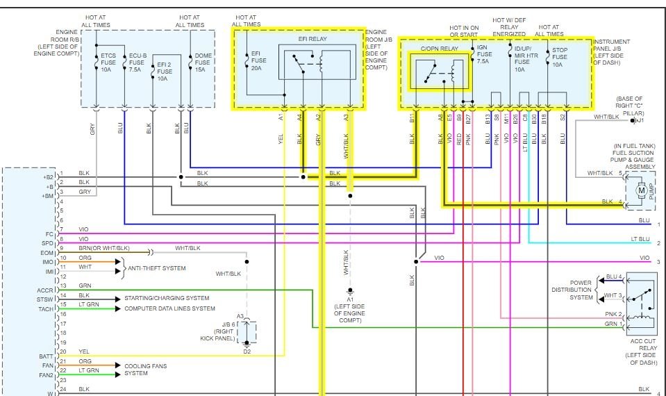
Location for you.

Roy
Jun 4, 2019 at 5:00 PM