Gas odor

1998 HONDA ACCORD
122,000 MILES • 3.0L • V6 • 2WD • AUTOMATIC
Avatar
TONYSBABYGIRL
  • MEMBER
  • 67 POSTS
For the last week I've notice a gas odor coming from my car. I'm not sure if there's a leak because where I park my car, it's gravel/rocks. Someone looked underneath and thinks he saw slight dripping.Yesterday and today something new happened. I start my car, which starts right up. I go down my street (which is maybe 300 feet). After coming to a full stop at a stop sign, I step on the gas and nothing happens. It's like it's in neutral. After a few seconds it will slowly start to go until it's running normal again. At first I thought this was my transmission causing the problem until I remembered about the gas odor. One person suggested it could be the gas filter.
Aug 8, 2020 at 7:37 AM
Advertisement
Avatar
KASEKENNY
  • CERTIFIED EXPERT
  • 18,907 POSTS
Clearly this is a serious issue because you should never smell fuel. If you smell it then clearly you have a leak that we need to find. What I would suggest is parking the vehicle in a parking lot (away from anything else) and turn the key to the on position. This is the position just before the start position that cranks the engine. This will turn the fuel pump on and pressurize the system. Once this happens you will need to look under the vehicle and try to find the general area that this is coming from. once we know the area that this is coming from then we will be able to better know what the possible causes or sources are. As for the issue of not moving, that could be related to fuel pressure but we need to fix the leak first and then see if that fixes the other issue. No sense in figuring that out if the vehicle is leaking fuel because it is not safe to drive so that issue doesn't matter as much right now.

Let me know if you have any questions. Thanks
Aug 8, 2020 at 4:23 PM
Avatar
TONYSBABYGIRL
  • MEMBER
  • 67 POSTS
My son did as you said, and it was coming from the second from the bottom pipe that you see in the picture. Whatever needs to be replaced, do you think an amateur would be able to do this? From the video that I just saw, maybe I should mention that the amateur is a plumber who deals with pipes.
Aug 9, 2020 at 2:50 PM
Advertisement
Avatar
KASEKENNY
  • CERTIFIED EXPERT
  • 18,907 POSTS
Oh my. Yeah that is the cause. Clearly this is something you need to decide if you are comfortable doing. If you are a plumber then this is nothing new but the only difference is this is a fuel line.

I am attaching a picture of a repair kit that basically you cut out the rusted line and splice in this new line. Otherwise you have to replace the entire fuel line and I would do each of those lines where the rust is. So to replace all those lines, that is a pretty extensive repair.

If you feel good about using this type of repair line then I would go for it because the principal is no different then repairing a drain line that has a crack in it. You don't cut the walls open and replace the entire pipe. You cut out the crack and use two connections and put a new piece in.

Let me know if you have more questions on this.
Aug 9, 2020 at 6:31 PM
Avatar
TONYSBABYGIRL
  • MEMBER
  • 67 POSTS
My ex husband fixed the leak, but the next day I had 4 other leaks in other areas. He said that both the in and out fuel lines both should be replaced. He can do the job, I just need to buy the parts. The problem I'm having is finding what exactly I need. Do these lines have a specific name? I called up AutoZone and there was nothing coming up on their computer, which I don't understand. Maybe she wasn't putting in the correct term?
Sep 7, 2020 at 9:25 PM
Avatar
TONYSBABYGIRL
  • MEMBER
  • 67 POSTS
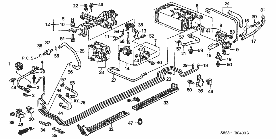
I found one diagram on the internet but I think it's for a 2.3. I have a 3.0 if that matters. This is the diagram from that. He says I need # 19, 23, and 29. Is that correct and what are the actual names so I can order them?
Sep 8, 2020 at 10:52 AM
Avatar
KASEKENNY
  • CERTIFIED EXPERT
  • 18,907 POSTS
These lines are called the fuel supply and return line. I attached some diagrams for your vehicle.

If he wants to, he can just get some straight fuel lines and remove the old then bend the lines to match the hold ones. This is much easier then it sounds and much cheaper.

If not, then just sourcing fuel lines, supply and return, would get you the parts you need. Let us know if you have other questions. Thanks
Sep 8, 2020 at 7:27 PM
Avatar
TONYSBABYGIRL
  • MEMBER
  • 67 POSTS
He said I need all 3 of those pipes (or whatever they are). Do they come separately or together? My searches are coming up with so many different things I have no idea what to order. I'm just getting very frustrated because he only has time to fix this and not help me with this part. It's all up to me to order them, but I don't know what I'm looking for.
Sep 8, 2020 at 7:56 PM
Avatar
KASEKENNY
  • CERTIFIED EXPERT
  • 18,907 POSTS
I understand. Here is a link to a parts site. I have never used this site but it appears to match your vehicle.

https://www.linestogo.com/honda-accord-fuel-line-1998-4-door-v6-automatic-fl1101-1a-set/?product_id=602&device=c&msclkid=1e1829a4bd791231ae5e76fcfa066153&utm_source=bing&utm_medium=cpc&utm_campaign=Shopping%20-%20Standard&utm_term=4580565448158734&utm_content=All%20Products

I would suggest just doing an internet search for fuel lines for your vehicle. Then if you are not sure, call the support number and let them look up their part number for your vehicle.

On this specific website, it does not say for the 3.0L. It says V6 so I am sure that is this engine but clearly I would want to confirm that. It is nicer when they give specifics like that but I think the 3.0L was the only V6 offered.

Hopefully this helps.
Sep 8, 2020 at 8:14 PM
Avatar
TONYSBABYGIRL
  • MEMBER
  • 67 POSTS
Oh thank you so much! I think that's it. The only difference that I see is that it says 4 door and mine is a coupe, but I'll call and ask them. Again, thank you so much!
Sep 8, 2020 at 8:31 PM
Avatar
KASEKENNY
  • CERTIFIED EXPERT
  • 18,907 POSTS
Okay. I am glad you said that because that would make a difference. I would think the length would be different so calling them is wise. Also I would shop around a little bit because you may find other suppliers that have better prices. Thanks for the update. Glad to help. Let us know how it turns out when you get it wrapped up. Thanks.
Sep 9, 2020 at 4:07 AM
Avatar
TONYSBABYGIRL
  • MEMBER
  • 67 POSTS
Unfortunately, that won't fit my car. I'm searching around and I can't find another set like that. When I look at buying the 3 parts individually, the total price would be about double the $177.00 which is the price for the set you pointed me to. That's a big difference. That's way too much for me.
Sep 9, 2020 at 7:38 AM
Avatar
KASEKENNY
  • CERTIFIED EXPERT
  • 18,907 POSTS
Unfortunately I am finding the same thing. At this point the only other option that I see is you contact surrounding salvage yards. Clearly I am not sure what the inventory will be and if you will find a set but I am sure you will find one or two of them and then if you have to buy the last new, at least the others brought your overall cost down.
Sep 9, 2020 at 5:12 PM
Avatar
TONYSBABYGIRL
  • MEMBER
  • 67 POSTS
I keep coming across rubber hoses. I know one type is call Push Lock. Can those be used for replacing the whole line or is that just for repairing part of it?

Or better yet, I was thinking about what you said about getting a straight pipe and bending it. I'm going to see if maybe he could just replace most of the pipes with that, figuring it might be easier when it comes to bending then replacing the whole thing. Less of the pipe repaired = less bending. I'm trying to make it easier on him.Is it all the same type of pipes when it comes to the feed, return and vent? And is there a specific type that makes it easier to bend?
Sep 9, 2020 at 9:18 PM
Avatar
KASEKENNY
  • CERTIFIED EXPERT
  • 18,907 POSTS
You can use rubber fuel line but if you do and it runs outside the vehicle and underneath it is most likely going to get cut by a rock or something else. This is why they use metal lines. Also, the rubber will dry rot eventually.

However, if you are not comfortable bending the tube then they do make repair kits. Just do an internet search on fuel line repair kits and you will see where you need to cut the damaged line out and splice in a new metal line.

Again, this is not the best idea because if you have multiple spots, you have a lot more joints that can leak. However, it may be your best solution and then use rubber line on any bends that you need to cut out.

Hope this helps.
Sep 10, 2020 at 7:12 PM