Good morning,
The issue is not hard to diagnose at all.
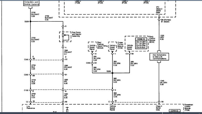
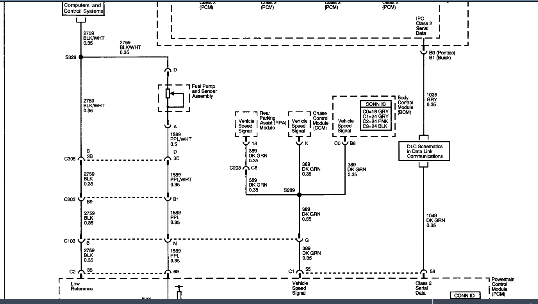
What needs to be checked is the voltage at the sender unit at the fuel tank. Voltage is sent to the unit and the return voltage is what is sent to the gauge unit.
The most common failure is the sender unit in the tank. Before that is confirmed, on your car there is a connector under the car by the left rear door that connects the car to the harness for the sender. It is very common for this to corrode and cause the issue. It may be as simple as cleaning or repairing it.
This can be confirmed when the voltage check is done at the sender. If there is no voltage, then the connector needs to be checked. If there is voltage, the sender may be the issue.
Roy
Nov 29, 2018 at 7:24 AM