Erratic fuel gauge

1999 CHEVROLET TAHOE
169,000 MILES • 4WD • AUTOMATIC
Avatar
JOE SOLIZ
  • MEMBER
  • 2 POSTS
When I turn truck on it reads over full tank then goes to less than quarter tank. going back and forth every few minutes. what's wrong with it?
Dec 12, 2020 at 2:06 AM
Advertisement
Avatar
JACOBANDNICKOLAS
  • CERTIFIED EXPERT
  • 110,175 POSTS
Hi,

Chances are it is either a bad ground or the fuel level sensor, which is a rheostat, is bad.
I am attaching the diagnostics for it, but they are quite extensive. The attached pics correlate with the directions.

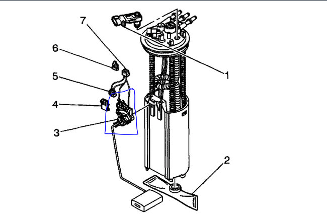
Pic 1, however, is a pic of the sensor I'm referring to. It is in the tank. I circled the sensor (rheostat).



FUEL GAUGE INACCURATE OR INOPERATIVE
Fuel Gauge Inaccurate or Inoperative

Diagnostic Aids

- Verify that the fuel level is in the same range as the customer concern.
- Use the fuel level sensor resistance in order to verify the fuel level sensor operation. When the fuel tank is empty, the fuel level sensor resistance is approximately 40 ohms. When the fuel tank is full the fuel level sensor resistance is approximately 250 ohms.

Test Description

The number below refers to the step number on the diagnostic table.

22.DTCs will set in the PCM when you perform this diagnostic table.


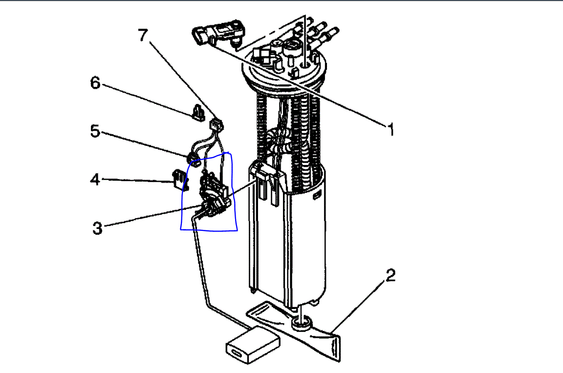
pic 2



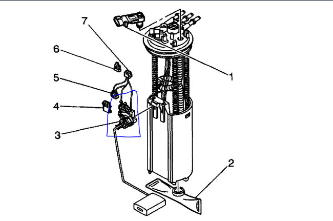
pic 3



pic 4



pic 5



pic 6



pic 7




pic 8

__________________

Here is a link you may find helpful:

https://www.2carpros.com/articles/how-to-check-wiring

Let me know what you find or if you have other questions.

Take care,
Joe
Dec 12, 2020 at 10:00 PM