Fusible link location

2005 CHEVROLET MALIBU
205,132 MILES • 3.5L • V6 • 2WD • AUTOMATIC
Avatar
CANDICE BRANSFORD
  • MEMBER
  • 4 POSTS
I have changed my alternator four different times and my car keeps draining its battery. the lights dim until it shuts off. I'm trying to find out where the fusible link is so I can check it to see if there's damage to it because I don't know what's wrong with it. please help. thank you
Jan 31, 2019 at 8:34 PM
Advertisement
Avatar
JACOBANDNICKOLAS
  • CERTIFIED EXPERT
  • 110,175 POSTS
Hi and thanks for using 2CarPros.

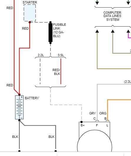
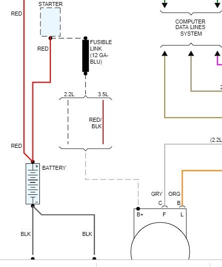
I attached a section of a wiring schematic for you to see. There is a fusible link that runs between the starter and the alternator which supplies power to the alt. It is the B+ wire on the alt that should have 12 volts.

Here is a link that shows how to use a volt meter. Also, I added testing wiring and test light instructions.

https://www.2carpros.com/articles/how-to-use-a-test-light-circuit-tester

https://www.2carpros.com/articles/how-to-use-a-voltmeter

https://www.2carpros.com/articles/how-to-check-wiring

Check for power to that point and let me know what you find.

Joe
Jan 31, 2019 at 8:55 PM