Is there any more fuses on this vehicle that is not under the hood? washer has blown a fuse and all the fuses are good in the box.
Aug 21, 2016 at 4:06 PM
Advertisement
RENEE L
CERTIFIED EXPERT
1,260 POSTS
Hello,
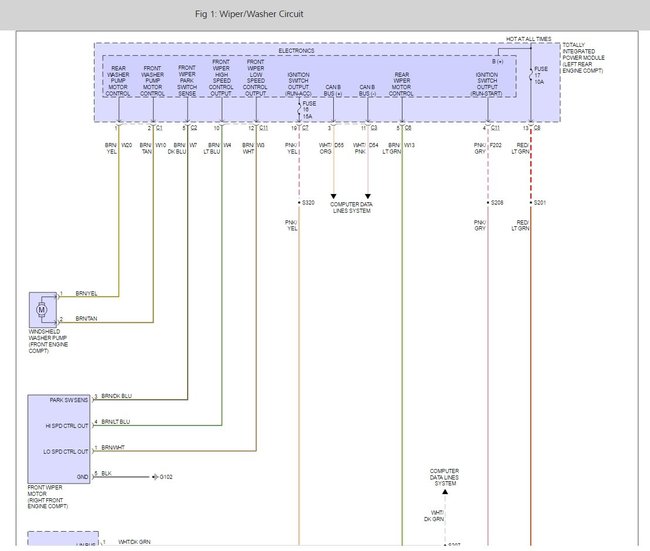
There is a controller that powers the windshield washer pump. Here is a wiring diagram to help you, it sounds like to pump has gone out, please let us know how it goes so it will help others
Best, Ken
Image (Click to enlarge)
Aug 30, 2016 at 9:51 AM
GEORGE MORASH
MEMBER
2 POSTS
It has to be that controller both pumps arent working ill take a look to find it tonight thank you
Aug 30, 2016 at 1:09 PM
Advertisement
RENEE L
CERTIFIED EXPERT
1,260 POSTS
Please let us know what happens so it will help others