fuses and relays location also gauges

2002 SAAB 9-5
177,978 MILES • 2.3L • 4 CYL • 2WD • MANUAL
Avatar
#1SAINTSFAN
  • MEMBER
  • 16 POSTS
trying to find out which fuse and relays govern the fuel system and locations.
Sep 19, 2019 at 3:11 PM
Advertisement
Avatar
KASEKENNY
  • CERTIFIED EXPERT
  • 18,907 POSTS
Hi,

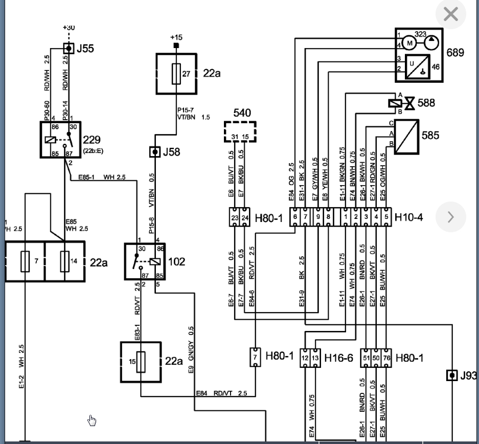
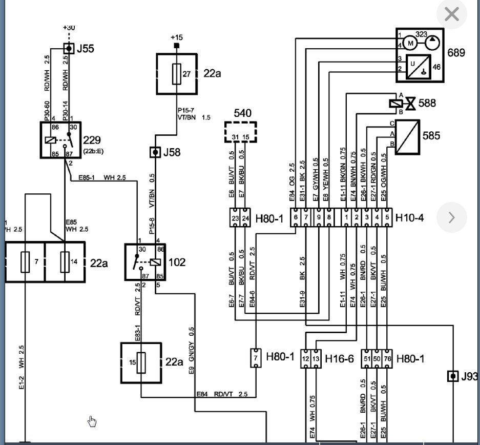
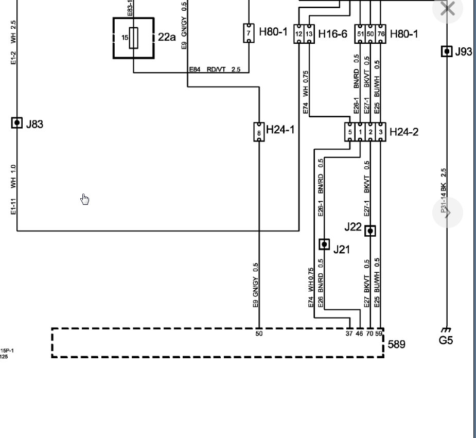
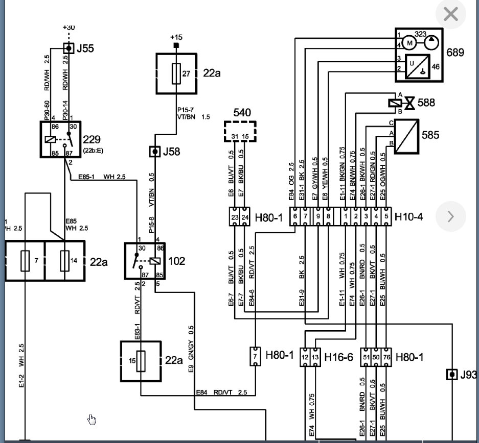
I attached the components of the fuel system. Unfortunately, they only have a diagram and the a description of where each are. It does not give a location view.

Let me know if this is not enough and I will see if I can find something via a Google search. Thanks
Sep 19, 2019 at 6:30 PM