First off i bought this truck last week and didn't give it a good look over.
The transmission is a 400 turbo
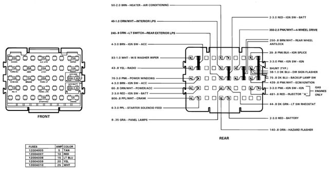
1.what amperage is the two battery fuses in the box under the steering column? it has a single wire running from the lower one. when tracing it, it runs to a cylinder under the dash.
2. my running, reverse and dash lights don't come on, everything else works as it should. any ideas?
3. installed a generic cigarette lighter into the ashtray, it doesn't work. what relay does it run on? i have the Hanes rebuild book and cant find it.
Thank you in advance for any help you can offer.
The transmission is a 400 turbo
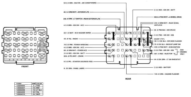
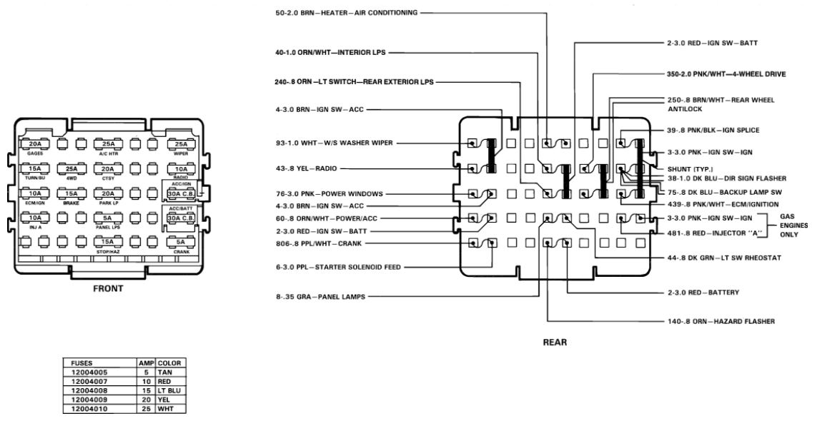
1.what amperage is the two battery fuses in the box under the steering column? it has a single wire running from the lower one. when tracing it, it runs to a cylinder under the dash.
2. my running, reverse and dash lights don't come on, everything else works as it should. any ideas?
3. installed a generic cigarette lighter into the ashtray, it doesn't work. what relay does it run on? i have the Hanes rebuild book and cant find it.
Thank you in advance for any help you can offer.
Sep 10, 2020 at 10:13 PM



