Fuses

1996 CHEVROLET SUBURBAN
25,849 MILES
Avatar
JARROD379
  • MEMBER
  • 4 POSTS
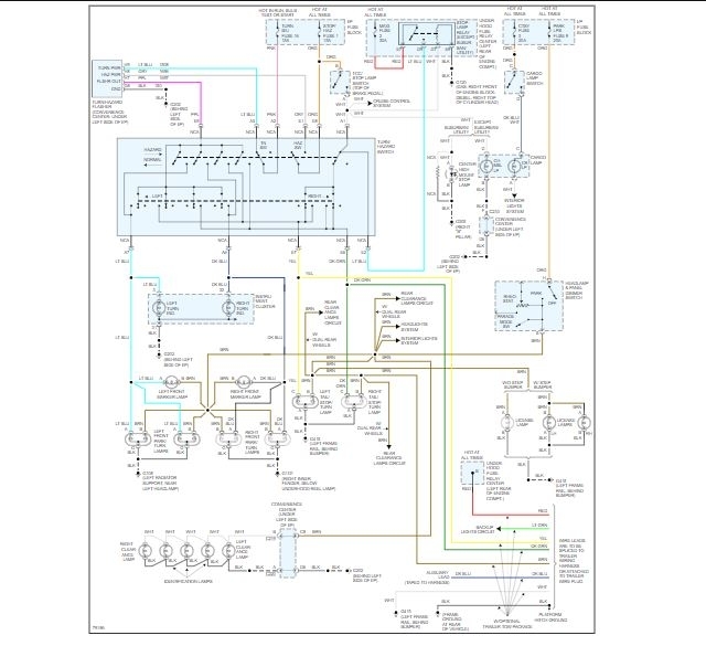
Do I have s 30amp fuse for my stopping and brake lights in the fuse panel under the hood of my SUV?
Jun 26, 2019 at 3:39 PM
Advertisement
Avatar
ASEMASTER6371
  • CERTIFIED EXPERT
  • 52,796 POSTS
Good evening,

No, that circuit only uses a 15 amp fuse. Do not install a larger fuse.

Roy
Jun 26, 2019 at 3:46 PM
Avatar
JARROD379
  • MEMBER
  • 4 POSTS
It that the fuse panel under the dashboard or in the engine bay?
Jun 26, 2019 at 3:50 PM
Advertisement
Avatar
ASEMASTER6371
  • CERTIFIED EXPERT
  • 52,796 POSTS
It is under the dash inside the car.

Roy
Jun 26, 2019 at 4:01 PM
Avatar
JARROD379
  • MEMBER
  • 4 POSTS
Ya, I just replaced it with a new one that the same as the one I took out. I’m still not getting any brake lights.
Jun 26, 2019 at 4:04 PM
Avatar
ASEMASTER6371
  • CERTIFIED EXPERT
  • 52,796 POSTS
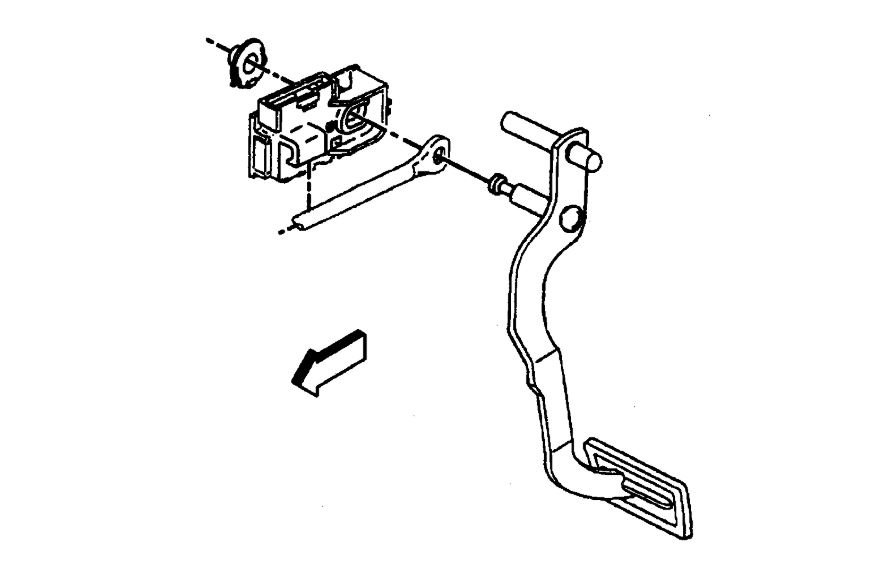
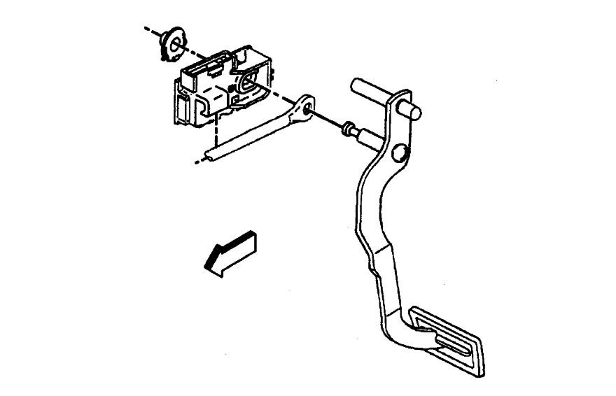
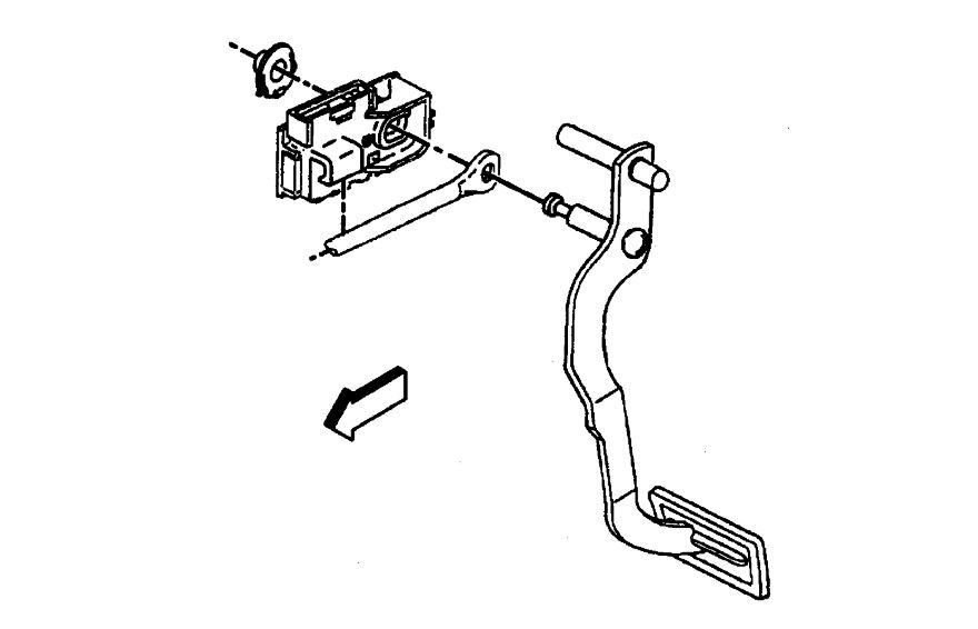
Okay, Did you test for power at the fuse with a test light or voltmeter?

https://www.2carpros.com/articles/how-a-car-fuse-works

You need to start there and then go to the switch on the pedal.

Roy
Jun 26, 2019 at 4:40 PM