Fuses

1999 MITSUBISHI MIRAGE
65,000 MILES • 4 CYL • MANUAL
Avatar
MELISSA M
  • MEMBER
  • 1 POST
My dash lights and brake lights are not working.
Sep 27, 2017 at 12:46 AM
Advertisement
Avatar
STEVE W.
  • CERTIFIED EXPERT
  • 15,113 POSTS
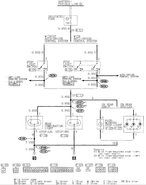
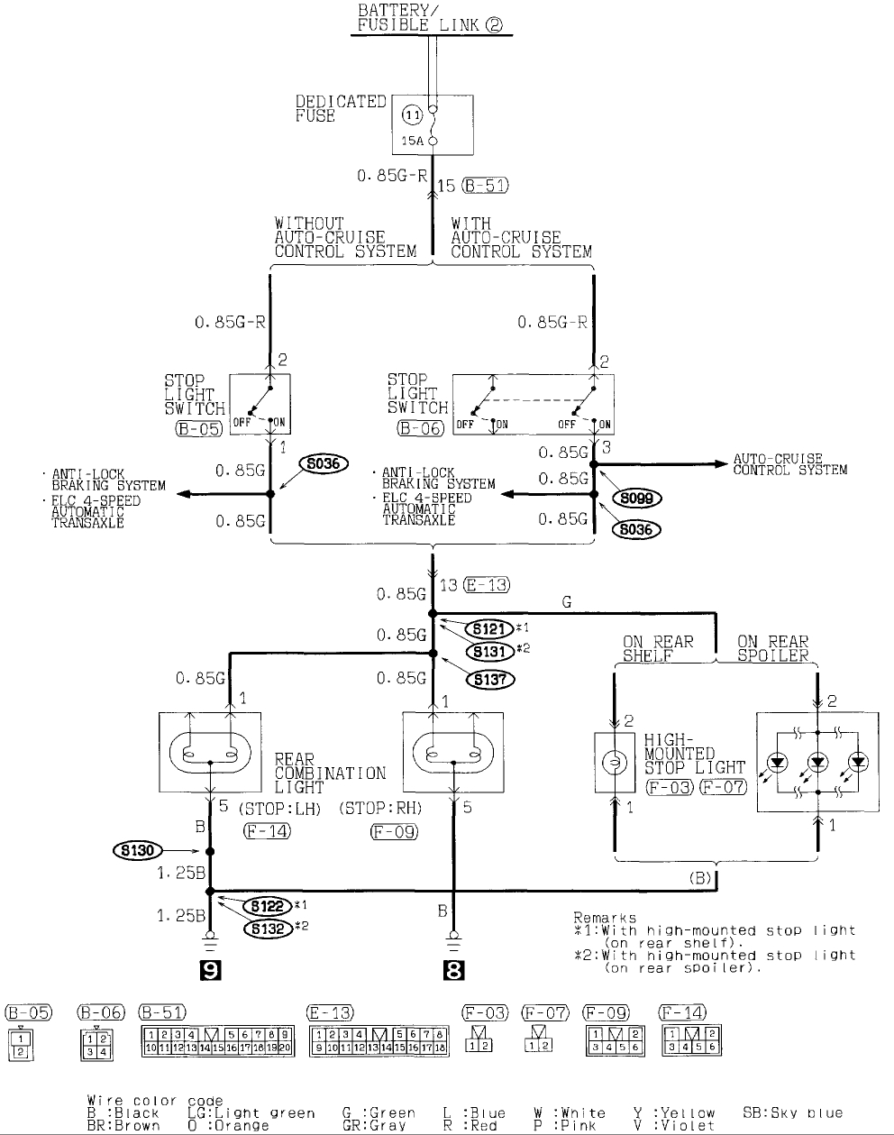
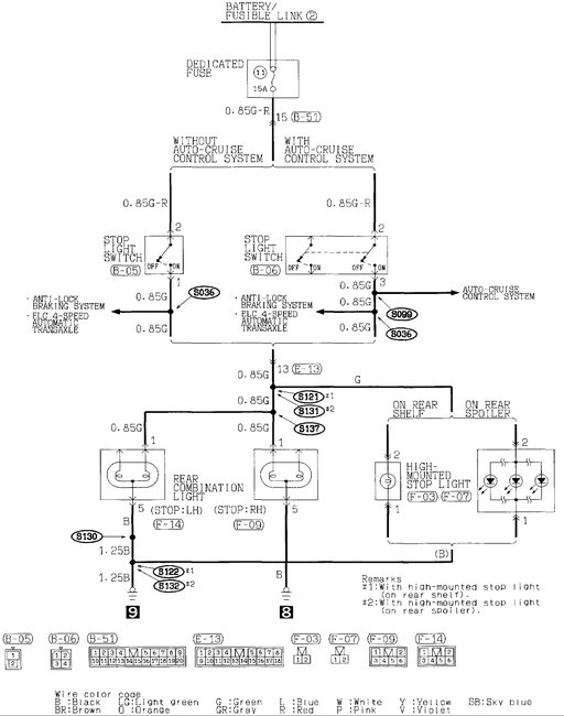
Well the dash lights are on fuse #7. However, if the radio, heater controls and rear defogger lamps are working it is not the fuse. They are all powered from the same source. The brake lights are on a dedicated fuse #11, but it could also be a bad brake switch.
Sep 27, 2017 at 7:20 AM