License plate lights not working

2014 CHEVROLET 1500
128,000 MILES • 0.6L • V8 • 4WD • AUTOMATIC
Avatar
THE FLAMEDOG
  • MEMBER
  • 1 POST
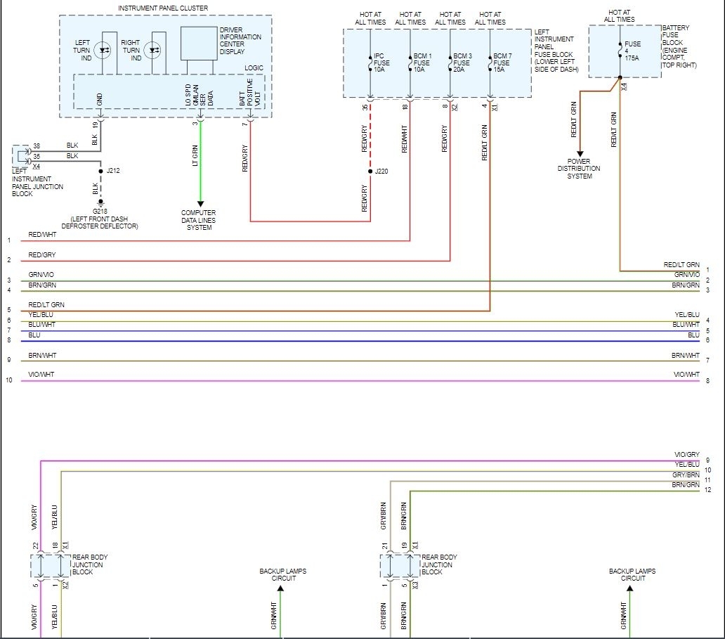
I have the truck listed above Silverado LTZ. The license plate lights aren't working. Already replaced the bulbs. Where is the fuse located at??
Apr 5, 2021 at 8:53 AM
Advertisement
Avatar
ASEMASTER6371
  • CERTIFIED EXPERT
  • 52,796 POSTS
Good afternoon,

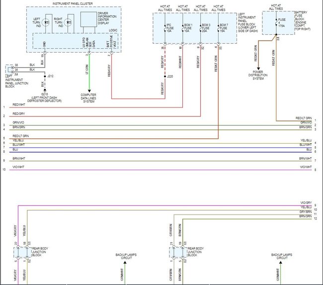
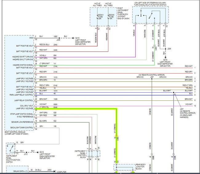
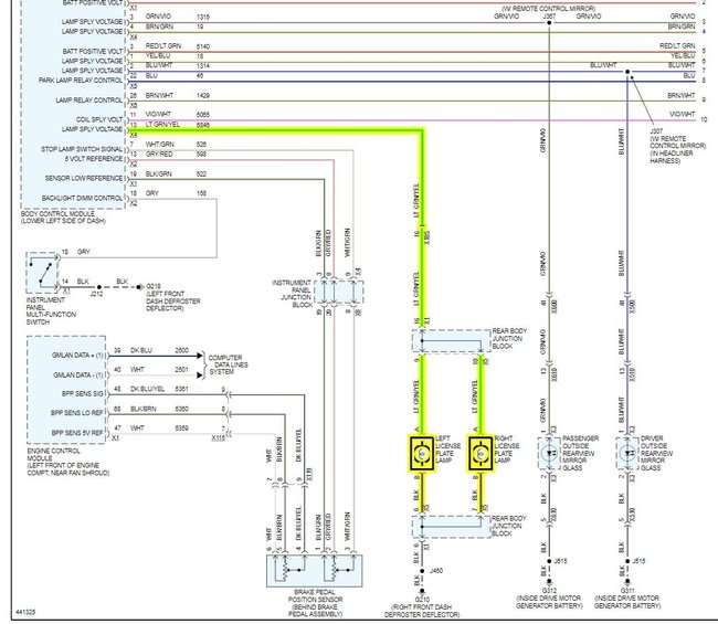
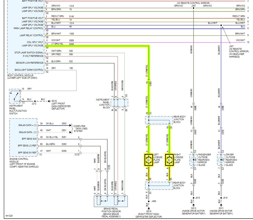
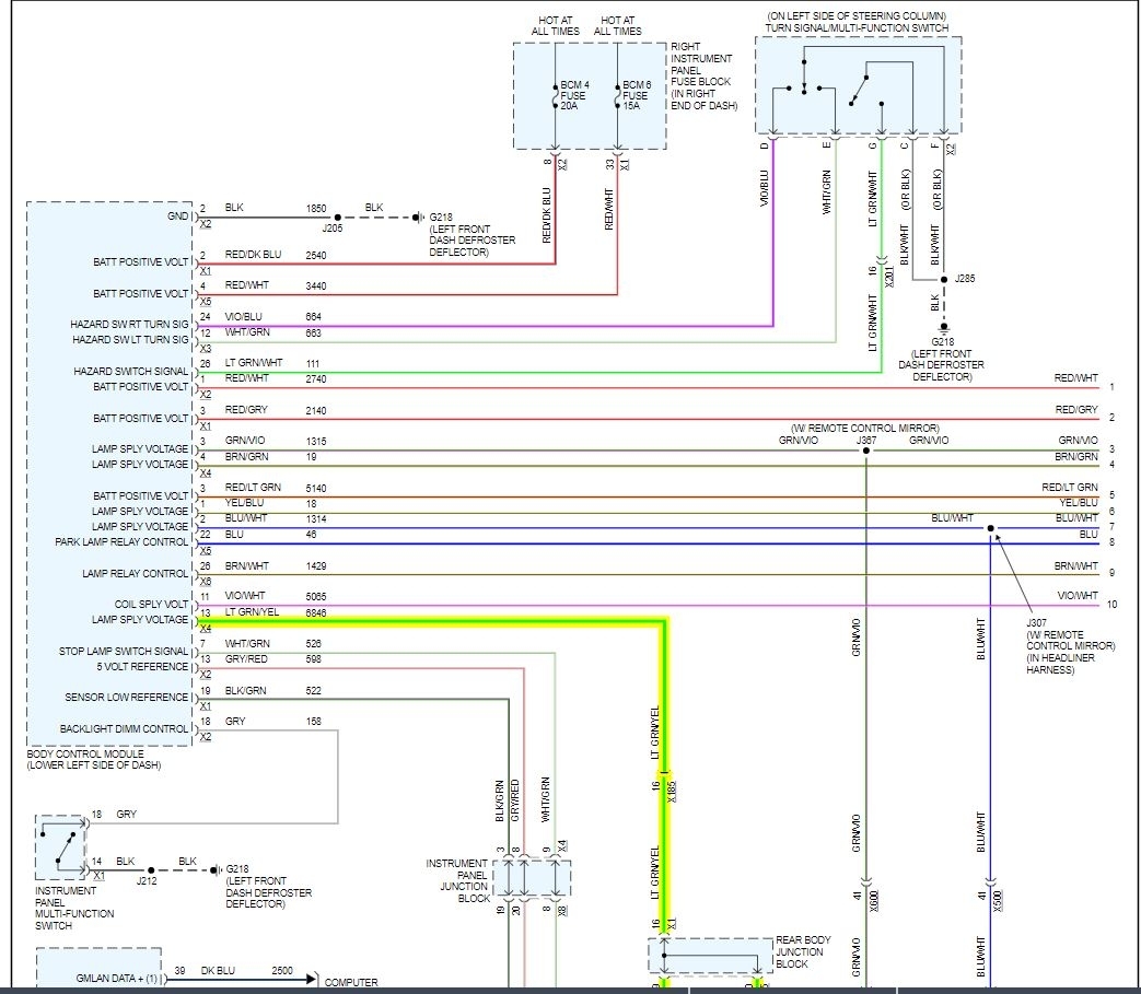
I attached a wiring diagram of the system for you. Check the green wire for power. If there is no power, then you need to go to the body control module as that is what powers the bulbs. There is no fuse.

https://www.2carpros.com/articles/how-to-check-wiring

https://www.2carpros.com/articles/how-to-use-a-voltmeter

https://www.2carpros.com/articles/how-to-replace-a-bcm-body-control-module

Roy
Apr 5, 2021 at 9:05 AM