Hi,
Are you referring to the AM1 and AM2 fuses located in the under-hood fuse / relay box? I not finding anything under EM1 or 2.
I attached the entire power distribution schematic below and highlighted the AM1 and AM2 fuses. The AM1 powers several things pre ignition switch. The AM2 goes directly to the ignition switch and then branches off in different directions.
Ultimately, both reach the ignition switch, but the AM1 powers several things before it reaches the switch. See schematic below.
Let me know if this helps or if you have questions.
Take care,
Joe
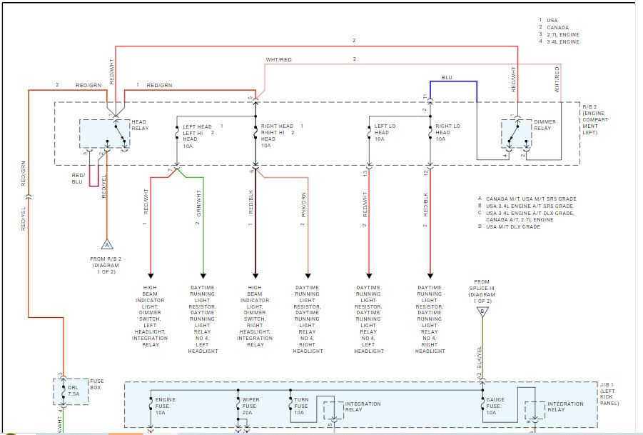
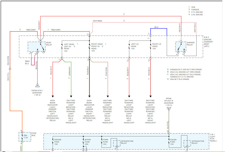
See pics below. Note the schematic was two pages long. I had to cut each page in half to make them readable. I did overlap them so you can follow from one to the next.
Images (Click to enlarge)
Sep 19, 2024 at 7:15 PM