Taillights are not working?

2012 VOLKSWAGEN JETTA
169,000 MILES • 2.5L • 5 CYL • 2WD • AUTOMATIC
Avatar
JSIMMS025
  • MEMBER
  • 2 POSTS
I’m having trouble with my taillights turning on at night. the brake lights work fine during the day when the light switch is off, but at night when I turn the light switch on my taillights don’t turn on and my fog lights either, but my brake lights work. I’ve replaced all the blown fuses. After I’ve tested them with the test light some of my fuses show power on neither side even with the car on, but I tested the area. I plugged those fuses in, and the test light lit up. I’m not sure what’s wrong with that, but other than that all the other fuses seem fine. I even tested taillights for power, but the test light didn’t light up. So, I’m confused and need help and yes, I’ve replaced the taillight bulbs with brand new ones and still nothing.
Jul 16, 2023 at 8:33 PM
Advertisement
Avatar
STRAILER
  • CERTIFIED EXPERT
  • 53,855 POSTS
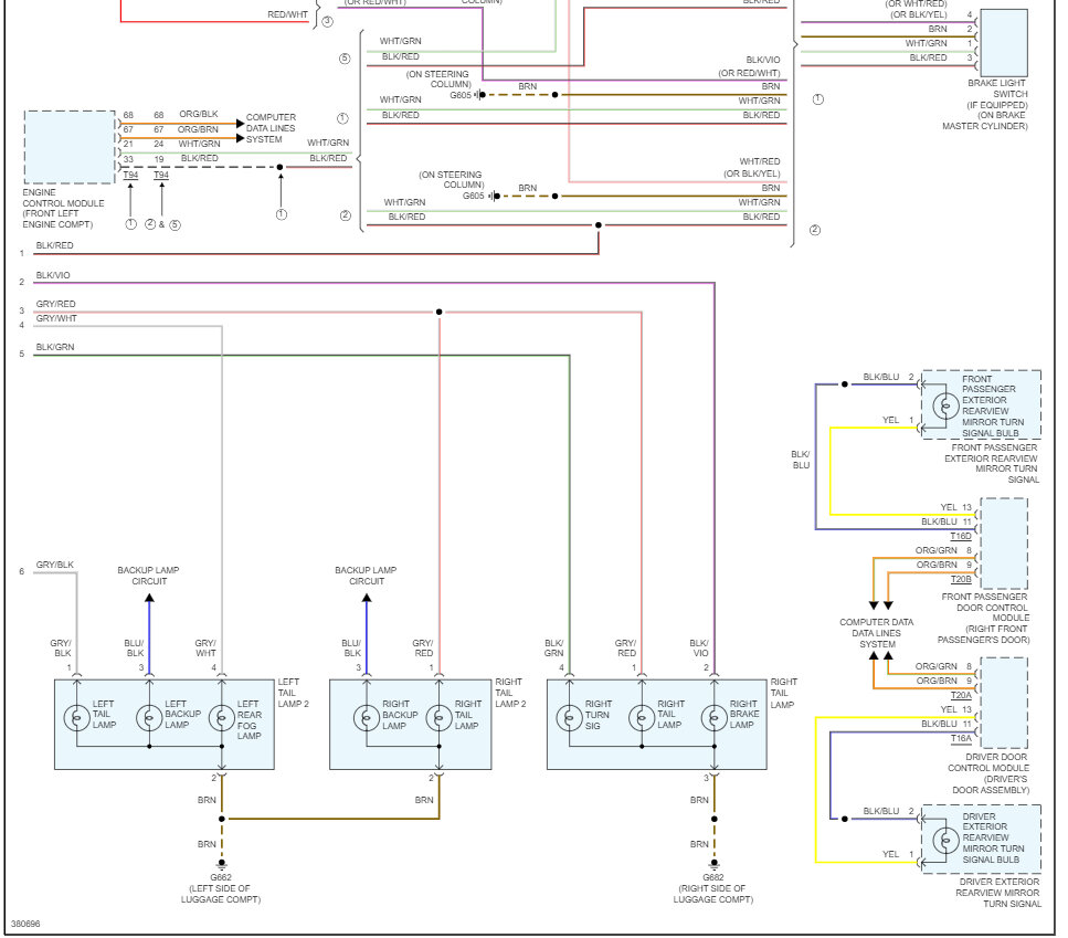
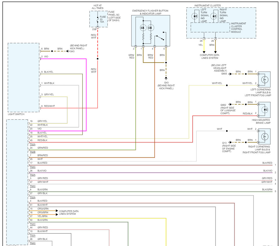
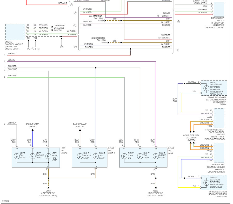
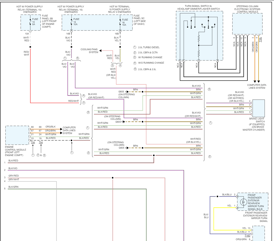
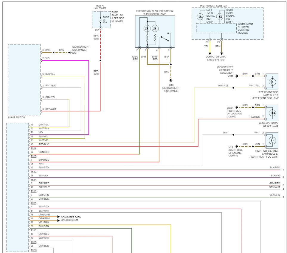
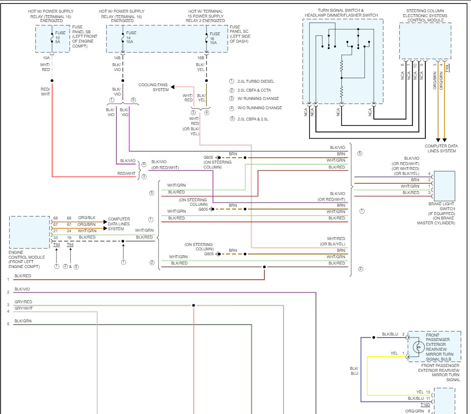
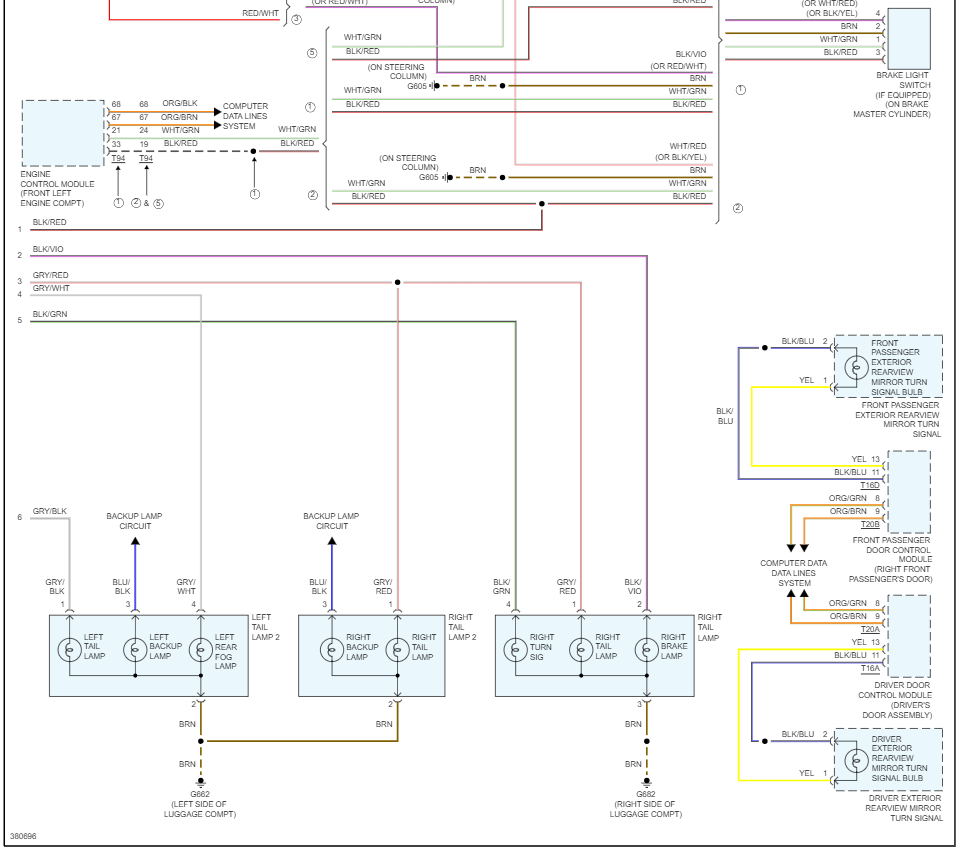
Chances are it is the light switch but let's check for power at fuse #23 on the left side of the dash this guide can help. I have also included the taillight wiring diagrams so you can see how the system works.

https://www.2carpros.com/articles/how-to-check-a-car-fuse

Next use this guide to test for power through the switch and the ground circuit as well:

https://www.2carpros.com/articles/how-to-use-a-test-light-circuit-tester

If the switch is good the problem could be the Vehicle Electrical System Control Module which we should be able to do a CAN scan to confirm. You can get a CAN scanner (Controller Area Network) which will work on most cars from Amazon.

here is a video to show you how:

https://youtu.be/u-4syLc-ifQ

Please check out this guide as well:

https://www.2carpros.com/articles/no-tail-lights-exterior-running-lights-tail-lights-out


Check out the images (below). Please let us know what happens.

Jul 17, 2023 at 12:53 PM
Avatar
JSIMMS025
  • MEMBER
  • 2 POSTS
I did some more testing around the light switch, there was no power in a couple wires. I followed those wires to a relay, I tested the relay it was fine, but then I tested inside of the relay. So, there’s no power getting to the relay, only one of them, and now I’m struggling to follow the wire from the relay to the source of its power so I can find out why the relay is not getting powered.
Jul 18, 2023 at 5:46 PM
Advertisement
Avatar
STRAILER
  • CERTIFIED EXPERT
  • 53,855 POSTS
If the power and ground for the system are good then I am leaning toward the Vehicle Electrical System Control Module being bad, I would try the CAN scan to see what codes come up.
Jul 20, 2023 at 10:09 AM