☰
Login
Join
×
Home
Answered Questions
Repair Topics
Repair & Service Guides
Popular Questions
Warning Lights
Trouble Codes
How It Works
Testing / Diagnostics
Symptoms
Videos
Login
Become a Member
Home
Toyota
Camry
Electrical
Alternator
Fuse
Alternator fuses location
1990 TOYOTA CAMRY
180,000 MILES • 2.0L • 4 CYL • AUTOMATIC
VISECT1
MEMBER
1 POST
FOLLOW
where is the alternator fuse located?
Jun 21, 2019 at 11:36 AM
Advertisement
ASEMASTER6371
CERTIFIED EXPERT
52,796 POSTS
Good afternoon,
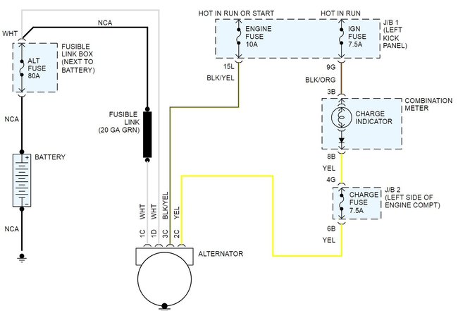
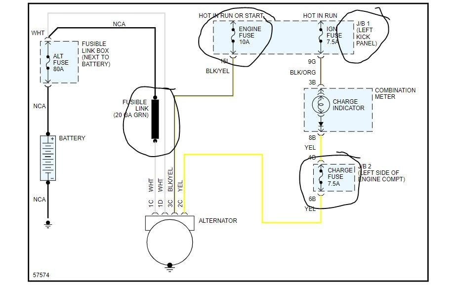
There are three. I attached a diagram and circled the fuses for you and the location is identified.
https://www.2carpros.com/articles/how-a-car-fuse-works
Roy
Image (Click to enlarge)
Jun 21, 2019 at 12:07 PM
STEVE W.
CERTIFIED EXPERT
15,113 POSTS
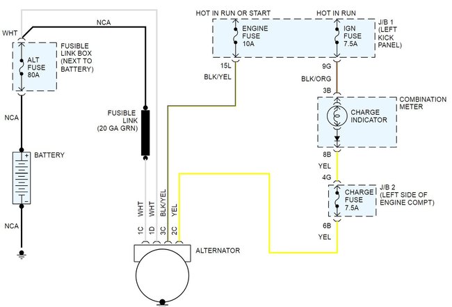
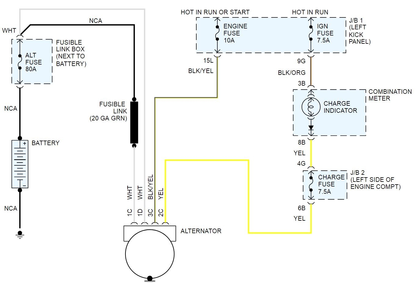
Welcome to 2CarPros. There are replaceable fusible links in the system. The main link is in a box nest to the battery. That is an 80 amp part. Then in the line to the alternator there is another fuse link that can fail.
Image (Click to enlarge)
Jun 21, 2019 at 12:16 PM
Advertisement