☰
Login
Join
×
Home
Answered Questions
Repair Topics
Repair & Service Guides
Popular Questions
Warning Lights
Trouble Codes
How It Works
Testing / Diagnostics
Symptoms
Videos
Login
Become a Member
Home
Mercury
Mountaineer
Brakes
Symptoms
Pedal Goes to the Floor
Brakes not working
2004 MERCURY MOUNTAINEER
200,300 MILES • V6 • 2WD • AUTOMATIC
ME LONE JONES
MEMBER
5 POSTS
FOLLOW
Fuse was replaced, brake switch replaced.
Dec 30, 2018 at 6:45 PM
Advertisement
DANNY L
CERTIFIED EXPERT
5,648 POSTS
Hello, I'm Danny.
Just to be clear; do you mean the brake lights are not working? Hope this helps and thanks for using 2CarPros.
Danny-
Dec 30, 2018 at 6:54 PM
ME LONE JONES
MEMBER
5 POSTS
Yes sir. The brake lights are not working at all. My husband replaced the brake switch and checked the fuse and still was not successful.
Dec 31, 2018 at 12:16 AM
Advertisement
ME LONE JONES
MEMBER
5 POSTS
Thank you for reaching back out to me.
Dec 31, 2018 at 12:16 AM
DOCFIXIT
CERTIFIED EXPERT
18,828 POSTS
do u have a test light? if yes check for power on wires to switch. Just asking did u check bulbs?
Dec 31, 2018 at 12:11 PM
ME LONE JONES
MEMBER
5 POSTS
Yes he checked bulb....getting ready to ask him about testing it...thank you so muc. I will get back with you in a few
Dec 31, 2018 at 1:48 PM
DANNY L
CERTIFIED EXPERT
5,648 POSTS
Hello again.
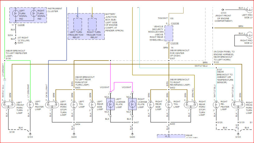
Attached below is the wiring diagram for the rear brake circuit.This is for the non-IVD. Hope this helps and thanks again for using 2CarPros.
Danny-
Image (Click to enlarge)
Dec 31, 2018 at 4:26 PM
ME LONE JONES
MEMBER
5 POSTS
Thank you so much! I'm passing this informative information onto my husband.Thanks again and have a Happy New Year!
Dec 31, 2018 at 10:27 PM
DANNY L
CERTIFIED EXPERT
5,648 POSTS
You're welcome!
Keep us updated and Happy New Year!
Danny-
Jan 1, 2019 at 12:22 AM