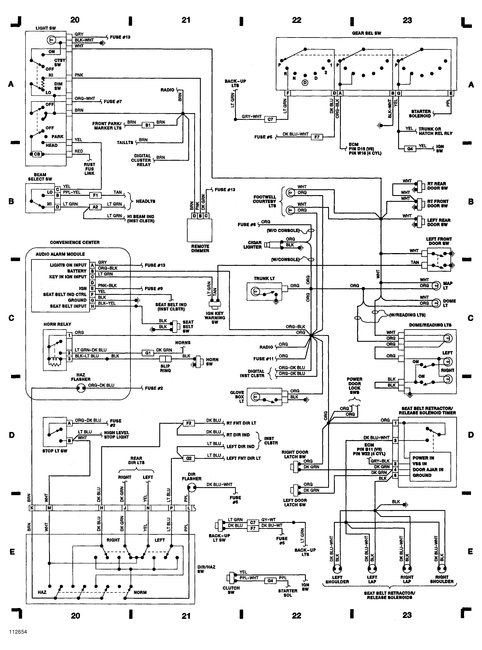
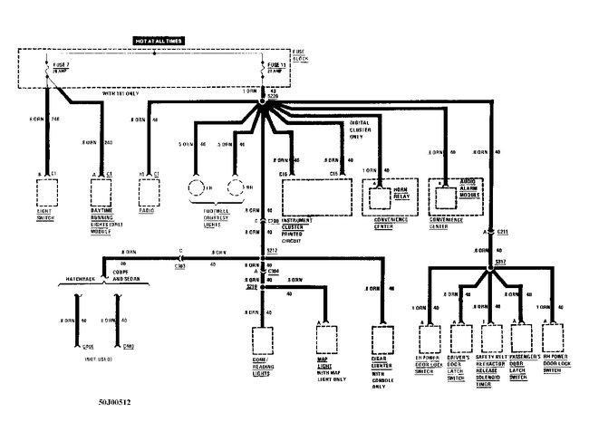
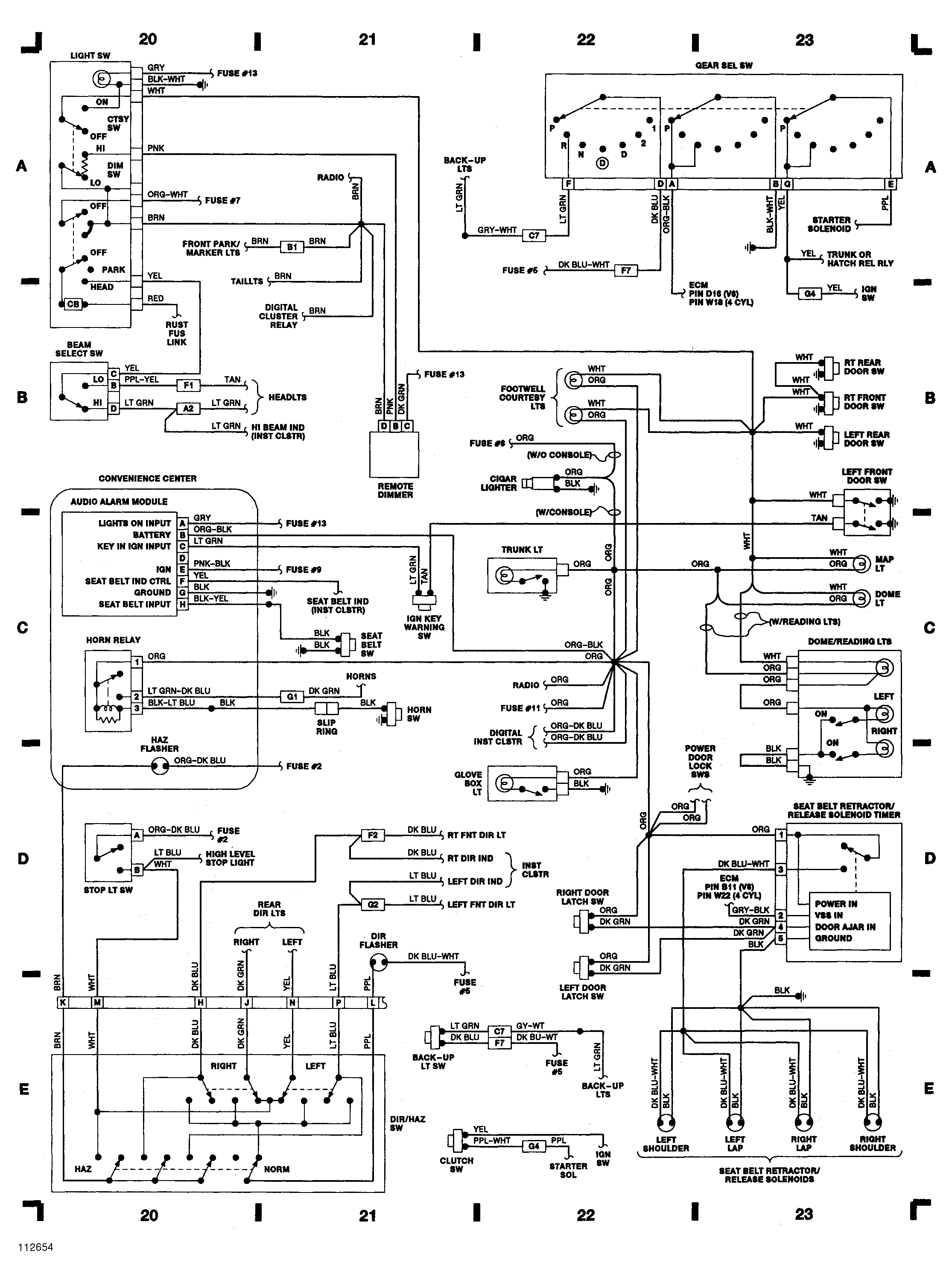
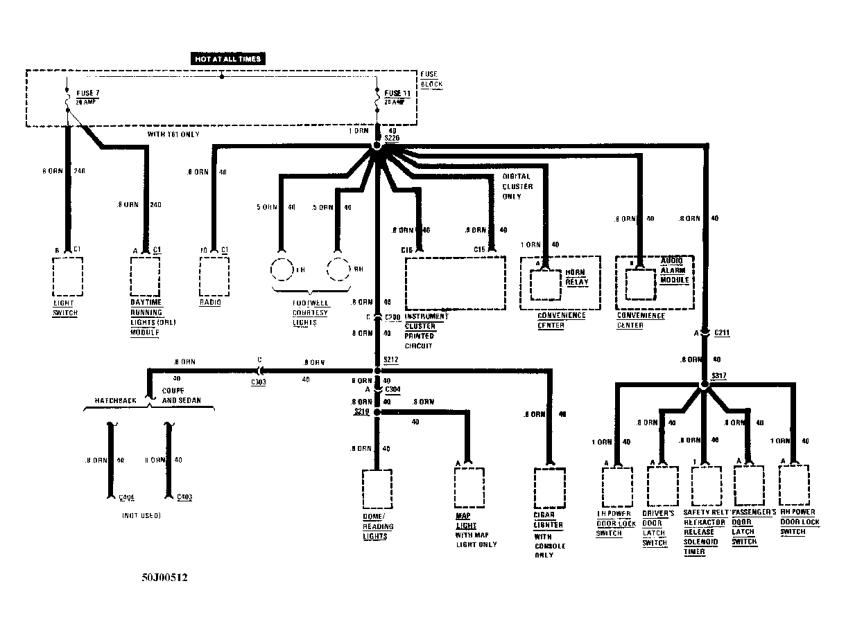
No power to three fuses

1989 CHEVROLET CORSICA
135,000 MILES • 2.8L • V6 • 2WD • AUTOMATIC
Avatar
DOCC74
  • MEMBER
  • 9 POSTS
I have no power to fuse 7,11, and 13. Is there a relay I can replace?
Jul 7, 2018 at 10:24 AM
Advertisement
Avatar
STEVE W.
  • CERTIFIED EXPERT
  • 15,113 POSTS
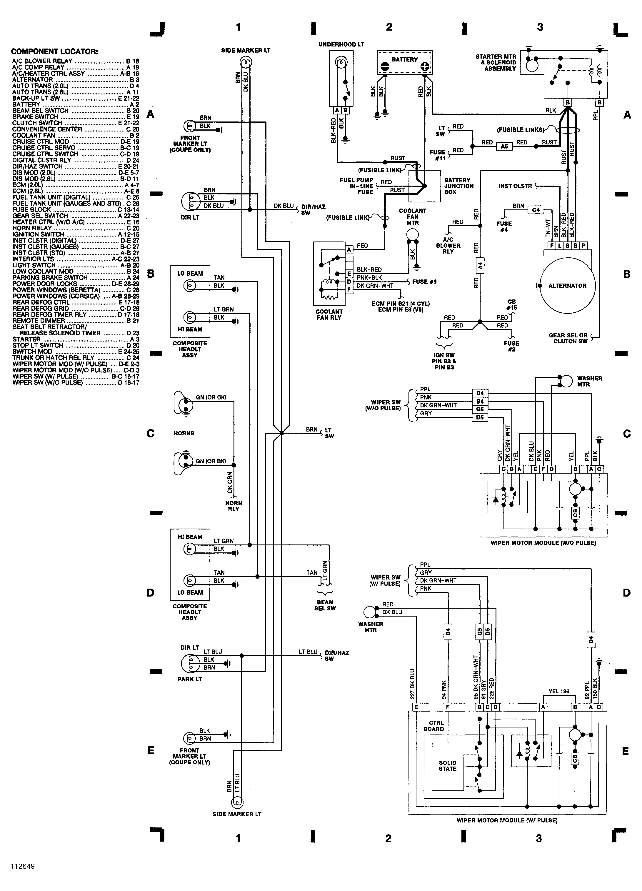
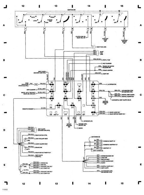
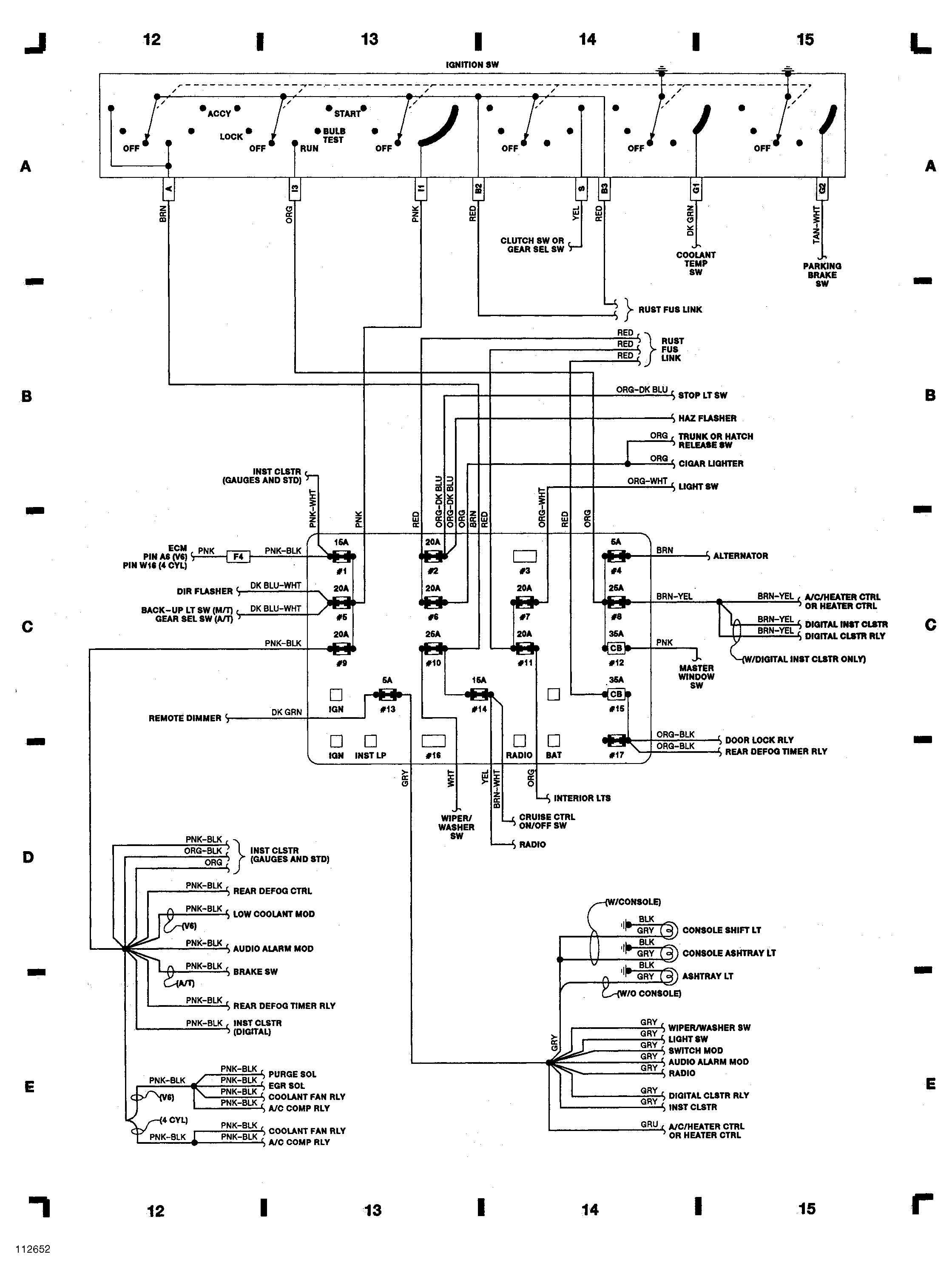
If you have tested them to verify there is no power then you need to check a couple items under the hood. Fuses 7 and 11 both receive power from the same fusible link. Fuse 13 is also fed from that through the light switch. My first thought is that you have a bad light switch that has shorted and caused the rust colored fusible link attached to the battery post on the starter to fail. However you need to actually test the link first as it could simply be corroded or broken. There are three different links connected to the starter post, two connect to the charging system and the other powers the fuses you have a problem with. They are all rust color which means they will be some shade of red. The one you want will connect to a solid red wire, the other two connect to red with black stripe or one has both red and red with black. To test them is easy, use a test light and probe the red wire after the link connects. No power = bad fuse link.

I would also pull the light switch and check it for melted contacts, they are common because of the power routed through the switch. If you replace the fuse link and the switch is bad you could melt the link or worse.
Jul 9, 2018 at 2:54 PM
Avatar
DOCC74
  • MEMBER
  • 9 POSTS
Thank you, at least one link at the starter is toast. I will update when I get the time to replace them.
Jul 9, 2018 at 6:16 PM
Advertisement
Avatar
STEVE W.
  • CERTIFIED EXPERT
  • 15,113 POSTS
That is probably the one, just be careful of the light switch. They like to burn up.
Jul 9, 2018 at 8:05 PM
Avatar
DOCC74
  • MEMBER
  • 9 POSTS
The switch seams fine, but I am installing a new one and I figured while I am in there doing one I might as well do the others.
Jul 10, 2018 at 3:24 AM
Avatar
STEVE W.
  • CERTIFIED EXPERT
  • 15,113 POSTS
Yeah, it is always a good thing to ensure a balanced load. Let us know how it turns out, please.
Jul 12, 2018 at 12:40 PM
Avatar
DOCC74
  • MEMBER
  • 9 POSTS
Yes, the fusible link was the issue.
Nov 4, 2018 at 3:34 AM
Avatar
STEVE W.
  • CERTIFIED EXPERT
  • 15,113 POSTS
Thanks for the update. Glad to hear you found the issue. Thank you for using 2CarPros. Please return anytime with your automotive questions.
Nov 4, 2018 at 4:12 PM