Fuse panels

1998 FORD CONTOUR
90,000 MILES • 2.8L • 4 CYL • 2WD • AUTOMATIC
Avatar
TERRY62FORREAL
  • MEMBER
  • 2 POSTS
Fuse panel in side the car only volt on half of the fuses.
That same for the fuse panel under the hood, and you are right the car will not run.
Thanks for any suggestion you can give me.
Terry
Apr 30, 2020 at 11:21 AM
Advertisement
Avatar
JACOBANDNICKOLAS
  • CERTIFIED EXPERT
  • 110,175 POSTS
Hi,

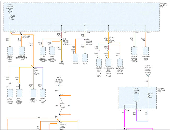
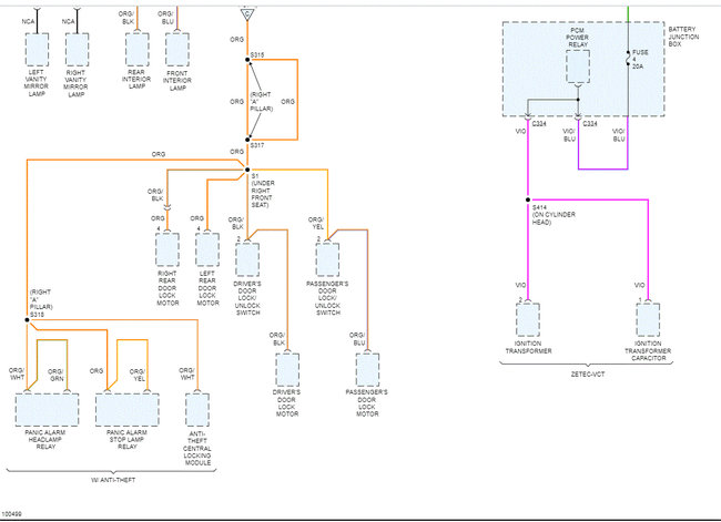
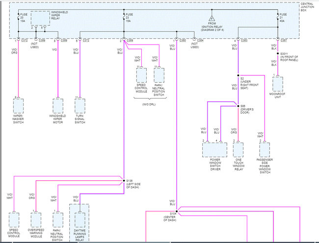
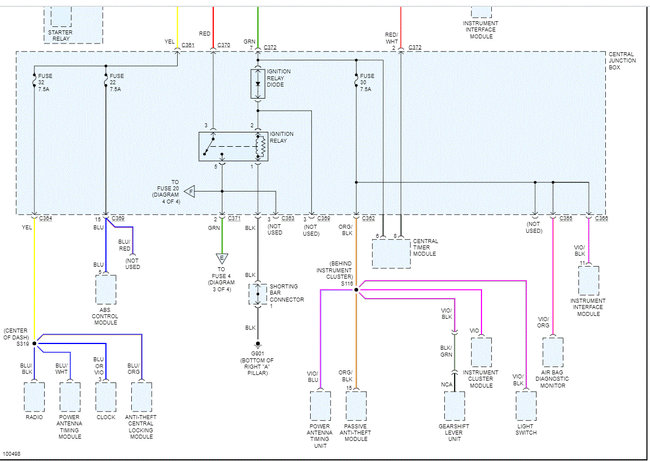
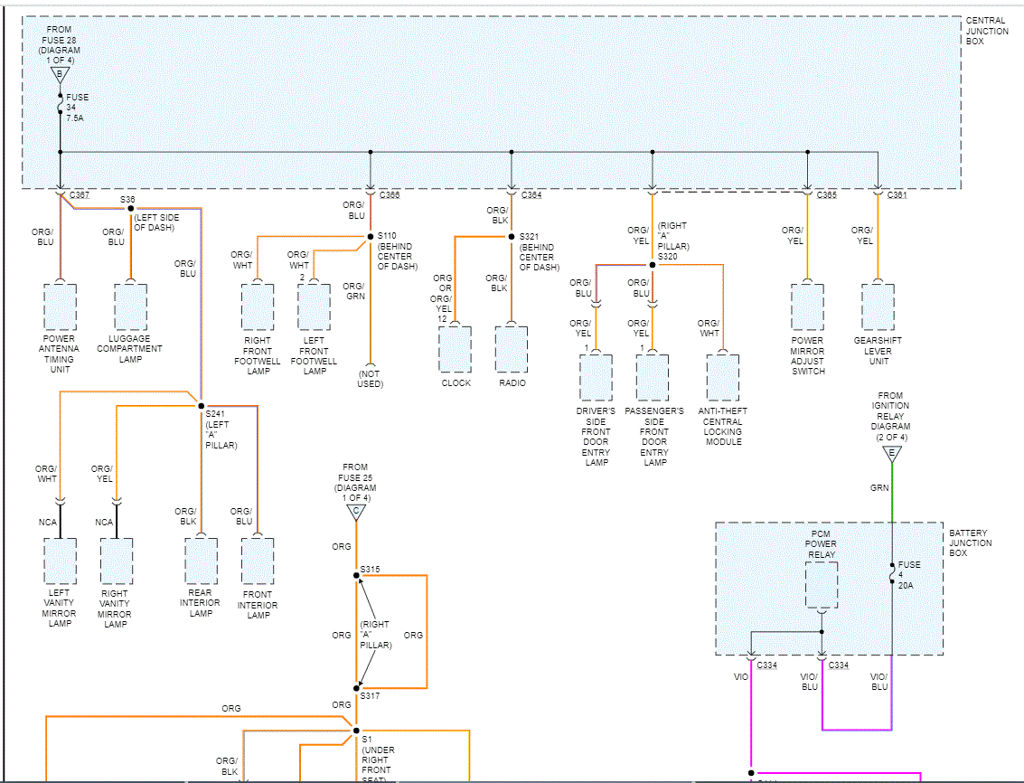
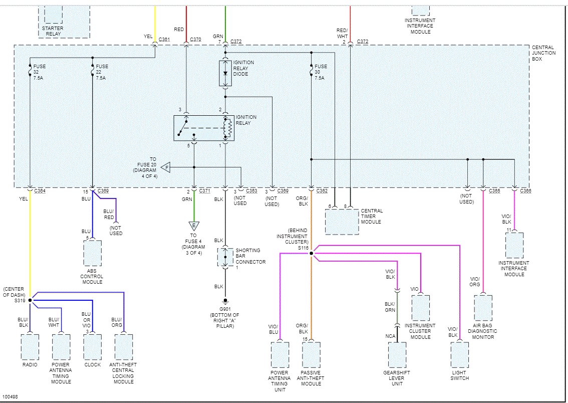
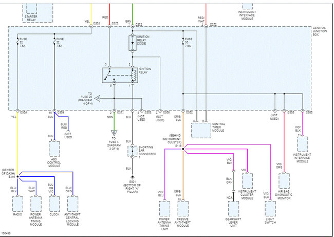
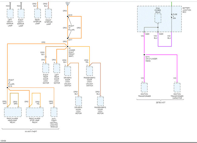
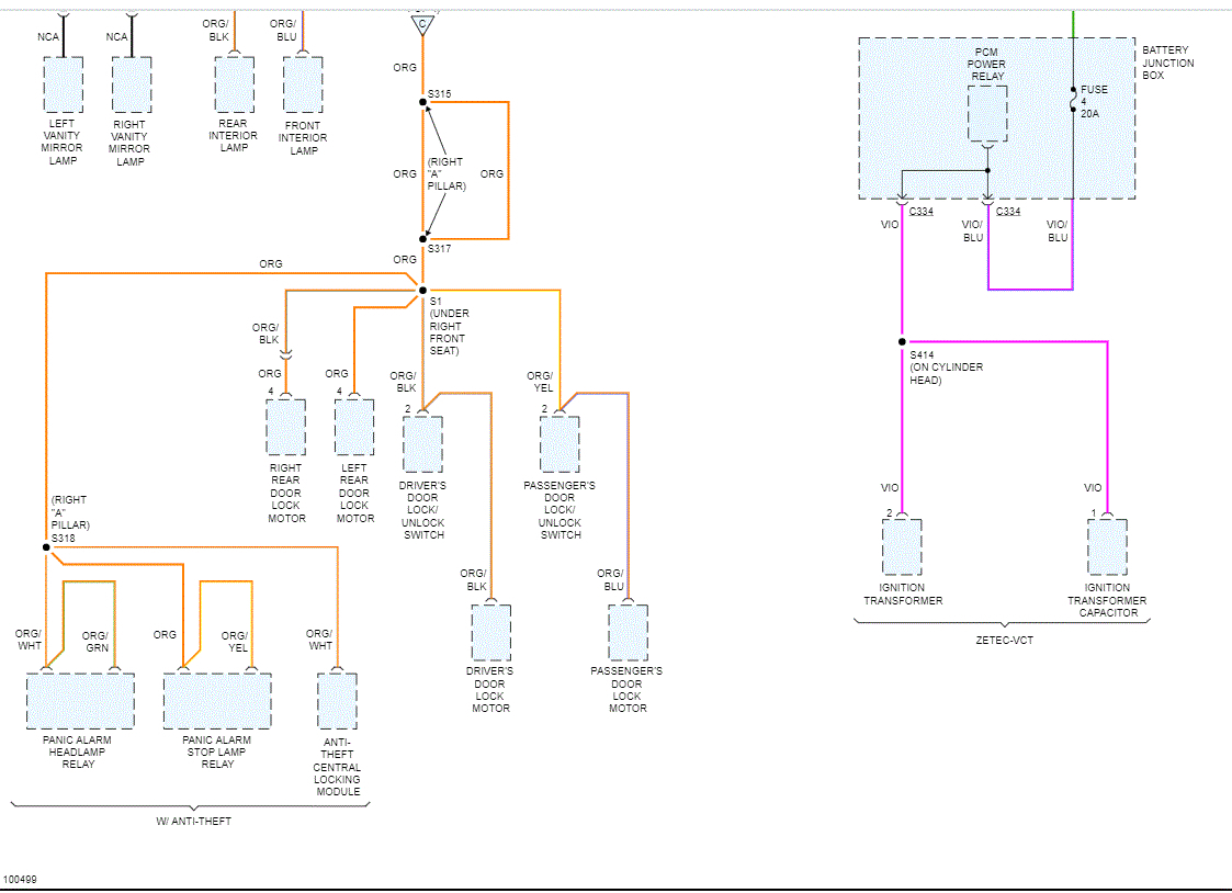
I'm not sure which fuses are not getting power. To help, I attached all schematics for the power distribution portion of the vehicle. What to do is start at the beginning, the battery and see if the wires leading to the fuse box (as noted in the schematics) are all getting power. If they are, then we need to break things down from that point to locate the cause.

The pics below are in order. I overlapped them so you could follow them easier. Note that I had to cut each page in half to make them readable. So, pics 1 and 2 are one page, pics 2 and 3 are another page and so on.

Let me know what you find.

Joe
May 1, 2020 at 8:56 AM
Avatar
TERRY62FORREAL
  • MEMBER
  • 2 POSTS
I check every fuse on the panels for resistances, I found one right in the middle of the panel to be blown. So off to Ford to get one and they have no listing in the data base at all.
I have cut it open to see and sure enough. this is me helping a young fellow out and he is looking for a fuse to match. there is a number on the fuse of 6924. this may mean something to you. We are still poking at it.
Thanks, Terry.
May 4, 2020 at 6:58 AM
Advertisement
Avatar
JACOBANDNICKOLAS
  • CERTIFIED EXPERT
  • 110,175 POSTS
Honestly, I'm not sure by the number. Is it possible for you to upload a picture of it so I can see it? Also, which fuse box did it come from?

Joe
May 4, 2020 at 8:30 PM